Запчасти Case IH SV300 (29.212.04[02]) - MOTOR, DRIVE MOTOR 2SPD (SR250,SV300) (29) - HYDROSTATIC DRIVE

Схема запчастей Case IH SV300 - (29.212.04[02]) - MOTOR, DRIVE MOTOR 2SPD (SR250,SV300) (29) - HYDROSTATIC DRIVE
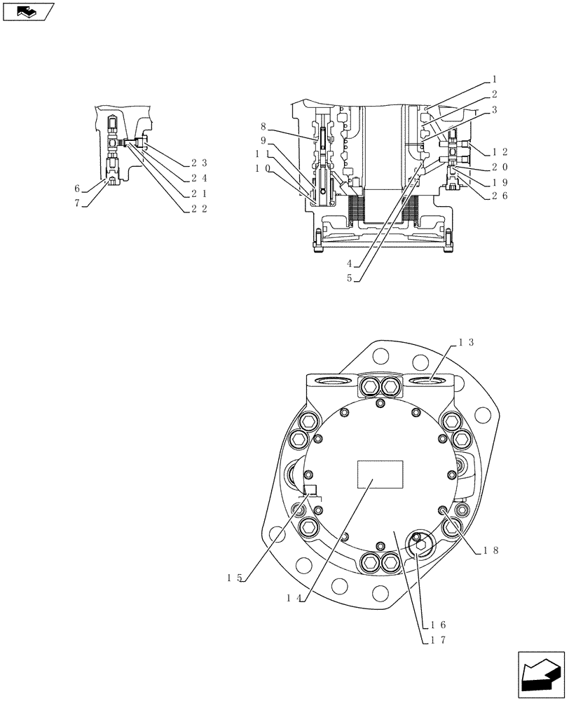
21
7
11
home
18
4
9
14
6
16
2
15
12
1
20
3
19
5
13
23
22
8
26
24
17
10
FIT
1:1
100%

Артикул

Название

Примечание

Количество

84256617

Rexroth 2 Speed Drive Motor, Includes Ref. 1-30

HYDRAULIC MOTOR

1шт.

84565752R

SR250, SV300, TR320, TV380 all TIER 4A (7/12-), Reman For New P/N 84256617

REMAN-HYD MOTOR,Drive, 470 CC

1шт.

84565752C

Return Number

CORE-MOTOR HYDRAULIC

1шт.

1

NSS

NOT SOLD SEPARAT

Piston Seal 107.125

1шт.

2

NSS

NOT SOLD SEPARAT

Piston Seal 98.725

1шт.

3

NSS

NOT SOLD SEPARAT

Piston Seal 97.725

2шт.

4

NSS

NOT SOLD SEPARAT

Piston Seal 96.725

1шт.

5

NSS

NOT SOLD SEPARAT

Piston Seal 87.25

1шт.

6

NSS

NOT SOLD SEPARAT

O-Ring 11.90 X 1.98 90 SH

1шт.

7

76349

PLUG,9/16" - 18 ORB

1шт.

8

NSS

NOT SOLD SEPARAT

MCR5 2-Speed Spool 12 Bar

1шт.

9

NSS

NOT SOLD SEPARAT

2 Speed Washer & Spring 12 Bar

1шт.

10

NSS

NOT SOLD SEPARAT

Circlip EXT H/Duty 18 DIA

1шт.

11

NSS

NOT SOLD SEPARAT

O-Ring 33.05 X 1.78 VITON

1шт.

12

NSS

NOT SOLD SEPARAT

Shear Plug M8

2шт.

13

NSS

NOT SOLD SEPARAT

Shipping Plug 1-1/16 - 12

2шт.

14

NSS

NOT SOLD SEPARAT

CNH Label Bar Coded

1шт.

15

NSS

NOT SOLD SEPARAT

Shipping Plug 9/16 - 18 UNF

2шт.

16

214389

PLUG,3/4" - 16 ORB

1шт.

17

87042923

COVER

MCR3 End Cover

1шт.

18

86512134

HEX SOC SCREW,M6 x 16mm, Cl 12.9

12шт.

19

87042928

SPOOL

Spool Flushing

1шт.

20

87042929

WASHER

1.5 THK

1шт.

21

87042931

POPPET,RV 1.7 Orifice

Flushing, 1.7 Orifice

1шт.

22

87042932

SPRING

Flushing R. V.

1шт.

23

87042933

POPPET,Plug, 7/16" SAE

Plug 7/16 SAE

1шт.

24

NSS

NOT SOLD SEPARAT

O-Ring 8.92 X 1.83 VITON FMK90

1шт.

25

87042934

SPRING

Flushing (10 Bar) Side A

1шт.

26

87042935

SPRING

Flushing (10 Bar) Side B

1шт.

27

87039369

KIT

Rotating MCR5, 2 Spd

1шт.

28

84293532

MCR5 2 Speed

SEAL KIT

1шт.

29

87039372

KIT

Brake MCR5

1шт.

30

84281323

SERVICE KIT

2 Speed Spool 12 Bar MCR5

1шт.

Выбрано товаров: 0