Запчасти Case IH SV300 (29.212.06[05]) - PUMP, HYDROSTATIC TANDEM 46CC MDC REAR, BUSHED (SR250,SV300,TR320,TV380) (29) - HYDROSTATIC DRIVE

Схема запчастей Case IH SV300 - (29.212.06[05]) - PUMP, HYDROSTATIC TANDEM 46CC MDC REAR, BUSHED (SR250,SV300,TR320,TV380) (29) - HYDROSTATIC DRIVE
29.218.ao 02
2
22
27
5
4
2
15
8
24
28
6
7
6
25
23
3
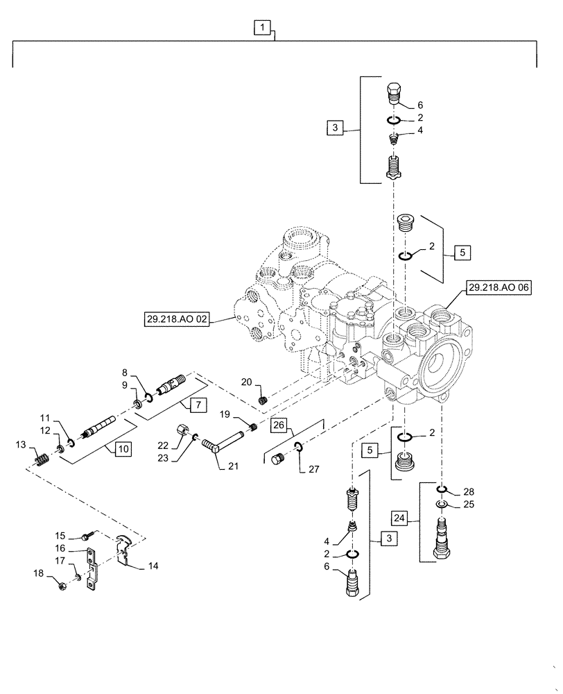
1
26
19
21
13
16
2
4
18
3
2
11
29.218.ao 06
10
17
20
12
9
14
5
FIT
1:1
100%

Артикул

Название

Примечание

Количество

1

84262356

PUMP,Tandem, 46 CC

Tandem Hydrostatic, Bushed, Incl 2 - 28

1шт.

2

237-6012

O-RING,0.116" Thk x 0.924" ID, -912, Cl 6, 90 Duro

3шт.

3

105720A1

VALVE

Relief, 360 Bar, Incl 2, 4, 6

1шт.

4

86993468

SPRING

Relief Valve

2шт.

5

218-5212

PLUG,1-1/16" - 12 ORB

Incl 2

1шт.

6

NSS

NOT SOLD SEPARAT

Plug, Incl in 1, 3

2шт.

7

87039615

SLEEVE

Assy, Incl 8 - 9

1шт.

8

NSS

NOT SOLD SEPARAT

Back Up Ring, Incl in 1, 7

1шт.

9

86993483

BACK-UP RING,0.643"

1шт.

10

87042542

SPOOL

Assy, Incl 11 - 12

1шт.

11

86993475

O-RING

Spool Assy

2шт.

12

86993484

BACK-UP RING,0.390"

1шт.

13

N13248

SPRING,3/4" OD

Neutral Return

1шт.

14

N13250

BRACKET

Neutral Return

1шт.

15

H435770

FLANGE BOLT,1/4" - 20 x 5/8"

1шт.

16

100713A1

LEVER

Control Handle

1шт.

17

493-41033

LOCK WASHER,0.33" ID x 0.61" OD x 0.03" Thk

1шт.

18

H436054

SPECIAL NUT,Lock, 5/16" - 18

1шт.

19

86993479

PIPE PLUG,1/16" - 27

Tube

1шт.

20

F23137

PLUG

Pipe

1шт.

21

218-506

90 ELBOW,7/16" - Male JIC x 1.8" - 27 Male NPTF

1шт.

22

86993467

CAP

Tube

1шт.

23

165202

O-RING,0.072" Thk x 0.351" ID, -904, Cl 6, 90 Duro

1шт.

24

87039612

BY-PASS VALVE

Assy, Incl 25, 28

1шт.

25

S99877

BACK-UP RING,Split, 9.91mm ID x 12.65mm OD x 1.32mm Thk

1шт.

26

218-5155

PLUG,9/16" - 18 ORB

Incl 27

2шт.

27

9617873

O-RING,0.078" Thk x 0.468" ID, -906, Cl 6, 90 Duro

2шт.

28

86993475

O-RING

Bypass Valve Assy

1шт.

Выбрано товаров: 0