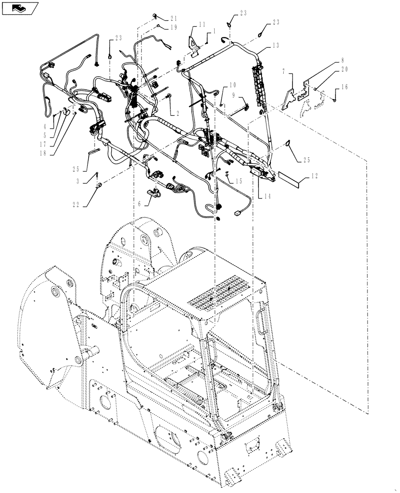
Запчасти Case IH SV300 (55.101.AC[02]) - WIRE HARNESS & CONNECTOR, MECHANICAL CONTROLS, OPEN CAB (55) - ELECTRICAL SYSTEMS

Схема запчастей Case IH SV300 - (55.101.AC[02]) - WIRE HARNESS & CONNECTOR, MECHANICAL CONTROLS, OPEN CAB (55) - ELECTRICAL SYSTEMS
23
23
25
15
7
18
25
13
9
8
3
1
5
6
22
21
10
4
23
11
20
home
2
16
14
12
17
19
FIT
1:1
100%

Артикул

Название

Примечание

Количество

1

9706703

CARRIAGE BOLT,Sht Sq Nk, M6 x 1 x 20mm, Cl 8.8, Full Thd

2шт.

2

9804255

BOLT,Hex, M6 x 1 x 16mm, Full Thd, Cl 8.8

3шт.

3

9804256

BOLT,Hex, M6 x 1 x 20mm, Full Thd, Cl 8.8

1шт.

4

9804257

FLANGE BOLT,Hex, M6 x 1.0 x 25mm, Cl 8.8, Full Thd

1шт.

5

9804276

FLANGE NUT,Hex, M6 x 1, Cl 8

5шт.

6

47369995

PROXIMITY SWITCH

PWM Proportional Auxiliary , Years: -10-APR-13

1шт.

6

84131374

MODULE

PWM Proportional Auxiliary, Start Year: 11-APR-13

1шт.

7

84309934

Assembly, LH, Outer

SEAL

1шт.

8

84309935

Assembly, LH, Inner

SEAL

1шт.

9

263117

CABLE TIE,292.1mm L, Nylon, Black

Tie

10шт.

10

84420768

FASTENER,Pine Tree, 5/8" x 20.01mm

10шт.

11

84493609

Fuse/Relay Mounting

BRACKET

1шт.

11

47531996

Fuse/Relay Mounting, Start Year: 01-JUN-13

BRACKET

1шт.

12

84495385

Fuse Box Layout, Mechanical Controls

DECAL

1шт.

13

47377794

WIRE HARNESS

Cab, Mechanical Controls, Open Cab, Incl 26, 27, Years: -25-NOV-12

1шт.

13

47385474

Cab, Mechanical Controls, Open Cab, Incl 26, 27, Start Year: 26-NOV-12

WIRE HARNESS

1шт.

14

47357803

WIRE HARNESS

Chassis, Mechanical Controls, Incl 26, 28 - 37, Years: -25-NOV-12

1шт.

14

47377804

Chassis, Mechanical Controls, Incl 26, 28 - 37, Years: 26-NOV-12-31-AUG-13

WIRE HARNESS

1шт.

14

47523451

Chassis, Mechanical Controls, Incl 26, 28 - 37, Years: 01-SEP-13-24-AUG-14

WIRE HARNESS

1шт.

14

47696862

Chassis, Mechanical Controls, Incl 26, 28 - 37, Start Year: 25-AUG-14

WIRE HARNESS

1шт.

15

86511841

BOLT,Flng, M8 x 1.25 x 16mm, Full Thd, Cl 8.8

6шт.

16

86620930

FASTENER,Push-In, 1.10" L, Nylon

4шт.

17

86624182

WASHER,6.6mm ID x 18mm OD x 1.6mm Thk

1шт.

18

86639007

CLAMP,44.4mm, Coat, 13.5mm Bolt Hole, P Type

1шт.

19

87010656

CLAMP,17.5mm, Coat, 10.3mm Bolt Hole, P Type

1шт.

20

87035448

SPACER,8.48mm ID x 12.7mm OD x 12.7mm L

4шт.

21

87037780

CLAMP,15.8mm, Coat, 8.7mm Bolt Hole, J Type

1шт.

22

87313351

CLIP,25.4mm, Coat, 8.7mm Bolt Hole, J Type

1шт.

23

87668737

CABLE TIE,203.2mm L, Nylon, Black

1шт.

24

126844A1

PLUG,1.427” x .62” , Plastic

Blank, Switch Hole, EH Pattern, Not Illustrated

1шт.

25

L11541

CABLE TIE,203.2mm L, Nylon

2шт.

26

L71879

DIODE ELEMENT,400V, 3A

3 Amp, Bullet Connector, Accessory Backfeed, Not Illustrated

2шт.

27

774735

DIODE,6A

Hazard Switch Indicator Backfeed, Not Illustrated

1шт.

28

47768484

WIRE HARNESS

Spool Lock Jumper

1шт.

28

121849A1

FUSE,Mini, 2 Amp

Not Illustrated

2шт.

29

121410A1

FUSE,5A, Mini, Tan

Not Illustrated

3шт.

30

121411A1

FUSE,7.5A, Mini, Brown

Not Illustrated

2шт.

31

121412A1

FUSE,10A, Mini, Red

Not Illustrated

2шт.

32

121413A1

FUSE,15A, Mini, Blue

Not Illustrated

3шт.

33

121414A1

FUSE,20A, Mini, Yellow

Not Illustrated

3шт.

34

121415A1

FUSE,25A, Mini, Clear

Not Illustrated

2шт.

35

121416A1

FUSE,30A, Mini, Green

Not Illustrated

2шт.

36

87655334

RELAY,12V, 35A, Micro

Not Illustrated

4шт.

37

82013124

RELAY,12V, 30A

ABS/Glow Plugs, Not Illustrated

2шт.

Выбрано товаров: 44