Запчасти Case IH SV300 (50.100.AP[02]) - HVAC SYSTEM, HEATER ONLY (50) - CAB CLIMATE CONTROL

Схема запчастей Case IH SV300 - (50.100.AP[02]) - HVAC SYSTEM, HEATER ONLY (50) - CAB CLIMATE CONTROL
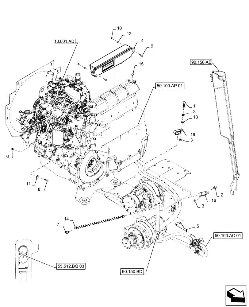
10.001.ad
14
11
15
3
4
7
5
3
13
10
6
1
3
16
12
16
8
9
2
90.150.ab
50.100.ap 01
50.100.ac 01
90.150.bd
55.512.bq 03
FIT
1:1
100%

Артикул

Название

Примечание

Количество

1

350459

CARRIAGE BOLT,Rnd Head, M10 x 1.5 x 50mm, Full Thd, Cl 8.8

1шт.

2

9804261

BOLT,Hex, M10 x 25mm, Cl 8.8, Full Thd

1шт.

3

9804278

FLANGE NUT,M10 x 1.5, Cl 8

3шт.

4

47568942

529.4mm L, Air Intake

DUCT

1шт.

5

47679222

145.5mm L, HVAC Hose Spring Mount

BRACKET

1шт.

6

84272827

RIVET,Flat Flg Head, 12.7mm OD x 17.4mm L

4шт.

7

84361522

BRACKET

30.7mm L, HVAC Hose Spring Mount

1шт.

8

86511833

SCREW,Phillips Drive, Pan HD, M6 x 40mm

4шт.

9

86512441

CARRIAGE BOLT,Rnd Head, M6 x 1 x 36.6mm, Cl 8.8

2шт.

10

86619800

FLANGE NUT,M6 x 1, Cl 8

2шт.

11

86624183

WASHER,6.6mm ID x 25mm OD x 1.6mm Thk

4шт.

12

87655042

SPECIAL WASHER,8.8mm ID x 17.5mm OD x 2.2mm Thk

2шт.

13

87655046

SPECIAL WASHER,10.65mm ID x 23mm OD x 2.2mm Thk

1шт.

14

412679A2

SPRING,Extension, 22.5mm OD x 173mm L

2шт.

15

414635A1

COVER,25.4mm OD x 0.51mm Thk

2шт.

16

D39696

CLAMP,25.40mm - 13.49mm Bolt, CTD

2шт.

Выбрано товаров: 16