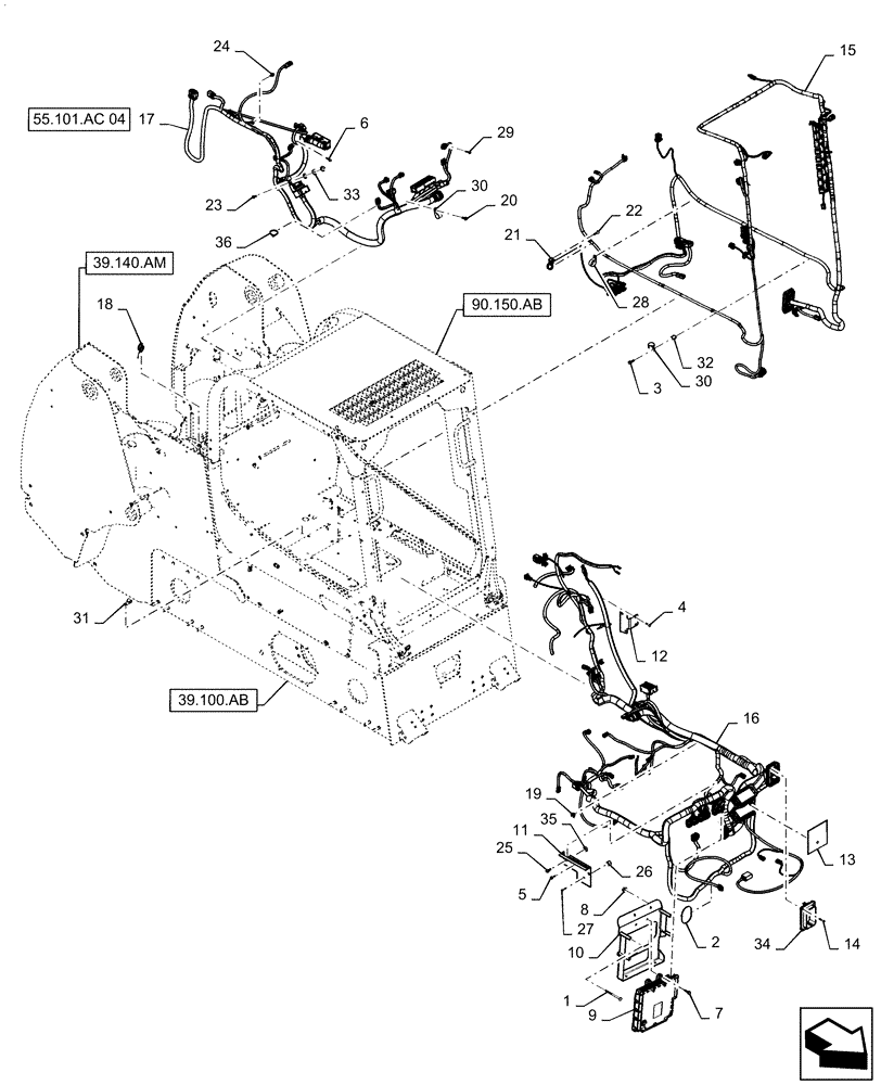
Запчасти Case IH SV300 (55.101.AC[04]) - WIRE HARNESS & CONNECTOR, ELECTRONIC CONTROLS, OPEN CAB (55) - ELECTRICAL SYSTEMS

Схема запчастей Case IH SV300 - (55.101.AC[04]) - WIRE HARNESS & CONNECTOR, ELECTRONIC CONTROLS, OPEN CAB (55) - ELECTRICAL SYSTEMS
90.150.ab
17
35
30
33
30
9
22
23
26
36
15
5
14
19
8
13
21
4
20
28
16
25
2
31
32
27
7
1
29
18
10
12
24
34
6
3
11
55.101.ac 04
39.140.am
39.100.ab
FIT
1:1
100%

Артикул

Название

Примечание

Количество

1

120036

CARRIAGE BOLT,Short Nk, M6 x 90mm, Cl 8.8

4шт.

2

263117

CABLE TIE,292.1mm L, Nylon, Black

Nylon

30шт.

3

9671714

FLANGE BOLT,Hex, M8 x 1.25 x 25mm, Cl 8.8

1шт.

4

9706703

CARRIAGE BOLT,Sht Sq Nk, M6 x 1 x 20mm, Cl 8.8, Full Thd

2шт.

5

9804255

BOLT,Hex, M6 x 1 x 16mm, Full Thd, Cl 8.8

2шт.

6

9804256

BOLT,Hex, M6 x 1 x 20mm, Full Thd, Cl 8.8

2шт.

7

9804257

FLANGE BOLT,Hex, M6 x 1.0 x 25mm, Cl 8.8, Full Thd

4шт.

8

9804276

FLANGE NUT,Hex, M6 x 1, Cl 8

10шт.

9

NS

NOT SERVICED

UCM SSL

1шт.

10

47624901

ECM

BRACKET

1шт.

11

47651227

Relay Mounting

ANGLE

1шт.

12

47651229

Fuse

ANGLE

1шт.

13

47705738

Fuse Box Layout EH, Years: -13-NOV-16

DECAL

1шт.

13

47946304

Fuse Box Layout EH, Start Year: 14-NOV-16

DECAL

1шт.

14

47706008

SCREW,Pan Head, #10 - 14 x 5/8"

4шт.

15

47747243

Cab EH, Years: -13-NOV-16

WIRE HARNESS

1шт.

15

47912912

Cab EH, Start Year: 14-NOV-16

WIRE HARNESS

1шт.

16

47747261

Chassis EH, Years: -13-NOV-16

WIRE HARNESS

1шт.

16

47961494

Chassis EH, Start Year: 14-NOV-16

WIRE HARNESS

1шт.

17

47801012

Rear Chassis EH, Years: -13-NOV-16

WIRE HARNESS

1шт.

17

47961520

Rear Chassis EH, Start Year: 14-NOV-16

WIRE HARNESS

1шт.

18

82012869

CABLE TIE,300mm L, Nylon, Black

Double Loop, Nylon

4шт.

19

84259663

CABLE TIE,228.6mm L, Nylon, Black

Nylon

1шт.

20

84285339

SELF-TAP SCREW,Hex, M8 x 1.25 x 15mm

1шт.

21

84420746

CABLE TIE,403.9mm L, Nylon

Nylon

10шт.

22

84420768

FASTENER,Pine Tree, 5/8" x 20.01mm

10шт.

23

86511839

BOLT,Hvy Hex, M6 x 30mm, Cl 8.8

1шт.

24

86511841

BOLT,Flng, M8 x 1.25 x 16mm, Full Thd, Cl 8.8

4шт.

25

86512520

BOLT,Hvy Hex, M8 x 12mm, Cl 8.8, Full Thd

2шт.

26

86639241

NUT,Prev Torque, M5 x 0.8, Cl 8

1шт.

27

86639263

BOLT,Hex, M5, Cl 8

1шт.

28

87010657

CLAMP,34.9mm, Coat, 8.7mm Bolt Hole, P Type

1шт.

29

87017606

SELF-TAP SCREW,Hex Flng, M6 x 1 x 20mm

1шт.

30

87035382

CLAMP,30.2mm, Coat, 10.3mm Bolt Hole, P Type

2шт.

31

87301490

CLAMP,12.7mm, Coat, 10.3mm Bolt Hole, J Type

1шт.

32

87311354

SPACER,10.7mm ID x 17.1mm OD x 14.2mm L

1шт.

33

87655041

SPECIAL WASHER,6.85mm ID x 13.5mm OD x 2mm Thk

1шт.

34

87718301

WIRE CONNECTOR,Flange

DRB Flange Interface

1шт.

35

229197A1

SQUARE NUT,M8 x 1.25, Cl 8

2шт.

36

L11541

CABLE TIE,203.2mm L, Nylon

11шт.

Выбрано товаров: 40