Запчасти Case IH SV300 (55.991.AE) - TELEMATIC SYSTEM, VERTICAL (55) - ELECTRICAL SYSTEMS

Схема запчастей Case IH SV300 - (55.991.AE) - TELEMATIC SYSTEM, VERTICAL (55) - ELECTRICAL SYSTEMS
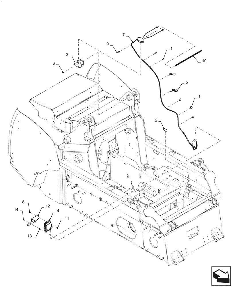
5
3
2
1
10
9
1
6
14
12
13
7
4
11
8
FIT
1:1
100%

Артикул

Название

Примечание

Количество

1

263117

CABLE TIE,292.1mm L, Nylon, Black

6шт.

2

47499018

Telematics - Dealer Activation Code

LABEL

1шт.

3

47665458

Telematics Antenna, Years: -28-MAR-17

BRACKET

1шт.

3

48069810

Telematics Antenna, Start Year: 29-MAR-17

BRACKET

1шт.

4

47714488

ECU

Telematics

1шт.

5

82012869

CABLE TIE,300mm L, Nylon, Black

2шт.

6

84285339

SELF-TAP SCREW,Hex, M8 x 1.25 x 15mm

2шт.

7

84556851

ANTENNA

Telematics

1шт.

8

86511839

BOLT,Hvy Hex, M6 x 30mm, Cl 8.8

2шт.

9

87668737

CABLE TIE,203.2mm L, Nylon, Black

1шт.

10

1999528C1

CABLE SHEATH

455mm L, Polyethylene

1шт.

11

9804276

FLANGE NUT,Hex, M6 x 1, Cl 8

2шт.

12

47923112

Telematics

BRACKET

1шт.

13

86625073

SPRING NUT,M6 x 1

2шт.

14

87682398

SCREW,Torx, Round HD, M6 x 16mm, Cl 10.9

2шт.

Выбрано товаров: 15