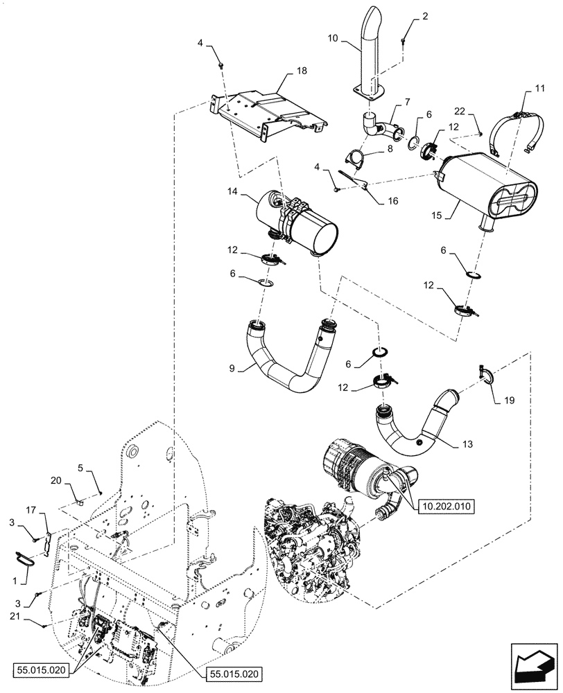
Запчасти Case IH SV340 (10.254.010) - EXHAUST SYSTEM & MOUNTING COMPONENTS (10) - ENGINE

Схема запчастей Case IH SV340 - (10.254.010) - EXHAUST SYSTEM & MOUNTING COMPONENTS (10) - ENGINE
1
13
10
55.015.020
55.015.020
2
6
7
6
16
9
4
10.202.010
15
14
11
17
21
3
6
12
4
8
3
22
12
5
20
12
6
18
19
12
FIT
1:1
100%

Артикул

Название

Примечание

Количество

1

L18331

CABLE TIE,375.9mm L, Nylon, Black

1шт.

2

9671714

FLANGE BOLT,Hex, M8 x 1.25 x 25mm, Cl 8.8

3шт.

3

9804260

BOLT,Hex, M8 x 1.25 x 30mm, Full Thd, Cl 8.8

7шт.

4

9804261

BOLT,Hex, M10 x 25mm, Cl 8.8, Full Thd

6шт.

5

9804277

FLANGE NUT,Hex, M8 x 1.25, Cl 8

1шт.

6

47489270

Exhaust

GASKET,58.9mm ID

4шт.

7

47520958

Tail Pipe Assy

TUBE

1шт.

8

47541188

CLAMP,68mm ID, Muffler

1шт.

9

47541203

Exhaust Pipe, DOC to SCR

TUBE

1шт.

10

47579149

Exhaust Stack, Black

EXTENSION

1шт.

11

47581149

SCR Mounting

STRAP

2шт.

12

47640901

PIPE CLAMP,84.5mm OD, 1/4-28”

4шт.

13

47644662

Turbo to DOC Muffler

TUBE

1шт.

14

47645435

DOC

MUFFLER

1шт.

15

47648076

SCR

MUFFLER

1шт.

16

47660292

Tail Pipe Support

BRACKET

1шт.

17

47920900

SCR Sensor Cable, Gray

BRACKET

1шт.

18

47808650

DOC/SCR Mounting

BRACKET

1шт.

19

84409146

PIPE CLAMP,63.5mm - 70mm

1шт.

20

87010656

CLAMP,17.5mm, Coat, 10.3mm Bolt Hole, P Type

1шт.

21

87017606

SELF-TAP SCREW,Hex Flng, M6 x 1 x 20mm

6шт.

22

87547587

LOCK NUT,Hex, M10 x 1.5, Cl 10

2шт.

Выбрано товаров: 22