Запчасти Case IH 1500-SERIES (018) - ELECTRIC FUEL PUMP (10) - ENGINE

Схема запчастей Case IH 1500-SERIES - (018) - ELECTRIC FUEL PUMP (10) - ENGINE
FIT
1:1
100%

Артикул

Название

Примечание

Количество

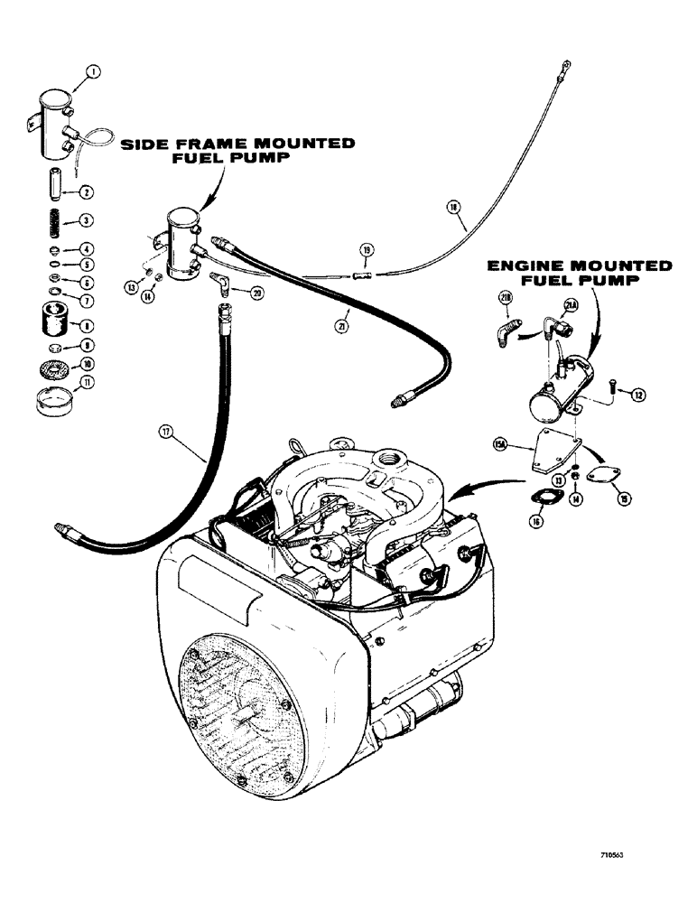
T41054

PUMP

FUEL - electric, Incl. Ref 1-11

1шт.

1

NSS

NOT SOLD SEPARAT

BODY - fuel pump

1шт.

2

A40310

PLUNGER

valve

1шт.

3

T41881

SPRING - plunger

1шт.

4

A40313

CUP

valve

1шт.

5

A40318

O-RING,0.429" ID x 0.106"

1шт.

6

A40317

WASHER

1шт.

7

A40316

RETAINER

1шт.

8

A40314

FILTER CARTRIDGE

fuel

1шт.

9

A40311

MAGNET

1шт.

10

A40315

GASKET

cover

1шт.

11

A40312

COVER

bottom

1шт.

12

13-412

BOLT,Hex, 1/4" - 20 x 3/4", Gr 5, Full Thd

If used

2шт.

13

92-4

LOCK WASHER,1/4"

2шт.

14

25-104

NUT,1/4"-20, G5

2шт.

15

T41658

SPARE PART cover, 1530 and 1537 when pump mounts on side frame

1шт.

15a

D53019

SPARE PART cover, used on 1530 and 1537 when pump mounts on engine

1шт.

16

T41659

SPARE PART cover plate, 1530 and 1537 only

1шт.

17

T40321

SPARE PART tank to pump (28" long)

1шт.

18

T41596

WIRE - #16 gauge, 1530 and 1537 only

1шт.

19

T41598

CONNECTOR, ELEC

CONNECTOR wire

1шт.

20

218-482

ELBOW,90 Degree Elbow, 1/2" - 20 Male JIC x 1/8" - 27 Male NPTF

ELBOW - 90 degrees, male

1шт.

21

T41595

HOSE - pump to carburetor, 1530 and 1537 only (32" long) Used on models where fuel pump mounts on the side frame

1шт.

21a

218-886

ELBOW UNION,90 Degree, 7/16"-20, 37 Degree x 1/8"-27, NPTF

Union Elbow 90 degrees, male (1530 and 1537 only) Used on models where fuel pump mounts on engine

1шт.

21b

222-1703

ELBOW - 45 degrees, adapter (1526 only)

1шт.

Выбрано товаров: 0