Запчасти Case IH 1500-SERIES (026) - ELECTRICAL AND INSTRUMENT PANEL, MODELS 1530 AND 1537 (55) - ELECTRICAL SYSTEMS

Схема запчастей Case IH 1500-SERIES - (026) - ELECTRICAL AND INSTRUMENT PANEL, MODELS 1530 AND 1537 (55) - ELECTRICAL SYSTEMS
FIT
1:1
100%

Артикул

Название

Примечание

Количество

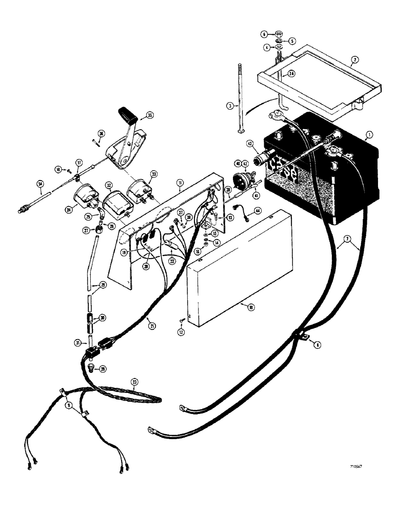
1

T40362

BATTERY

12 volt

1шт.

T40362 has "standard" caps which are to be replaced with non-spill caps from old battery, if used, or order A60533 caps.

1шт.

1a

A60553

CAP

battery, non- spill

6шт.

2

T40315

HOLDER

battery

1шт.

3

17-5136

BOLT - sq. hd. (5/16" - 18 NC x 8-1/2") If used

2шт.

3a

T42409

SPARE PART tie, hooked end

2шт.

4

95-5

WASHER,3/8" x 7/8" x .083"

plain (5/16")

2шт.

5

92-5

LOCK WASHER,5/16"

2шт.

6

9635082

NUT,5/16" - 18, Gr 5

2шт.

7

T40317

CABLE

battery (58" Long)

2шт.

8

D48438

CLAMP

cable

1шт.

9

T40341

CLAMP,1/4", 1/4" Bolt

wire

2шт.

10

T40608

PANEL

back

1шт.

11

T40611

SPARE PART front

1шт.

12

187-1057

SELF-TAP SCREW,Slotted Pan Hd, #6 x 1/2"

sheet metal (#6 x 1/2")

4шт.

13

13-412

BOLT,Hex, 1/4" - 20 x 3/4", Gr 5, Full Thd

2шт.

14

92-4

LOCK WASHER,1/4"

2шт.

15

95-4

WASHER,1/4"

plain () If used 1/4"

2шт.

16

25-104

NUT,1/4"-20, G5

2шт.

17

T40341

CLAMP,1/4", 1/4" Bolt

throttle cable

1-2шт.

18

173-212

SCREW,Sl Rnd Hd, #10 - 24 x 1/2"

RHMS - #10 - 24 NC x 1/2" (Zinc plated)

1-2шт.

19

195-513

WASHER,#10

plain () zinc plated #10

1-2шт.

20

129-17

NUT,Hex, #10 - 24

1-2шт.

21

T40607

X

HARNESS - wire, panel, Service with T41940 harness and T41941 harness, Serial Range: -9813801

1шт.

21

T41940

HARNESS

wire, panel, Incl. Ref 22, Start Serial: 9813801

1шт.

22

223-31

FUSE,10 Amp, Type 3AG

30 amp. AGC, panel harness

1шт.

23

T40606

X

HARNESS, wire, engine, Service with T41940 harness and T41941 harness, Serial Range: -9813801

1шт.

23

T41941

HARNESS

wire, engine, Start Serial: 9813801

1шт.

24

T41949

GAUGE

hydraulic vacuum

1шт.

25

222-617

ELBOW,90 Degree, 3/8"-24 x 1/8" NPT, Comp

ELBOW ASSEMBLY - 90 degree tube, Incl. Ref 26, 27

1шт.

26

222-102

SLEEVE,1/4" Tube

222-617 elbow

1шт.

27

87017024

TUBE NUT,1/2"-24

222-617 elbow

1шт.

28

222-602

FITTING,7/16"-24 x 1/8" NPT, Comp

compression, tube

1шт.

29

T42370

SPARE PART copper, vacuum line (Long) 0.25" OD x 20" L

1шт.

30

T42372

HYDRAULIC HOSE,0.22" ID x 8.00", SAE J50

Vibration damper

1шт.

31

T42371

TUBE,0.25" OD x 3" L

copper, vacuum line (Short)

1шт.

32

T40335

HOURMETER

1шт.

33

A26729

ELECTRICAL GAUGE

AMMETER - 12 volt

1шт.

34

T41501

CABLE

throttle (When stock is exhausted, order D52836 cable for service) Parts list Fig. 27A

1шт.

34

D52836

CABLE

throttle (Parts list Fig. 27A)

1шт.

35

T41500

HANDLE

throttle

1шт.

36

171-227

SCREW,Sl Flat Hd, #10 - 24 x 1 1/4"

machine (#10 - 24 NC x 1-1/4") zinc plated

2шт.

37

193-60

LOCK WASHER,Int Tooth, 1/4"

2шт.

38

129-17

NUT,Hex, #10 - 24

2шт.

39

T40249

CONTROL

CABLE - choke control (1530) When stock is exhausted, order D52880 cable for service (Parts list Fig. 27A)

1шт.

39

D52880

CABLE - choke control (1530) Parts list Fig. 27A

1шт.

39

T40247

CONTROL

CABLE - choke control (1537) When stock is exhausted, order D52837 for service (Parts list Fig. 27A)

1шт.

39

D52837

CABLE

choke control (1537) Parts list Fig. 27A

1шт.

40

T40339

SWITCH

ignition, with key, Incl. Ref 41

1шт.

41

D36822

KEY

two keys

1шт.

42

193-35

LOCK WASHER,Int Tooth, 3/4"

1шт.

43

T40340

IGNITION SWITCH

BUTTON - starter

1шт.

44

A19363

SPARE PART key switch to starter button (If used)

1шт.

Выбрано товаров: 53