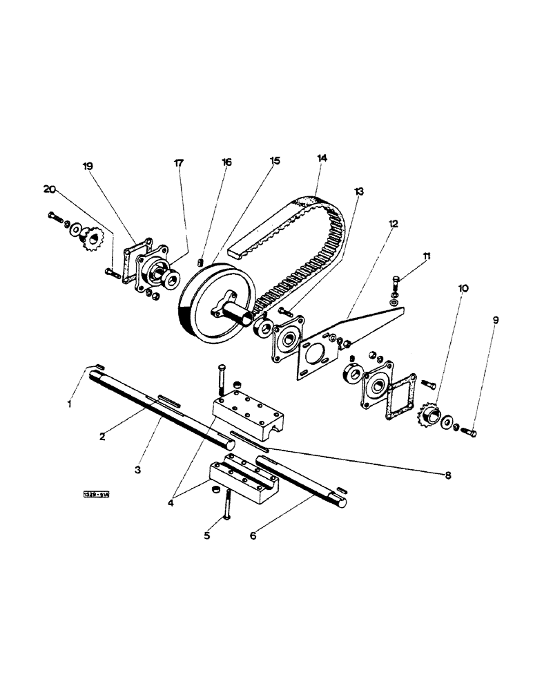
Запчасти Case IH 1529 (094) - JACKSHAFT (14) - MAIN GEARBOX & DRIVE

Схема запчастей Case IH 1529 - (094) - JACKSHAFT (14) - MAIN GEARBOX & DRIVE
6
4
19
10
1
16
15
20
9
3
12
5
14
2
8
11
17
13
FIT
1:1
100%

Артикул

Название

Примечание

Количество

1

T33565

BUCKET TOOTH KEY

2шт.

2

B18322

KEY

1шт.

3

D54819

JACKSHAFT

long

1шт.

4

T40080

CLAMP

1шт.

5

13-648

BOLT,Hex, 3/8" - 16 x 3", Gr 5

8шт.

131-179

LOCK NUT,3/8"-16, GA

lock 3/8" NC

8шт.

6

T40078

JACKSHAFT

short

1шт.

8

T40079

KEY

1шт.

9

13-816

BOLT,Hex, 1/2" - 13 x 1", Gr 5, Full Thd

2шт.

92-8

LOCK WASHER,1/2"

2шт.

T40255

WASHER

plain

2шт.

10

T40069

DRIVE SPROCKET

2шт.

11

13-816

BOLT,Hex, 1/2" - 13 x 1", Gr 5, Full Thd

2шт.

92-8

LOCK WASHER,1/2"

2шт.

95-8

WASHER,1/2"

2шт.

12

T42420

FLANGED BEARING

SUPPORT

1шт.

13

13-824

BOLT,Hex, 1/2" - 13 x 1-1/2", Gr 5, Full Thd

4шт.

95-8

WASHER,1/2"

4шт.

92-8

LOCK WASHER,1/2"

4шт.

25-108

NUT,1/2"-13, G5

Hex

4шт.

14

D58998

V-BELT,1.81" W x 51.70" L

1шт.

15

REF

INSTRUCTION

PULLEY, variable speed driven, see Figure 098

1шт.

16

REF

INSTRUCTION

SCREW set, see Figure 098

1шт.

17

E19547

BEARING ASSY., flange

3шт.

19

T42394

GASKET

2шт.

20

13-824

BOLT,Hex, 1/2" - 13 x 1-1/2", Gr 5, Full Thd

8шт.

E30130

WASHER

8шт.

131-10

NUT,1/2"-13, GB

8шт.

Выбрано товаров: 28