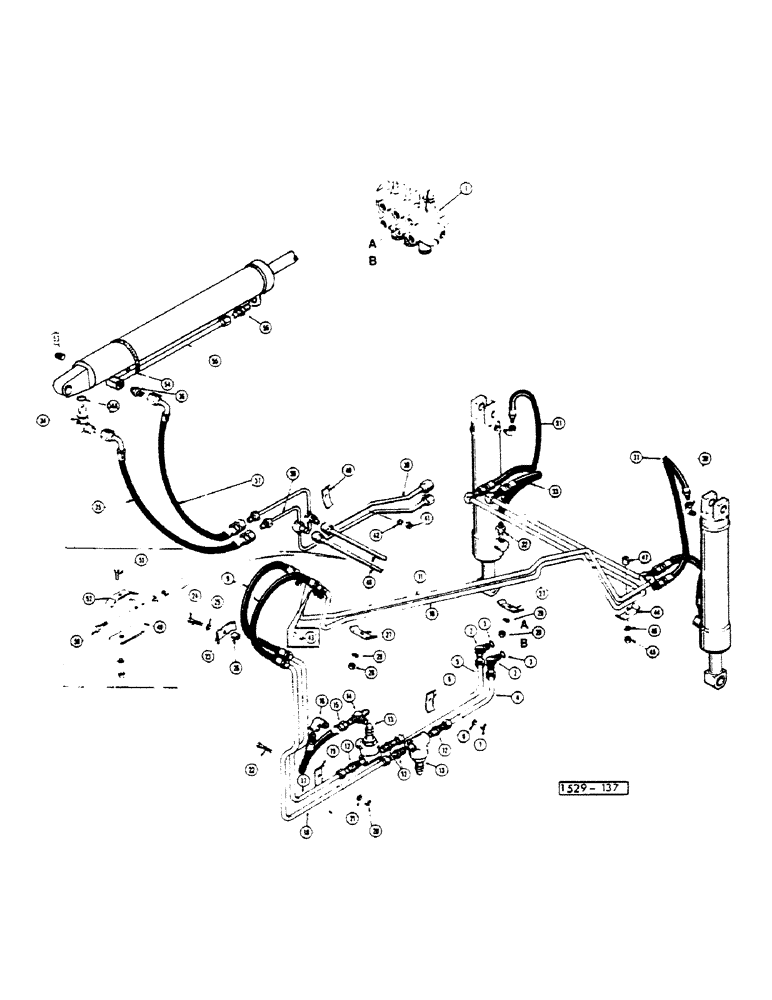
Запчасти Case IH 1529 (122) - HYDRAULICS (35) - HYDRAULIC SYSTEMS

Схема запчастей Case IH 1529 - (122) - HYDRAULICS (35) - HYDRAULIC SYSTEMS
41
42
5
13
12
17
12
2
11
14
12
1
15
18
13
FIT
1:1
100%

Артикул

Название

Примечание

Количество

1

REF

INSTRUCTION

VALVE control, see Figure 188

1шт.

2

218-5137

ELBOW,45 Degree Elbow, 7/8" - 14 Male JIC x 7/8" - 14 Male ORB

2шт.

3

237-6010

O-RING,0.097" Thk x 0.755" ID, -910, Cl 6, 90 Duro

1шт.

4

D53371

TUBE

1шт.

5

E33001

TUBE

1шт.

6

A14078

CLAMP

2шт.

7

E16678

NUT

SPARE PART hex

2шт.

8

E16677

WASHER

lock

1шт.

9

D23030

HOSE

2шт.

10

E33003

TUBE

1шт.

11

E33004

TUBE

1шт.

12

218-457

HYD CONNECTOR,7/8" - 14 Male JIC x 3/4" - 14 Male NPTF

4шт.

13

D53480

VALVE

ASSY., see Figure 100

2шт.

14

218-555

TEE,7/8"-14, 37 Degree x 1/2"-14, NPTF Br

TEE

1шт.

15

36272

HOSE

1шт.

16

221-414

FITTING,90 Degree, 1/2"-14, NPT

ELBOW

1шт.

17

D53369

TUBE

1шт.

18

D53367

TUBE

1шт.

19

A14078

CLAMP

1шт.

20

E16678

NUT

SPARE PART hex

1шт.

21

E16677

WASHER

lock

1шт.

22

E16685

BOLT (SPREADER)

hex

1шт.

23

A14078

CLAMP

1шт.

24

13-524

BOLT,Hex, 5/16" - 18 x 1-1/2", Gr 5

If used

1шт.

13-622

BOLT,Hex, 3/8" - 16 x 1-3/8", Gr 5

If used

1шт.

25

92-5

LOCK WASHER,5/16"

if used

1шт.

92-6

LOCK WASHER,3/8"

if used

1шт.

26

D33552

BUSHING

SPACER

1шт.

27

A14078

CLAMP

2шт.

28

E16678

NUT

SPARE PART hex

2шт.

29

E16677

WASHER

lock

2шт.

30

218-484

ELBOW,90 Degree Elbow, 3/4" - 16 Male JIC x 3/8" - 18 Male NPTF

ELBOW

2шт.

31

E17094

HOSE

upper

2шт.

32

218-444

HYD CONNECTOR,3/4" - 16 Male JIC x 3/8" - 18 Male NPTF

REDUCER

2шт.

33

E17891

HOSE

lower

2шт.

34

218-5106

90 ELBOW,90 Degree Elbow, 3/4" - 16 Male JIC x 3/4" - 16 Male ORB

2шт.

34a

218-5

O-RING

1шт.

35

E17093

HOSE

2шт.

36

218-444

HYD CONNECTOR,3/4" - 16 Male JIC x 3/8" - 18 Male NPTF

REDUCER

2шт.

37

E17092

HOSE

2шт.

38

E18336

PIPE

TUBE

1шт.

39

E18337

TUBE

1шт.

40

A14078

CLAMP

2шт.

41

E16678

NUT

SPARE PART hex

2шт.

42

E16677

WASHER

lock

2шт.

43

D57062

RESTRICTOR

1шт.

44

A14078

CLAMP

2шт.

45

E16678

NUT

SPARE PART hex

2шт.

46

E16677

WASHER

lock

2шт.

47

D33552

BUSHING

SPACER

2шт.

48

T40284

TUBE

2шт.

49

E16723

BRACKET

SUPPORT

1шт.

50

13-514

BOLT,Hex, 5/16" - 18 x 7/8", Gr 5

1шт.

92-5

LOCK WASHER,5/16"

1шт.

9635082

NUT,5/16" - 18, Gr 5

1шт.

51

E16685

BOLT (SPREADER)

hex

1шт.

E16677

WASHER

lock

1шт.

E16678

NUT

SPARE PART hex

1шт.

52

A14078

CLAMP

CLIP

1шт.

53

221-13

PLUG,Sq Hd, 3/8"-18

2шт.

54

214-265

HOSE CLAMP,#56, 3.06" - 4", Type F Worm

2шт.

55

E17873

TUBE

HOSE

2шт.

56

218-444

HYD CONNECTOR,3/4" - 16 Male JIC x 3/8" - 18 Male NPTF

RESTRICTOR

2шт.

Выбрано товаров: 63