Запчасти Case IH 1530 (006) - WISCONSIN GASOLINE ENGINE (02) - ENGINE

Схема запчастей Case IH 1530 - (006) - WISCONSIN GASOLINE ENGINE (02) - ENGINE
FIT
1:1
100%

Артикул

Название

Примечание

Количество

1

REF

INSTRUCTION

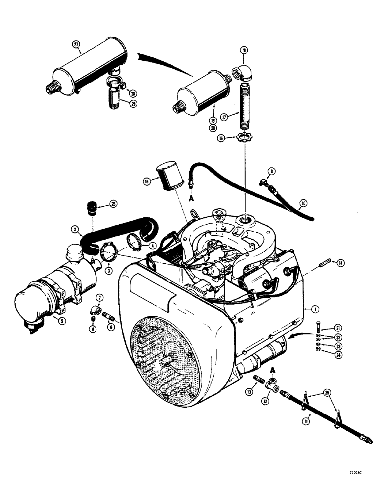
ENGINE - 30 H.P. VHD Wisconsin Spec. #342940

1шт.

Refer to Wisconsin Engine Model for engine service and parts including starters and generators.

1шт.

2

D52846

INTAKE AIR HOSE,1.56" ID, 2.06" ID x 8.50", SAE 10R4 Class SC

1.56" ID, 2.06" ID x 8.50", SAE 10R4 Class SC

1шт.

3

214-258

HOSE CLAMP,#28, 1.31" - 2.25", Type F Worm

- hose to engine #28, 1.31/2.25 Type F Worm

1шт.

4

214-260

HOSE CLAMP,#36, 1.81" - 2.75", Type F Worm

- hose to air cleaner #36, 1.81/2.75 Type F Worm

1шт.

5

REF

INSTRUCTION

AIR CLEANER - see Fig. 008 and 010

1шт.

6

221-164

FITTING,Nipple, 3/8" NPT x 2"

NIPPLE - pipe (3/8" NPT x 2")

1шт.

7

221-376

ELBOW,90 Degree, 3/8" NPT

- pipe, 90 degrees (3/8" NPT)

1шт.

8

221-33

OILER FABRIC,Sq Soc, 3/8"-18 NPTF

PLUG - pipe sq. hd. (3/8" NPT)

1шт.

9

218-532

ELBOW,45 Degree, 1/2-20" 37 Degree x 1/8"-27, NPTF

- male, 45 degrees

1шт.

10

T40321

HOSE - fuel line

1шт.

11

D53484

HOSE

- fuel equalizer (29" long)

1шт.

12

221-422

TEE,Pipe, 1/4" NPT

- pipe

1шт.

13

221-134

NIPPLE, LUBE

NIPPLE - pipe (1/4" NPT x 1-1/2")

1шт.

14

A26494

KEY - 3/8" square x 2"

1шт.

15

T40475

FILTER, ENGINE OIL

FILTER - engine oil

1шт.

16

223-204

LOCK NUT - 1-1/4" threads

1шт.

17

221-270

FITTING

NIPPLE - pipe (1-1/4" NPT x 6")

1шт.

18

221-380

ELBOW,90 Degree, 1 1/4" NPT

- pipe, 90 degrees (1-1/4" NPT)

1шт.

19

T41639

MUFFLER

- standard

1шт.

20

T40659

MUFFLER - spark arresting, early production

1шт.

21

13-840

BOLT,Hex, 1/2" - 13 x 2-1/2", Gr 5

HHCS - 1/2" - 13 NF x 2-1/2"

4шт.

22

195-33

WASHER,1/2"

- flat () 1/2"

8шт.

23

92-8

LOCK WASHER,1/2"

4шт.

24

25-108

NUT,1/2"-13, G5

- hex. (1/2" - 13 NF)

4шт.

25

L11541

CABLE TIE,203.2mm L, Nylon

STRAP

2шт.

26

A59569

INDICATOR

- air restrictor

1шт.

27

D55078

MUFFLER - spark arresting, late production, Includes: Ref. 28

1шт.

28

214-270

HOSE CLAMP,#76, 4.31" - 5.25", Type F Worm

CLAMP - muffler

1шт.

29

D55081

PIPE - exhaust, D55078 spark arresting muffler

1шт.

Выбрано товаров: 30