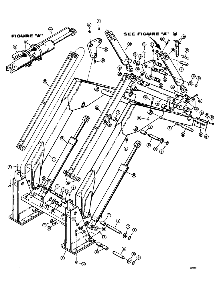
Запчасти Case IH 1530 (062) - LOADER LIFT FRAME AND RELATED PARTS SELF LEVELING, USED BEFORE SERIAL NO. 9818251 (09) - CHASSIS/ATTACHMENTS

Схема запчастей Case IH 1530 - (062) - LOADER LIFT FRAME AND RELATED PARTS SELF LEVELING, USED BEFORE SERIAL NO. 9818251 (09) - CHASSIS/ATTACHMENTS
FIT
1:1
100%

Артикул

Название

Примечание

Количество

1

D53968

ARM

Loader lift (Use D16680 kit includes - items (1A, 4, 5, 6, 12, 13 and 24 on Figure 063C)

1шт.

2

D95342

BUSHING

Lift arm at upright, Includes Ref. 2 - 4

4шт.

3

D95351

SPARE PART Lift arm at lift cylinder

4шт.

4

D95341

BUSHING

Lift arm at speed change bar

4шт.

5

219-1

LUBE NIPPLE,1/8" - 27 NPTF

Straight (1/8" NPT) Early production has 4 fittings at lift cylinder

24шт.

6

D53178

SPARE PART Loader, Serial Range: arm-frame

2шт.

7

195-2125

WASHER,1 5/16" x 2" x .109"

Flat

4шт.

8

D26918

SNAP RING,#125, Ext

4шт.

9

D54696

FRAME - upright (Use D16654 kit - includes items 7 and (2) each of items 12, 13 and 14 on Figure 063C), Includes: Ref. 10 - 12

1шт.

10

D95351

SPARE PART Lift cylinder (Used with grease fittings)

4шт.

10

D55457

SPARE PART Lift cylinder (Used with grease fitting)

4шт.

11

D53031

BUSHING

Mounting, leveling link

4шт.

12

D33827

BUSHING,31.98mm ID x 41.27mm OD x 31.8mm L

Mounting, lift arm

4шт.

13

14-1036

BOLT,Hex, 5/8" - 18 x 2-1/4", Gr 5

12шт.

14

131-676

LOCK NUT,5/8"-11, GB

Hex (5/8"-18 NF)

12шт.

15

D53175

PIN

SPARE PART Lift, Serial Range: cylinder-frame

2шт.

16

195-2105

WASHER,1 1/16" x 1 3/4" x .065"

Flat (1")

4шт.

16a

D57073

SPARE PART Lift cylinders

4шт.

17

D25277

SNAP RING,23.5mm ID x 2.62mm Thk

Retaining

4шт.

18

REF

INSTRUCTION

CYLINDER - lift (See Figs. 132 and 134 for cylinders)

2шт.

19

D53778

SPARE PART Cylinder to lift arm

2шт.

20

195-2105

WASHER,1 1/16" x 1 3/4" x .065"

Flat (1")

4шт.

21

D25277

SNAP RING,23.5mm ID x 2.62mm Thk

Retaining

4шт.

22

D95481

AXLE PIN

Level, Serial Range: linkage-frame

2шт.

23

195-2105

WASHER,1 1/16" x 1 3/4" x .065"

Flat (1")

4шт.

24

D25277

SNAP RING,23.5mm ID x 2.62mm Thk

Retaining

4шт.

25

D54061

SPARE PART Leveling, Includes Ref. 26

2шт.

26

D53031

BUSHING

Link

4шт.

27

D95481

AXLE PIN

Leveling, Serial Range: linkage-bellcrank

2шт.

28

195-2105

WASHER,1 1/16" x 1 3/4" x .065"

Flat (1")

4шт.

29

D25277

SNAP RING,23.5mm ID x 2.62mm Thk

Retaining

4шт.

30

D55800

ARM ASSY.

BELLCRANK - self-leveling, Includes Ref. 31 - 32

2шт.

31

D53031

BUSHING

At cylinder and link mounting

4шт.

32

D34818

BUSHING,25.63mm ID x 34.92mm OD x 19.05mm L

At loader arm

2шт.

33

219-40

LUBE NIPPLE,65 Degree Elbow, 1/8" - 27 NPTF

2шт.

34

13-636

BOLT,Hex, 3/8" - 16 x 2-1/4", Gr 5

2шт.

35

D55006

PIN

Bellcrank to loader arm

2шт.

36

131-352

LOCK NUT,3/8"-16, GA

Hex

2шт.

37

D53180

SPARE PART Bellcrank to bucket cylinder

2шт.

38

13-636

BOLT,Hex, 3/8" - 16 x 2-1/4", Gr 5

2шт.

39

131-352

LOCK NUT,3/8"-16, GA

Hex

2шт.

40

REF

INSTRUCTION

CYLINDER - bucket (See Fig. 140 for cylinders)

2шт.

41

D53544

SPARE PART

GAUGE - bucket position

1шт.

42

D38648

BLOCK

SADDLE - rubber

2шт.

43

214-267

HOSE CLAMP,#64, 3.56" - 4.5", Type F Worm

2шт.

44

D53547

ROD

Bucket indicator

1шт.

45

D53179

PIN

Tilt cylinder to attachment bar

2шт.

46

D55518

PIN

Attachment bar to loader arm

2шт.

47

13-636

BOLT,Hex, 3/8" - 16 x 2-1/4", Gr 5

4шт.

48

131-352

LOCK NUT,3/8"-16, GA

Hex

4шт.

49

D55487

BAR

Attachment

1шт.

50

T41081

PIN

Quick hitch, Includes Ref. 50A

2шт.

50a

138-46

SPARE PART 1/4" dia. x 3" 3/32" x 1 1/8", Slotted

1шт.

51

T40222

SPLIT PIN/SAFETY PIN

Hair

2шт.

52

13-620

BOLT,Hex, 3/8" - 16 x 1-1/4", Gr 5, Full Thd

4шт.

53

92-6

LOCK WASHER,3/8"

4шт.

54

D54006

SHIM,.058" Thk

1шт.

55

D54005

SHIM,.109" Thk

1шт.

56

219-36

LUBE NIPPLE,45 Degree Elbow, 1/8" - 27 NPTF

2шт.

Выбрано товаров: 59