Запчасти Case IH 1530 (124) - CASTER WHEEL (09) - CHASSIS/ATTACHMENTS

Схема запчастей Case IH 1530 - (124) - CASTER WHEEL (09) - CHASSIS/ATTACHMENTS
FIT
1:1
100%

Артикул

Название

Примечание

Количество

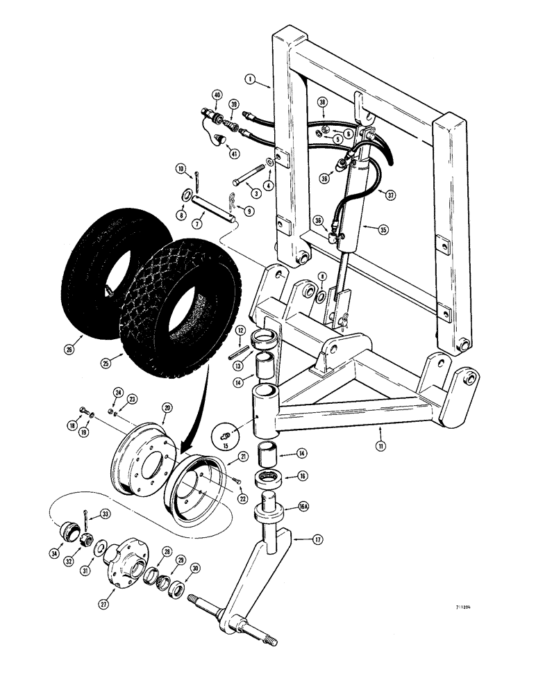
1

D53141

SPARE PART Mounting, caster wheel

1шт.

2

RESERVED

1шт.

3

113-429

BOLT,Hex, 1/2" - 13 x 5", Gr 5

4шт.

4

195-533

WASHER,1/2", SAE

4шт.

5

192-23

LOCK WASHER,1/2"

4шт.

6

129-105

NUT,Hex, 1/2" - 13, Gr 5

4шт.

7

D53165

SPARE PART Special, mounting

2шт.

8

195-553

WASHER,1", SAE

WASHER - plain (1-1/16")

4шт.

9

136-251

HAIR PIN COTTER,Int, 7/16" x .177"

Hair

2шт.

10

132-95

COTTER PIN,3/16" x 1 1/2"

2шт.

11

D53149

SPARE PART Caster wheel

1шт.

12

138-145

LOCK PIN,1/4" x 2 3/4", Slotted

1шт.

13

D53167

SPARE PART Yoke, caster wheel

1шт.

14

D53166

SPARE PART Pivot

2шт.

15

219-1

LUBE NIPPLE,1/8" - 27 NPTF

Straight (1/8" NPT)

1шт.

16

A27602

THRUST BEARING,2.041" ID x 2.9475" OD x 0.635"

1шт.

16a

D54515

SPARE PART Thrust bearing

1шт.

17

D53161

SPARE PART Caster bearing

1шт.

18

114-409

BOLT,Hex, 1/2" - 20 x 1", Gr 5, Full Thd

8шт.

19

192-23

LOCK WASHER,1/2"

8шт.

20

D53930

RIM

WHEEL Outer half, with valve hole

2шт.

21

D53931

RIM

WHEEL Inner half

2шт.

22

113-206

BOLT,Hex, 3/8" - 16 x 3/4", Gr 5, Full Thd

8шт.

23

192-21

LOCK WASHER,3/8"

8шт.

24

129-103

NUT,Hex, 3/8" - 16, Gr 5

8шт.

25

REF

INSTRUCTION

TIRE - 4 ply (4.80/4.00 x 8")

2шт.

26

REF

INSTRUCTION

TUBE - inner (4.80/4.00 x 8")

2шт.

T27808

SPARE PART ASSEMBLY - caster wheels, Includes Ref. 27 - 28

2шт.

27

NSS

NOT SOLD SEPARAT

HUB - caster wheel

1шт.

28

D29267

BEARING CUP,1.98" OD x 0.42"

Bearing

2шт.

29

D53168

TAPERED BEARING

CONE

4шт.

30

T27809

SEAL

Hub

2шт.

31

195-45

WASHER,3/4"

2шт.

32

25-1312

SLOTTED NUT,3/4"-16, G5

Hex

2шт.

33

132-71

COTTER PIN,5/32" x 1 1/4"

2шт.

34

T27814

CAP

Hub

2шт.

35

REF

INSTRUCTION

CYLINDER ASSEMBLY - rear (See Figs. 150 and 152 for cylinders)

1шт.

36

217-1016

ELBOW,3/8" - 18 Female x 3/8" - 18 Male

Street

2шт.

37

T42064

HOSE ASSY.

Hydraulic, lift (42" long)

1шт.

38

T42063

HOSE

Hydraulic, lower (32" long)

1шт.

39

T41332

COUPLING, BREAK AWAY

Male

2шт.

40

T40265

COUPLING, BREAK AWAY

Female

2шт.

41

T40274

CAP

CAP - Dust

2шт.

Выбрано товаров: 43