Запчасти Case IH 1700-SERIES (238) - LOADER LIFT CYLINDER USED BEFORE TRACTOR SERIAL NUMBER 9818188 (35) - HYDRAULIC SYSTEMS

Схема запчастей Case IH 1700-SERIES - (238) - LOADER LIFT CYLINDER USED BEFORE TRACTOR SERIAL NUMBER 9818188 (35) - HYDRAULIC SYSTEMS
FIT
1:1
100%

Артикул

Название

Примечание

Количество

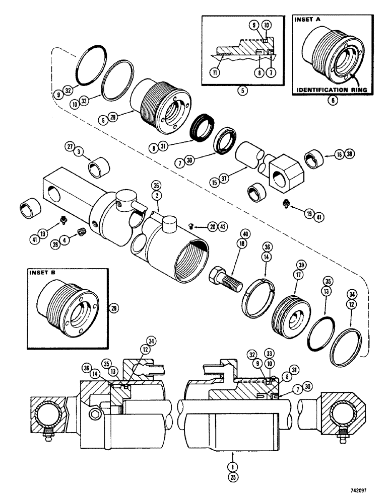
1

G33754

CYLINDER

- lift, 3" dia. x 28" stroke, G33754, Includes: Ref. 2 - 20

2шт.

2

G32936

TUBE,2.996" ID x 38.03" L

- cylinder, G33754, Includes: Ref. 3

1шт.

3

G32938

BUSHING

- 1 x 1-1/4 x 7/8", G33754

2шт.

4

221-663

PLUG,Hex Hd, 3/8"-18

- 3/8" P.T. hex., sckt. hd., G33754

2шт.

5

G33485

GLAND

ASSEMBLY, G33754 has identification ring, Includes: Ref. 6 - 11

1шт.

6

NSS

NOT SOLD SEPARAT

GLAND - see inset A, G33754 has identification ring

1шт.

7

D95142

WIPER SEAL,1.5" ID x 2" OD x 0.31" Thk

WIPER - piston rod, outer, 1-1/2" x 2" x 5/16", G33754

1шт.

Part of Cylinder Repair Seal Kit P/N G32269

1шт.

8

D36969

CUP

SEAL - piston rod, 1-1/2" x 2" x 13/32", G33754

1шт.

Part of Cylinder Repair Seal Kit P/N G32269

1шт.

9

A30095

O-RING,0.139" Thk x 2.984" ID, -234, Cl 5, 75 Duro

"O" RING - 3" x 3-1/4" x 1/8", G33754

1шт.

Part of Cylinder Repair Seal Kit P/N G32269

1шт.

10

G32122

BACK-UP RING,75.82mm ID x 81.92mm OD x 1.4mm Thk

- "O" ring back-up, G33754

1шт.

Part of Cylinder Repair Seal Kit P/N G32269

1шт.

11

D27706

WIPER SEAL

WIPER - piston rod, inner (If used), G33754

1шт.

12

G32034

RING

- piston seal, 2-7/8 x 3 x 5/32" teflon, G33754

1шт.

Part of Cylinder Repair Seal Kit P/N G32269

1шт.

13

A28318

O-RING,0.139" Thk x 2.484" ID, -230, Cl 5, 75 Duro

"O" RING - 2-1/2 x 2-3/4 x 1/8", G33754

1шт.

Part of Cylinder Repair Seal Kit P/N G32269

1шт.

14

G32033

RING

- piston wear, G33754

1шт.

Part of Cylinder Repair Seal Kit P/N G32269

1шт.

15

G33755

ROD

- piston, 1-1/2" dia., G33754, Includes: Ref. 16

1шт.

16

G32050

BUSHING,25.63mm ID x 31.85mm OD x 15.75mm L

- 1 x 1-1/4 x 5/8", G33754

2шт.

17

G33747

PISTON

- cylinder, G33754

1шт.

18

28-1232

BOLT,Hex, 3/4" - 16 x 2", Gr 8

1шт.

19

219-1

LUBE NIPPLE,1/8" - 27 NPTF

FITTING - grease, straight (1/8" NPT), G33754

2шт.

20

187-1031

SELF-TAP SCREW,Pan, 0.164"-32 x 1/4"

SCREW - self-tapping, #8 - 32 x 1/4"

1шт.

G32269

KIT

- seal, cylinder repair, Includes: Ref. 7, 8, 9, 10, 12, 13 and 14, G33754

1шт.

21

RESERVED

1шт.

22

RESERVED

1шт.

23

RESERVED

1шт.

24

RESERVED

1шт.

25

G32935

HYDRAULIC CYLINDER

CYLINDER - lift, 3" dia. x 28" stroke, G32935 loader , Includes: Ref. 26 - 42

2шт.

26

TG32936

TUBE - cylinder, G32935 loader lift, Includes: Ref. 27

1шт.

27

G32938

BUSHING

- tube end (1 X 1-1/4 x 7/8"), G32935 loader lift cylinder

2шт.

28

221-663

PLUG,Hex Hd, 3/8"-18

- tube, 3/8" P.T., hex. sckt. hd., G32935 loader lift cylinder

2шт.

G32797

GLAND

ASSEMBLY, G32935 loader lift cylinder, has no identification ring, Includes: Ref. 29 - 33

1шт.

29

G32044

GLAND

- cylinder, see inset B, G32935 loader lift, has no identification ring

1шт.

30

D95142

WIPER SEAL,1.5" ID x 2" OD x 0.31" Thk

WIPER - piston rod, G32935 loader lift cylinder

1шт.

Part of Cylinder Repair Seal Kit P/N G32269

1шт.

31

D36969

CUP

SEAL - piston rod, "U" cup, G32935 loader lift cylinder

1шт.

Part of Cylinder Repair Seal Kit P/N G32269

1шт.

32

A30095

O-RING,0.139" Thk x 2.984" ID, -234, Cl 5, 75 Duro

"O" RING - gland (3 x 3-1/4 x 1/8"), G32935 loader lift cylinder

1шт.

Part of Cylinder Repair Seal Kit P/N G32269

1шт.

33

G32122

BACK-UP RING,75.82mm ID x 81.92mm OD x 1.4mm Thk

- "O" ring back-up, G32935 loader lift cylinder

1шт.

Part of Cylinder Repair Seal Kit P/N G32269

1шт.

34

G32034

RING

- seal, piston, G32935 loader lift cylinder

1шт.

Part of Cylinder Repair Seal Kit P/N G32269

1шт.

35

A28318

O-RING,0.139" Thk x 2.484" ID, -230, Cl 5, 75 Duro

"O" RING - piston (2-1/2 x 2-3/4 x 1/8"), G32935 loader lift cylinder

1шт.

Part of Cylinder Repair Seal Kit P/N G32269

1шт.

36

G32033

RING

- wear, piston, G32935 loader lift cylinder

1шт.

Part of Cylinder Repair Seal Kit P/N G32269

1шт.

37

G32940

ROD ASSY.

ROD - piston, 1-1/2" dia., G32935 loader lift cylinder, Includes: Ref. 38

1шт.

38

G32050

BUSHING,25.63mm ID x 31.85mm OD x 15.75mm L

- piston rod (1 x 1-1/4 x 5/8"), G32935 loader lift cylinder

2шт.

39

G32032

PISTON

- cylinder, G32935 loader lift

1шт.

40

28-1232

BOLT,Hex, 3/4" - 16 x 2", Gr 8

1шт.

41

219-1

LUBE NIPPLE,1/8" - 27 NPTF

FITTING - grease, straight (1/8" NPT), G32935 loader lift cylinder

2шт.

42

187-1031

SELF-TAP SCREW,Pan, 0.164"-32 x 1/4"

SCREW - self-tapping, #8 - 32 NC x 1/4"

1шт.

G32269

KIT

- seal, cylinder repair, Includes: Ref. 30, 31, 32, 33, 34, 35 and 36, G32935 loader lift

1шт.

Выбрано товаров: 59