Запчасти Case IH 1700-SERIES (086) - HORN AND LIGHTS (55) - ELECTRICAL SYSTEMS

Схема запчастей Case IH 1700-SERIES - (086) - HORN AND LIGHTS (55) - ELECTRICAL SYSTEMS
FIT
1:1
100%

Артикул

Название

Примечание

Количество

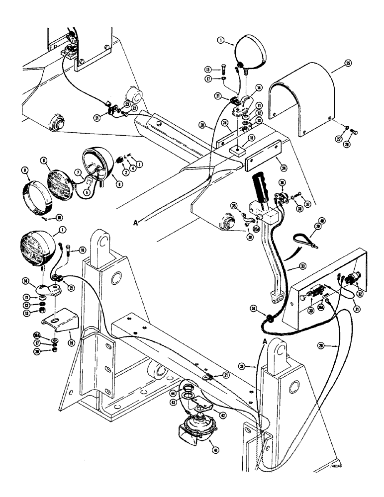
1

F82077

LAMP BASE

Head and rear flood, Includes: Ref. 2 - 10

3шт.

2

B50293

TERMINAL CONNECTOR

TERMINAL ASSEMBLY - lamp, Includes: Ref. 3 - 5

1шт.

3

173-73

SCREW,Sl Rnd Hd, #8 - 32 x 1/4"

Terminal

2шт.

4

193-4

LOCK WASHER,Ext Tooth, 0.145" ID x 0.318" OD, STL, PLN

2шт.

5

10927

SPRING

SPARE PART Terminal

1шт.

6

NSS

NOT SOLD SEPARAT

BODY - lamp

1шт.

7

A40033

ELECTRICAL WIRE

WIRE Lamp

2шт.

8

A24572

LAMP

SEALED BEAM

1шт.

9

B50255

MOLDING

Lamp

1шт.

10

10934

BRACKET,Rd Hd, #8 - 32 x 0.625", Stainless

SCREW - moulding

1шт.

11

10923

WASHER

Concave

3шт.

12

92-8

LOCK WASHER,1/2"

3шт.

13

25-108

NUT,1/2"-13, G5

3шт.

14

A34046

BRACKET

Lamp

3шт.

15

13-620

BOLT,Hex, 3/8" - 16 x 1-1/4", Gr 5, Full Thd

(Front brackets)

2шт.

16

13-628

BOLT,Hex, 3/8" - 16 x 1-3/4", Gr 5

(Rear bracket)

1шт.

16

A195-25

WASHER - plain (3/8")

1шт.

17

92-6

LOCK WASHER,3/8"

3шт.

18

D54450

SPARE PART Tapped, front light (Welds in place)

2шт.

19

T41732

SPARE PART Rear light (Welds in place)

1шт.

20

25-106

NUT,3/8"-16, G5

1шт.

21

49851

SHIELD

Wire

5шт.

22

13-612

BOLT,Hex, 3/8" - 16 x 3/4", Gr 5, Full Thd

1шт.

23

92-6

LOCK WASHER,3/8"

1шт.

24

D54451

SPARE PART Tapped (Welds in place)

4шт.

25

D54449

SPARE PART Front lights

2шт.

26

13-612

BOLT,Hex, 3/8" - 16 x 3/4", Gr 5, Full Thd

8шт.

27

92-6

LOCK WASHER,3/8"

8шт.

28

D54483

SPARE PART Wiring, lights

1шт.

29

L11541

CABLE TIE,203.2mm L, Nylon

CABLE STRAP Wire harness, lights, Includes: Ref. 30A

13шт.

30

T41560

SWITCH

Light, push pull

1шт.

30a

223-10

FUSE,10 Amp, Type 3AG

1шт.

31

D54480

SPARE PART Jumper, lights

1шт.

32

REF

INSTRUCTION

SWITCH - starter (See Figures 080 or 082 for instrument panel parts)

1шт.

33

T41558

SPARE PART Wiring, horn

1шт.

34

L10082

GROMMET

Wire

1шт.

35

T41906

SPARE PART Horn, button

1шт.

35a

G11271

SPACER

Horn

2шт.

36

T41556

BUTTON

Horn

1шт.

37

173-205

X

RHMS - #10 - 24 NC x 5/8"

2шт.

38

193-26

LOCK WASHER,Int Tooth, #10

2шт.

39

129-17

NUT,Hex, #10 - 24

1шт.

40

L11541

CABLE TIE,203.2mm L, Nylon

CABLE STRAP Wire harness, horn

8шт.

41

A19581

HORN

12 volt

1шт.

42

T42642

SPARE PART Horn

1шт.

43

193-36

LOCK WASHER,Int Tooth, 7/8"

1шт.

44

L30866

LOCK NUT

Special, horn retaining

1шт.

Выбрано товаров: 47