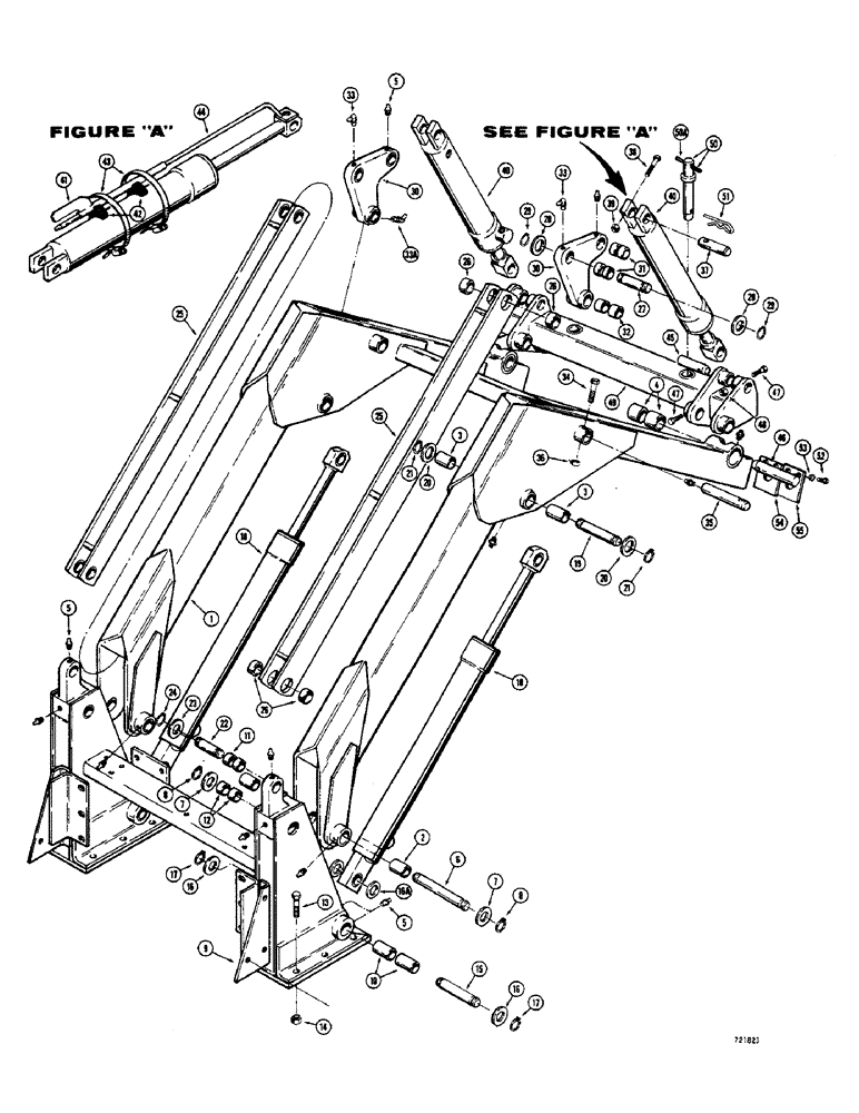
Запчасти Case IH 1700-SERIES (142) - LOADER LIFT FRAME AND RELATED PARTS, USED BEFORE SERIAL NO. 9818251 (82) - FRONT LOADER & BUCKET

Схема запчастей Case IH 1700-SERIES - (142) - LOADER LIFT FRAME AND RELATED PARTS, USED BEFORE SERIAL NO. 9818251 (82) - FRONT LOADER & BUCKET
FIT
1:1
100%

Артикул

Название

Примечание

Количество

1

D53968

ARM

Loader lift (Use D16680 kit - items 1A, 4, 5, 6, 12, 13 and 14 page 145A), Including Ref. 2 - 4

1шт.

2

D95342

BUSHING

Lift arm at upright

4шт.

3

D95351

SPARE PART Lift arm at lift cylinder

4шт.

4

D95341

BUSHING

Lift arm at speed change bar

4шт.

5

219-1

LUBE NIPPLE,1/8" - 27 NPTF

Straight (1/8" NPT), 1737 and 1740 models only (Early production has 4 fittings at lift cyl. pivot)

24шт.

6

D53179

PIN

Loader arm to D53234 frame

2шт.

7

195-2125

WASHER,1 5/16" x 2" x .109"

4шт.

8

D26918

SNAP RING,#125, Ext

4шт.

9

D53234

FRAME

Upright, 1737, 1737S and 1740 (Use D16653 kit item 7, 12, 13 and 14 page 145A), Including Ref. 10 - 12

1шт.

10

D95351

SPARE PART D53234 frame (Use with grease fittings)

4шт.

10

D55457

SPARE PART D53234 frame (Used without grease fittings)

4шт.

11

D53031

BUSHING

Leveling link

4шт.

12

D33827

BUSHING,31.98mm ID x 41.27mm OD x 31.8mm L

Left arm

4шт.

13

14-1036

BOLT,Hex, 5/8" - 18 x 2-1/4", Gr 5

HHCS - 5/8"-18 NF x 2-1/2"

12шт.

14

131-676

LOCK NUT,5/8"-11, GB

NUT - hex., lock (5/8"-18 NF)

12шт.

15

D53175

PIN

SPARE PART Lift, Serial Range: cylinder-frame

2шт.

16

195-2105

WASHER,1 1/16" x 1 3/4" x .065"

WASHER - flat (1")

4шт.

16a

D57073

SPARE PART Cylinder

4шт.

17

D25277

SNAP RING,23.5mm ID x 2.62mm Thk

Retaining

4шт.

18

REF

INSTRUCTION

CYLINDER - lift (See page 228 for cylinders)

2шт.

19

D53778

SPARE PART Cylinder to lift arm

2шт.

20

195-2105

WASHER,1 1/16" x 1 3/4" x .065"

WASHER - flat (1")

4шт.

21

D25277

SNAP RING,23.5mm ID x 2.62mm Thk

Retaining

4шт.

22

D95481

AXLE PIN

Level, Serial Range: linkage-frame

2шт.

23

195-2105

WASHER,1 1/16" x 1 3/4" x .065"

WASHER - flat (1")

4шт.

24

D25277

SNAP RING,23.5mm ID x 2.62mm Thk

Retaining

4шт.

25

D54061

SPARE PART Leveling, Including Ref. 26

2шт.

26

D53031

BUSHING

Link

4шт.

27

D95481

AXLE PIN

Leveling, Serial Range: linkage-bellcrank

2шт.

28

195-2105

WASHER,1 1/16" x 1 3/4" x .065"

WASHER - flat (1")

4шт.

29

D25277

SNAP RING,23.5mm ID x 2.62mm Thk

Retaining

4шт.

30

D55800

ARM ASSY.

BELLCRANK - self-leveling, Including Ref. 31 - 32

2шт.

31

D53031

BUSHING

At cylinder and link mounting

4шт.

32

D34818

BUSHING,25.63mm ID x 34.92mm OD x 19.05mm L

At loader arm

2шт.

33

219-40

LUBE NIPPLE,65 Degree Elbow, 1/8" - 27 NPTF

1737 and 1740 models only

2шт.

33a

219-36

LUBE NIPPLE,45 Degree Elbow, 1/8" - 27 NPTF

1737 and 1740 models only

2шт.

34

13-636

BOLT,Hex, 3/8" - 16 x 2-1/4", Gr 5

2шт.

35

D55006

PIN

Bellcrank to loader arm

2шт.

36

131-352

LOCK NUT,3/8"-16, GA

2шт.

37

D53180

SPARE PART Bellcrank to dump cylinder

2шт.

38

13-636

BOLT,Hex, 3/8" - 16 x 2-1/4", Gr 5

2шт.

39

131-352

LOCK NUT,3/8"-16, GA

2шт.

40

REF

INSTRUCTION

CYLINDER - bucket (See page 228 for cylinders)

2шт.

41

D57295

GAUGE

Bucket position

1шт.

42

D38648

BLOCK

SADDLE - rubber

2шт.

43

214-267

HOSE CLAMP,#64, 3.56" - 4.5", Type F Worm

2шт.

44

D53547

ROD

Bucket indicator

1шт.

45

D53179

PIN

Tilt cylinder to attachment bar

2шт.

46

D55518

PIN

Attachment bar to loader arm

2шт.

47

13-636

BOLT,Hex, 3/8" - 16 x 2-1/4", Gr 5

4шт.

48

131-352

LOCK NUT,3/8"-16, GA

4шт.

49

D55487

BAR

Attachment

1шт.

50

T41081

PIN

Quick hitch, Including Ref. 50A

2шт.

50a

138-46

SPARE PART ROLL PIN - 1/4" dia. x 3" 3/32" x 1 1/8", Slotted

1шт.

51

T40222

SPLIT PIN/SAFETY PIN

2шт.

52

13-620

BOLT,Hex, 3/8" - 16 x 1-1/4", Gr 5, Full Thd

4шт.

53

92-6

LOCK WASHER,3/8"

4шт.

54

D54006

SHIM,.058" Thk

1шт.

55

D54005

SHIM,.109" Thk

1шт.

Выбрано товаров: 59