Запчасти Case IH 1700-SERIES (212) - ANGLE BROOMS (89) - TOOLS

Схема запчастей Case IH 1700-SERIES - (212) - ANGLE BROOMS (89) - TOOLS
FIT
1:1
100%

Артикул

Название

Примечание

Количество

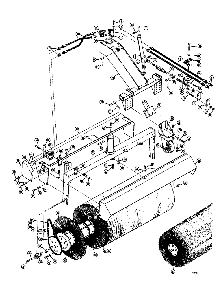
1

T42290

SPARE PART BLOCK - hydraulic cushion

1шт.

2

13-512

BOLT,Hex, 5/16" - 18 x 3/4", Gr 5

2шт.

3

92-5

LOCK WASHER,5/16"

2шт.

4

T41973

SPARE PART Angle

1шт.

5

D55812

LINING

PIN - clevis

1шт.

6

D55811

CLIP

PIN - hair

2шт.

7

D55812

LINING

PIN - clevis

1шт.

8

D54490

HOSE ASSY.

Hydraulic (74" long)

2шт.

9

T41332

COUPLING, BREAK AWAY

Quick disconnect, male

2шт.

10

D54516

SPARE PART Retaining, bracket

1шт.

11

D54517

SPARE PART Retaining chain

1шт.

12

13-680

CAPSCREW,Hex, 3/8" - 16 x 5", Gr 5

4шт.

13

92-6

LOCK WASHER,3/8"

4шт.

14

25-106

NUT,3/8"-16, G5

4шт.

15

T42307

CHAIN (AG)

Retaining

1шт.

16

T41977

TURNBUCKLE

ASSEMBLY - complete

1шт.

17

T42289

LARGE PIN

PIN, LARGE Clevis, 1/2" x 1-3/4"

1шт.

18

132-48

COTTER PIN,1/8" x 1"

1шт.

19

T41978

MOUNTING - caster bracket

2шт.

20

T42302

BRACKET

Caster mounting

2шт.

21

13-816

BOLT,Hex, 1/2" - 13 x 1", Gr 5, Full Thd

8шт.

22

92-8

LOCK WASHER,1/2"

8шт.

23

95-8

WASHER,1/2"

8шт.

24

T41979

CASTER

ASSEMBLY - complete

2шт.

25

13-820

BOLT,Hex, 1/2" - 13 x 1-1/4", Gr 5, Full Thd

HHCS - 1/2" - 13 NC x 1"

8шт.

26

92-8

LOCK WASHER,1/2"

8шт.

27

25-108

NUT,1/2"-13, G5

8шт.

28

NSS

NOT SOLD SEPARAT

HOOD - rear

1шт.

29

13-516

BOLT,Hex, 5/16" - 18 x 1", Gr 5

3шт.

30

13-512

BOLT,Hex, 5/16" - 18 x 3/4", Gr 5

4шт.

31

95-5

WASHER,3/8" x 7/8" x .083"

WASHER - plain, 5/16"

7шт.

32

92-5

LOCK WASHER,5/16"

7шт.

33

9635082

NUT,5/16" - 18, Gr 5

3шт.

34

T41980

SPACER

Shaft, short

1шт.

35

218-903

HYD CONNECTOR,1/2" NPT x 1/2"

ADAPTER - straight, adjustable

2шт.

36

T41971

HOSE ASSY.

Hydraulic

2шт.

37

221-1093

REDUCER,Hex, 3/4" x 1/2" NPT

Pipe

2шт.

38

T41981

BEARING

Shaft

2шт.

39

13-716

BOLT,Hex, 7/16" - 14 x 1", Gr 5

4шт.

40

92-7

LOCK WASHER,7/16"

4шт.

41

T41982

BUSHING

SPACER - shaft, long

1шт.

42

T41984

SPARE PART Drive

1шт.

43

13-616

BOLT,Hex, 3/8" - 16 x 1", Gr 5, Full Thd

6шт.

44

92-6

LOCK WASHER,3/8"

6шт.

45

B12501

LINK

Connecting, #40 chain

1шт.

REF

INSTRUCTION

CHAIN - roller (119 links, #40 chain) Use (2) B12470, (1) B12472, (1) B12501, (4) B12502, (4) B12503

1шт.

46

B12470

CHAIN (AG)

LINK - roller (50 links, #40 chain)

2шт.

47

B12472

CHAIN (AG)

LINK - roller (10 links, #40 chain)

1шт.

48

B12502

OFFSET LINK

#40 chain

4шт.

49

B12503

ROLLER

LINK, #40 chain

4шт.

50

RESERVED

1шт.

51

NSS

NOT SOLD SEPARAT

FRAME - broom

1шт.

52

T42306

AXLE PIN

Pivot, post

1шт.

53

132-91

COTTER PIN,3/16" x 1"

2шт.

54

T42304

SPARE PART Motor retainer

1шт.

55

T42303

SPARE PART Motor adjusting

1шт.

56

85-648

SCREW - set, sq. hd. (3/8" - 16 NC x 3")

1шт.

57

25-106

NUT,3/8"-16, G5

2шт.

58

T42305

SPARE PART Chain

1шт.

59

13-516

BOLT,Hex, 5/16" - 18 x 1", Gr 5

1шт.

60

13-512

BOLT,Hex, 5/16" - 18 x 3/4", Gr 5

1шт.

61

95-5

WASHER,3/8" x 7/8" x .083"

WASHER - plain, 5/16"

2шт.

62

92-5

LOCK WASHER,5/16"

2шт.

63

9635082

NUT,5/16" - 18, Gr 5

2шт.

64

83-56

SET SCREW,Hex Soc, 5/16"-18 x 3/8"

(5/16" - 18 NC x 1-3/8")

2шт.

65

T41987

DRIVE SPROCKET

Motor

1шт.

66

P2712S

SPARE PART Sprocket

1шт.

67

T41963

MOTOR, ELECTRIC

Hydraulic (Parts list Figure 224)

1шт.

68

13-728

BOLT,Hex, 7/16" - 14 x 1-3/4", Gr 5

4шт.

69

92-7

LOCK WASHER,7/16"

4шт.

70

25-107

NUT,7/16"-14, G5

4шт.

71

NSS

NOT SOLD SEPARAT

HOOD - front

1шт.

72

13-516

BOLT,Hex, 5/16" - 18 x 1", Gr 5

3шт.

73

13-512

BOLT,Hex, 5/16" - 18 x 3/4", Gr 5

3шт.

74

95-5

WASHER,3/8" x 7/8" x .083"

WASHER - plain, 5/16"

6шт.

75

92-5

LOCK WASHER,5/16"

6шт.

76

9635082

NUT,5/16" - 18, Gr 5

3шт.

77

T31049

SPARE PART Clip

2шт.

78

T41965

PIN

Mounting, adapter

2шт.

79

NSS

NOT SOLD SEPARAT

FRAME - yoke

1шт.

80

T42288

CLEVIS COUPLING

1/2" x 1-1/4"

1шт.

81

132-48

COTTER PIN,1/8" x 1"

1шт.

82

T41964

WASHER

RING - pivot, upper

1шт.

83

13-640

BOLT,Hex, 3/8" - 16 x 2-1/2", Gr 5

1шт.

84

92-6

LOCK WASHER,3/8"

1шт.

85

95-6

WASHER,3/8"

1шт.

86

D40236

CLAMP

1шт.

87

D33554

BUSHING

SPACER - hose clamp

1шт.

88

25-106

NUT,3/8"-16, G5

1шт.

89

13-624

BOLT,Hex, 3/8" - 16 x 1-1/2", Gr 5

3/8" - 16 NC x 1/2"

1шт.

90

92-6

LOCK WASHER,3/8"

1шт.

91

D54744

SPARE PART Clamp mounting (Standard arms only)

1шт.

92

T41967

SPARE PART CORE - brush, round (When stock is exhaused, use D54278 core), angle broom with keystrand core only

1шт.

93

D54278

SPARE PART Brush, round, angle broom with keystrand core only

1шт.

94

T41969

WHEEL

SPACER - brush, angle broom with keystrand core only

35шт.

95

T41986

CYLINDER END CAP

Angle broom with keystrand core only

1шт.

96

T41968

BRUSH

DISC, angle broom with keystrand core only

36шт.

97

T41966

BROOM - palmyra, angle with core only

1шт.

Выбрано товаров: 98