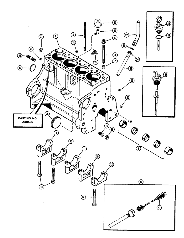
Запчасти Case IH 1700-SERIES (041A) - CYLINDER BLOCK, 188 DIESEL ENGINE, USED WITH CYLINDER HEAD STRUDS, USED PRIOR TO ENG. S/N 2711005 (10) - ENGINE

Схема запчастей Case IH 1700-SERIES - (041A) - CYLINDER BLOCK, 188 DIESEL ENGINE, USED WITH CYLINDER HEAD STRUDS, USED PRIOR TO ENG. S/N 2711005 (10) - ENGINE
FIT
1:1
100%

Артикул

Название

Примечание

Количество

A42814

CYLINDER BLOCK

BLOCK ASSY. - short (Casting No. A38535) (Incl. crankshaft & brgs., connecting rods & brgs., camshaft, piston assy., oil pump & timing gears) (Order A44703), Includes Ref: 1 - 24

1шт.

1

A41597

SKELETON ENGINE

BLOCK ASSY. - stripped (Casting No. A38535) (Order A44702), Includes Ref: 2 - 24

1шт.

2

G49608

RING

- dowel, head locating

2шт.

3

A36902

STUD

- cyl. head, 1/2" N.C. x 5-5/8"

11шт.

3

A36905

STUD

- cyl. head, 1/2" N.C. x 6"

2шт.

3

A36904

STUD

- cyl. head, 1/2" N.C. x 4"

4шт.

5

A36903

STUD

- cyl. head & cover

2шт.

6

A37030

FLANGE NUT

- cyl. head studs, 1/2" N.C. flanged

19шт.

8

A42746

CAM

BUSHING SET - camshaft

1шт.

9

A51057

CAP

- main bearing, rear (Replaces A38385)

1шт.

10

A51055

CAP

- main bearing, intermed. (Replaces G2128)

2шт.

11

A51056

CAP

- main bearing, center (Replaces G2127)

1шт.

12

A51054

CAP

- main bearing, front (Replaces G2126)

1шт.

13

26-872

BOLT,Hex, 1/2" - 13 x 4-1/2", Gr 8

- brg. caps, rear, intermediate & center (1/2 x 4-1/2" N.C. hex.)

8шт.

14

26-882

BOLT,Hex, 1/2" - 13 x 5-1/8", Gr 8

- front brg. cap & oil pump (1/2 x 5-1/8" N.C. hex.)

2шт.

15

A153552

ADAPTER

- oil filter

1шт.

16

41-1016

PLUG,Cup, 1"

- adapter (1" cup type)

1шт.

17

A39241

PLUG,Exp, 2.12" dia

- camshaft hole (2-1/8" exp.)

1шт.

18

221-1032

DRAIN PLUG,Sq Soc, 3/8"-18 NPTF

PLUG - 3/8" P.T., sckt. hd.

1шт.

19

G49070

PLUG

- 1/4" P.T., drilled

1шт.

20

217-433

PLUG,Hex Soc, 1/4" - 18 NPTF

Oil gallery Hex Soc, 1/4"-18 NPTF

2шт.

21

A37149

TUBE

- oil filler & dipstick

1шт.

22

A37407

TUBE

EXTENSION - oil filler tube

1шт.

23

A27342

O-RING,1.109" ID x 1.387" OD x 0.139"

"O" RING - (1-1/8 x 1-3/8 x 1/8")

1шт.

24

214-256

HOSE CLAMP,#20, 0.81" - 1.75", Type F Worm

CLAMP - (1-3/16" to 1-3/4")

1шт.

25

A23656

COCK, DRAIN

VALVE - drain, cyl block

1шт.

26

A58750

PLUG,Cup, 3 1/4", Stainless

- aux. drive hole, 3-17/64" cup type

1шт.

27

A38534

PLUG

- tach. drive hole, 1-1/16" cup type

1шт.

28

A29333

STUD

- 5/8" N.F. x 2-1/4"

1шт.

29

221-401

ELBOW,45 Degree, 1/8"-27, NPT

- sending unit, 90 degrees street

1шт.

30

A35031

SENDER UNIT

UNIT - sending, oil pressure

1шт.

34

A39936

DIPSTICK

ASSY. - oil level (Turn-tite type), Includes Ref: 36

1шт.

35

A37148

DIPSTICK

ASSY. - oil level ("O" ring type), Includes Ref: 36

1шт.

36

F62075

O-RING,0.139" Thk x 0.734" ID, -210, Cl 5, 75 Duro

"O" RING - dipstick (3/4 x 1 x 1/8")

2шт.

40

A40637

HEATER ASSY.

block, Includes Ref: 41

1шт.

41

A40477

ELECTRICAL WIRE

CORD - heater (7 ft. long), block

1шт.

Выбрано товаров: 36