Запчасти Case IH 1700-SERIES (094) - POWER TRAIN, ENGINE TO DRIVE SPROCKETS (14) - MAIN GEARBOX & DRIVE

Схема запчастей Case IH 1700-SERIES - (094) - POWER TRAIN, ENGINE TO DRIVE SPROCKETS (14) - MAIN GEARBOX & DRIVE
FIT
1:1
100%

Артикул

Название

Примечание

Количество

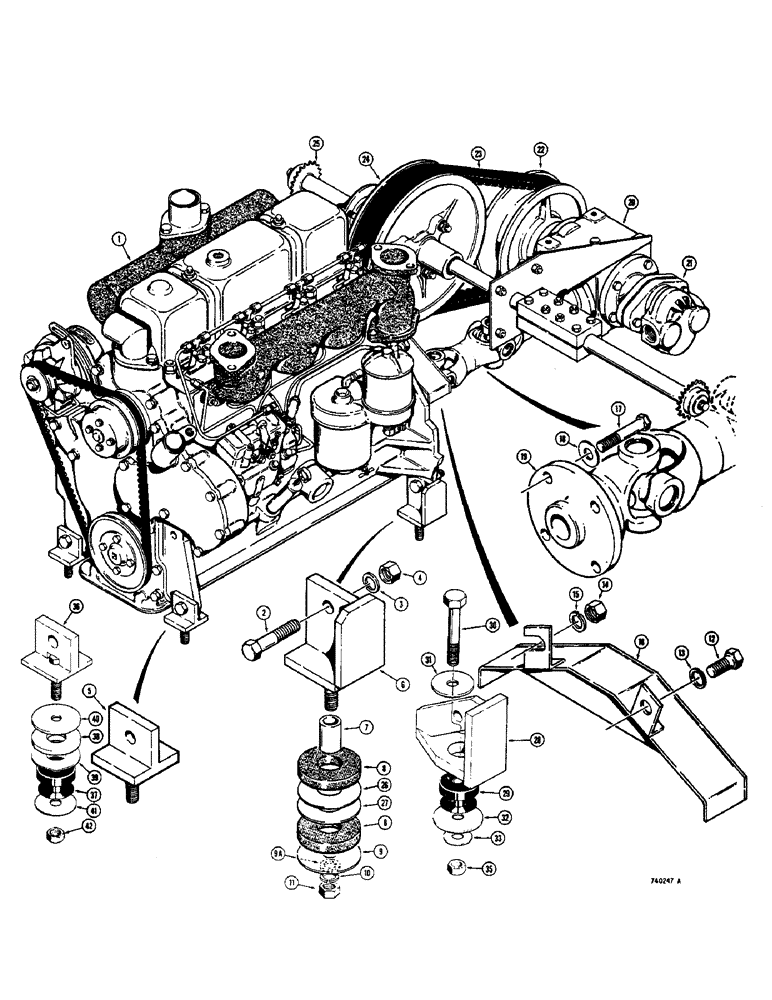
1

REF

INSTRUCTION

ENGINE - model 1737S (See Figures 08 thru 032 for gasoline engine)

1шт.

1

REF

INSTRUCTION

ENGINE - model 1737 (See Figures 08 thru 032 for gasoline engine)

1шт.

1

REF

INSTRUCTION

ENGINE - model 1740 (See Figures 034 thru 060 for diesel engine)

1шт.

2

13-1040

BOLT,Hex, 5/8" - 11 x 2-1/2", Gr 5

4шт.

3

92-10

LOCK WASHER,5/8"

4шт.

4

25-1010

NUT,5/8"-11, G5

4шт.

5

D60549

MOUNTING PARTS

Engine, front, Serial Range: -9823322

2шт.

6

D60546

MOUNTING PARTS

Engine, rear, Serial Range: -9823322

2шт.

7

D53416

SPACER

Mounts

4шт.

8

D35011

WASHER

Special, fabric

8шт.

9

CASD35009

WASHER,16.67mm ID x 63.5mm OD

Special

4шт.

9a

195-33

WASHER,1/2"

4шт.

10

92-8

LOCK WASHER,1/2"

4шт.

11

25-108

NUT,1/2"-13, G5

4шт.

12

13-1016

BOLT,Hex, 5/8" - 11 x 1", Gr 5, Full Thd

1шт.

13

92-10

LOCK WASHER,5/8"

1шт.

14

25-1010

NUT,5/8"-11, G5

1шт.

15

92-10

LOCK WASHER,5/8"

1шт.

16

D53496

SPARE PART Flywheel

1шт.

17

28-728

BOLT,Hex, 7/16" - 20 x 1-3/4", Gr 8

4шт.

18

A30013

WASHER,11.51mm ID x 19.05mm OD x 1.59mm Thk

Special

4шт.

19

REF

INSTRUCTION

UNIVERSAL SHAFT - engine to gear box (See Figure 100 for proper universal)

1шт.

20

REF

INSTRUCTION

GEAR BOX - Uni-Loader (Parts list Figures 102 or 104)

1шт.

21

REF

INSTRUCTION

PUMP - hydraulic (Parts list Figure 164)

1шт.

22

REF

INSTRUCTION

SHEAVE - variable speed, 9" (Parts list Figure 108)

1шт.

23

D58998

V-BELT,1.81" W x 51.70" L

Drive

1шт.

24

REF

INSTRUCTION

SHEAVE - variable speed, 12" (Parts list Figure 110)

1шт.

25

REF

INSTRUCTION

JACKSHAFT ASSEMBLY - Uni-Loader (Parts list Figure 112)

1шт.

26

D55653

SHIM,1/4" Thk

1шт.

27

D55654

SHIM,.030" Thk

1шт.

28

D64626

MOUNTING PARTS

Engine, rear, Includes: Ref. 29, Start Serial: 9823322

2шт.

29

D60627

ISOLATOR,50.8mm OD x 41.1mm L

MOUNT - rubber, Start Serial: 9823322

2шт.

30

13-852

BOLT,Hex, 1/2" - 13 x 3-1/4", Gr 5

, Start Serial: 9823322

2шт.

31

195-536

WASHER,1/2" x 1 7/8" x .109"

, Start Serial: 9823322

2шт.

32

195-2055

WASHER,17/32" x 2 1/4" x .180"

, Start Serial: 9823322

2шт.

33

195-2052

WASHER,17/32" x 1 1/8" x .180"

Flat (1/2" I.D. x 1-1/4" O.D.), Start Serial: 9823322

2шт.

34

RESERVED, Start Serial: 9823322

1шт.

35

131-10

NUT,1/2"-13, GB

, Start Serial: 9823322

2шт.

36

D60249

BRACKET

SPARE PART MOUNT - engine, front, Includes: Ref. 37, Start Serial: 9823322

1шт.

37

D60627

ISOLATOR,50.8mm OD x 41.1mm L

MOUNT - rubber, Start Serial: 9823322

2шт.

38

D55653

SHIM,1/4" Thk

, Start Serial: 9823322

1шт.

39

D55654

SHIM,.030" Thk

, Start Serial: 9823322

1шт.

40

D60251

WASHER

Special, Start Serial: 9823322

2шт.

41

195-536

WASHER,1/2" x 1 7/8" x .109"

Flat (1-1/2" I.D. x 1-7/8" O.D.), Start Serial: 9823322

2шт.

42

131-10

NUT,1/2"-13, GB

, Start Serial: 9823322

2шт.

Выбрано товаров: 45