Запчасти Case IH 1700-SERIES (122) - BRAKE SYSTEM, PARKING BRAKE, MASTER CYLINDER, BRAKE PEDAL AND LINKAGE (33) - BRAKES & CONTROLS

Схема запчастей Case IH 1700-SERIES - (122) - BRAKE SYSTEM, PARKING BRAKE, MASTER CYLINDER, BRAKE PEDAL AND LINKAGE (33) - BRAKES & CONTROLS
FIT
1:1
100%

Артикул

Название

Примечание

Количество

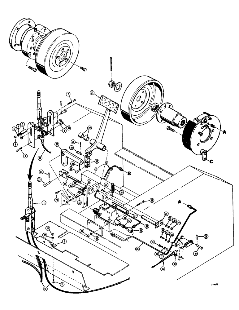
1

D53747

LEVER

ASSEMBLY - parking brake (Parts list Figure 124)

1шт.

2

13-548

CAP,Hex, 5/16" - 18 x 3", Gr 5

BOLT - 5/16" - 18 NC x 3"

1шт.

3

D40925

SPACER

- lever

1шт.

4

195-21

WASHER,5/16"

- plain () 5/16"

1шт.

5

92-5

LOCK WASHER,5/16"

1шт.

6

9635082

NUT,5/16" - 18, Gr 5

- hex. (5/16" - 18 NC)

1шт.

7

D53751

ANGLE

BRACKET - parking brake mounting

1шт.

8

13-528

BOLT,Hex, 5/16" - 18 x 1-3/4", Gr 5

HHCS - 5/16" - 18 NC x 1-3/4"

1шт.

9

92-5

LOCK WASHER,5/16"

1шт.

10

9635082

NUT,5/16" - 18, Gr 5

- hex. (5/16" - 18 NC)

1шт.

11

13-516

BOLT,Hex, 5/16" - 18 x 1", Gr 5

2шт.

12

92-5

LOCK WASHER,5/16"

2шт.

13

9635082

NUT,5/16" - 18, Gr 5

- hex. (5/16" - 18 NC)

2шт.

14

D53748

CABLE PULLING GRIP

CABLE - parking brake

2шт.

15

13-512

BOLT,Hex, 5/16" - 18 x 3/4", Gr 5

2шт.

16

92-5

LOCK WASHER,5/16"

2шт.

17

195-21

WASHER,5/16"

- plain () 5/16"

2шт.

18

D40684

CLAMP,12.7mm ID, 8.78mm Bolt Hole, P Type

- cable

4шт.

19

141-2

CLEVIS PIN,1/4" x .770"

PIN - clevis

2шт.

20

132-5

COTTER PIN,1/16" x 1/2"

Pin, Split (Cotter), 1/16" x 1/2"

2шт.

21

D53954

PEDAL

- brake, Including: Ref. 22

1шт.

22

T28756

BEARING

BUSHING - pedal

2шт.

23

13-514

BOLT,Hex, 5/16" - 18 x 7/8", Gr 5

2шт.

24

D53731

AXLE PIN

PIN - pedal retaining

1шт.

25

195-21

WASHER,5/16"

- plain () 5/16"

2шт.

26

92-5

LOCK WASHER,5/16"

2шт.

27

9635082

NUT,5/16" - 18, Gr 5

- hex. (5/16" - 18 NC)

2шт.

28

141-4

CLEVIS PIN,3/8" x 1.060"

PIN, CLEVIS, 3/8" x 1.060"

2шт.

29

132-25

COTTER PIN,3/32" x 5/8"

PIN - cotter, 5/32" x 5/8"

2шт.

30

D53737

CLEVIS COUPLING

CLEVIS - connecting

1шт.

31

D53727

DIPPER

BELLCRANK - brake

1шт.

32

D53734

AXLE PIN

PIN - bellcrank retaining

1шт.

33

141-6

CLEVIS PIN,1/2" x 1.360"

PIN - clevis

1шт.

34

132-46

COTTER PIN,1/8" x 3/4"

Pin, Split (Cotter), 1/8" x 3/4"

1шт.

35

D53740

ROD

- actuating, master cylinder

1шт.

36

13-656

BOLT,Hex, 3/8" - 16 x 3-1/2", Gr 5

HHCS - 3/8" - 16 NC x 3-1/2"

2шт.

37

D53750

RETAINER - spring

1шт.

38

D40891

SPRING

- pedal return

1шт.

39

L25419

MASTER CYLINDER

CYLINDER - master, brake (Parts list Figure 124)

1шт.

40

92-6

LOCK WASHER,3/8"

2шт.

41

25-106

NUT,3/8"-16, G5

- hex. (3/8" - 16 NC)

2шт.

42

222-1115

TUBE NUT,3/8"-24 Fem x 7/16"-24, Inv Fl

ADAPTER - straight

1шт.

43

222-1105

TEE,3/8"-24, Brass

- running

1шт.

44

D53548

TUBE

- L.H. brake

1шт.

45

D53650

TUBE

- R.H. brake

1шт.

46

13-58

BOLT,Hex, 5/16" - 18 x 1/2", Gr 5

2шт.

47

92-5

LOCK WASHER,5/16"

2шт.

48

195-231

WASHER - plain

2шт.

49

A26814

CLAMP - tube

2шт.

Выбрано товаров: 49