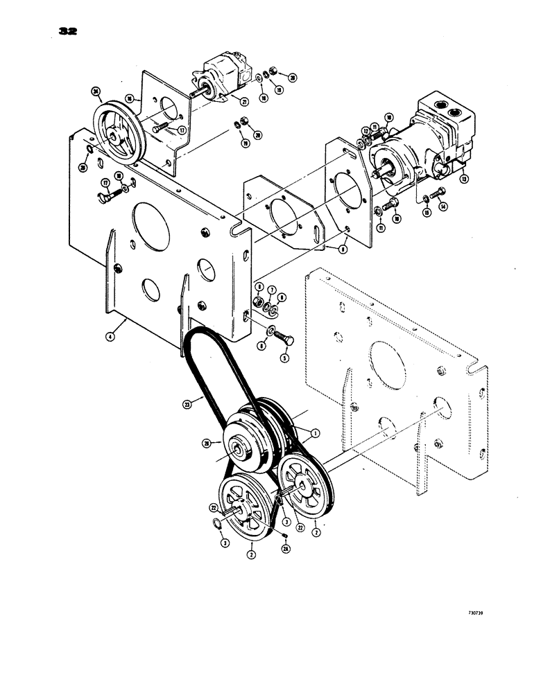
Запчасти Case IH 1816 (32) - SHEAVES, DRIVE BELTS AND PUMP MOUNTING, USED BEFORE TRACTOR SERIAL NO. 9826660 (14) - MAIN GEARBOX & DRIVE

Схема запчастей Case IH 1816 - (32) - SHEAVES, DRIVE BELTS AND PUMP MOUNTING, USED BEFORE TRACTOR SERIAL NO. 9826660 (14) - MAIN GEARBOX & DRIVE
FIT
1:1
100%

Артикул

Название

Примечание

Количество

1

D56917

V-BELT,0.50" W x 32.64" L

to Variable Displacement Pump 0.50" W x 32.64" L

2шт.

2

D56930

SHEAVE

driven, Includes: Ref. 2A

2шт.

2a

178-442

SET SCREW,Hdls Hex Skt, 5/16" - 18 x 1/2", Flat Pt

SCREW set, hex, socket, 5/16" - 18 NC x 1/2"

2шт.

3

T25683

SNAP RING,#75, Ext

Ring, Snap, #75, Ext

2шт.

4

D56596

PLATE ASSY.

PLATE pump mounting

1шт.

5

13-824

BOLT,Hex, 1/2" - 13 x 1-1/2", Gr 5, Full Thd

4шт.

6

195-33

WASHER,1/2"

plain, 1/2"

8шт.

7

92-8

LOCK WASHER,1/2"

4шт.

8

25-108

NUT,1/2"-13, G5

hex, 1/2" - 13 NC

4шт.

9

D57079

PLATE variable displacement pump

2шт.

10

13-816

BOLT,Hex, 1/2" - 13 x 1", Gr 5, Full Thd

4шт.

11

92-8

LOCK WASHER,1/2"

4шт.

12

195-33

WASHER,1/2"

flat, 1/2"

2шт.

13

D65642

PUMP

variable displacement, See Figure 60

2шт.

14

13-614

BOLT,Hex, 3/8" - 16 x 7/8", Gr 5, Full Thd

4шт.

15

92-6

LOCK WASHER,3/8"

4шт.

16

D60599

BRACKET equipment pump, before serial number 9821352

1шт.

16

D61268

BRACKET equipment pump, serial number 9821352 and after

1шт.

17

13-620

BOLT,Hex, 3/8" - 16 x 1-1/4", Gr 5, Full Thd

4шт.

18

195-25

WASHER,3/8"

plain, 3/8"

3шт.

19

92-6

LOCK WASHER,3/8"

4шт.

20

25-106

NUT,3/8"-16, G5

hex, 3/8" - 16 NC

4шт.

21

REF

INSTRUCTION

PUMP equipment, See Figure 66 and 67A for proper pump

1шт.

22

D59803

KEY

square, 3/16" x 1-3/16"

2шт.

23

D60572

V-BELT,0.38" W x 33.00" L

Clutch to Equipment Pump 0.38" W x 33.00" L

1шт.

24

D60531

SHEAVE

driven, equipment pump, Includes: Ref. 24A

1шт.

24a

REF

INSTRUCTION

SCREW set, 5/16" - 18 NC, not shown

2шт.

25

A11538

SNAP RING,#50, Ext

Ring, Snap, #50, Ext

1шт.

26

D60593

CLUTCH

centrifugal, See Figure 33C

1шт.

Выбрано товаров: 0