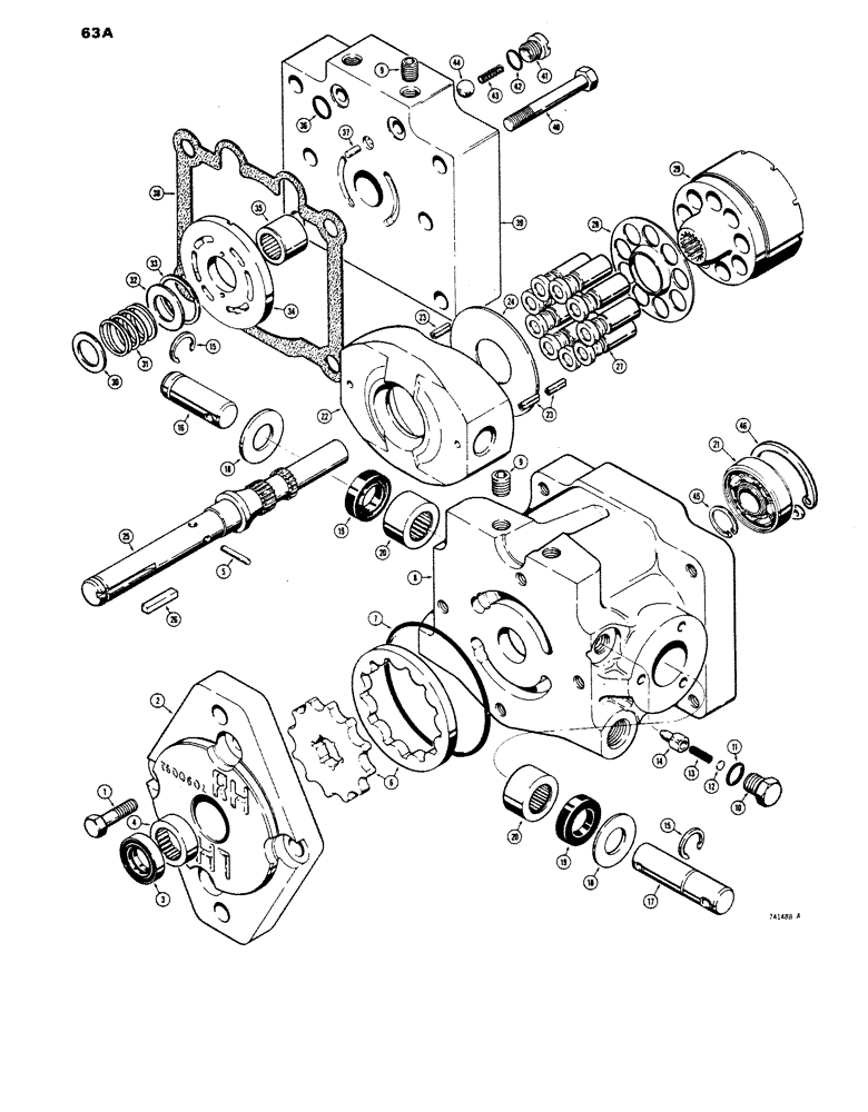
Запчасти Case IH 1816 (63A) - D58910 AND D75993 VARIABLE DISPLACEMENT PUMP (35) - HYDRAULIC SYSTEMS

Схема запчастей Case IH 1816 - (63A) - D58910 AND D75993 VARIABLE DISPLACEMENT PUMP (35) - HYDRAULIC SYSTEMS
FIT
1:1
100%

Артикул

Название

Примечание

Количество

D58910

PUMP, HYDRAULIC

PUMP variable displacement, Sundstrand 15-2027

2шт.

D75993

PUMP

variable displacement, Sundstrand 15-2044, Includes: Ref. 1 - 46

2шт.

1

13-514

BOLT,Hex, 5/16" - 18 x 7/8", Gr 5

4шт.

2

D63402

FLANGE

mounting

1шт.

3

A50421

OIL SEAL,19.05mm ID x 31.95mm OD x 6.73mm Thk

lip

1шт.

4

D65128

NEEDLE BEARING,Needle, 19.05mm ID x 25.4mm OD x 9.53mm W

BEARING needle

1шт.

5

D65123

PIN

straight

1шт.

6

D63412

SPARE PART

GEROTOR

1шт.

7

H756650

O-RING

SEAL "o"ring

1шт.

8

D63401

HOUSING

D58910 pump

1шт.

8

D75826

HOUSING

D75993 pump

1шт.

9

F23137

PLUG

pipe

4шт.

10

D63405

PLUG

relief valve

1шт.

12

D63406

SHIM

KIT, valve

1шт.

13

D63407

VALVE SPRING

SPRING relief

1шт.

14

D63413

CONE

POPPET relief

1шт.

15

D65126

SNAP RING,#68, Ext

Ring, Snap, #68, Ext

2шт.

16

D63408

SHAFT

trunnion, short

1шт.

17

D63404

SHAFT

trunnion, long

1шт.

18

H249599

WASHER

special

2шт.

19

H755884

SEAL

lip, trunnion shaft

2шт.

20

H756155

NEEDLE BEARING

BEARING needle

2шт.

21

D65122

BALL BEARING

BEARING ball

1шт.

22

D63399

PLATE

swash, variable

1шт.

23

138-2062

PIN,3/16" x 5/8", Coiled

3шт.

24

D63400

PLATE

thrust

1шт.

25

D63403

SHAFT

D58910 pump

1шт.

25

D75827

SHAFT

D75993 pump

1шт.

26

D65127

KEY

shaft, Axial

1шт.

D63398

BLOCK

CYLINDER BLOCK ASSEMBLY, kit, Includes: Ref. 27 - 33

1шт.

27

NSS

NOT SOLD SEPARAT

PISTON

9шт.

28

NSS

NOT SOLD SEPARAT

RETAINER piston

1шт.

29

NSS

NOT SOLD SEPARAT

BLOCK cylinder

1шт.

30

NSS

NOT SOLD SEPARAT

WASHER special, front

1шт.

31

NSS

NOT SOLD SEPARAT

SPRING

1шт.

32

NSS

NOT SOLD SEPARAT

WASHER special, rear

1шт.

33

NSS

NOT SOLD SEPARAT

RING retainer

1шт.

34

D63411

PLATE

valve

1шт.

35

D65125

ROLLER BEARING,0.6699" ID x 0.937" OD x 0.62"

BEARING roller

1шт.

36

F23125

O-RING,0.07" Thk x 0.489" ID, -14, Cl 6, 90 Duro

SEAL "o"ring

2шт.

37

D65124

PIN

straight

1шт.

38

H255059

GASKET

housing

1шт.

39

D63397

CYLINDER END CAP

CAP pump

1шт.

40

13-640

BOLT,Hex, 3/8" - 16 x 2-1/2", Gr 5

HHCS, 3/8" - 16 NC x 2-1/2"

4шт.

41

D63410

PLUG

check

2шт.

43

D63409

VALVE SPRING

SPRING check valve

2шт.

44

211-12

BALL,7/16 Dia

check

2шт.

45

16242

SNAP RING,1.852", Int, #185

Ring, Snap, , D75993 pump 1.852", Int, #185

1шт.

46

D46211

SNAP RING,#78, Ext

Ring, Snap, , D75993 pump #78, Ext

1шт.

11

218-5004

O-RING,0.072" Thk x 0.414" ID, -905, Cl 6, 90 Duro

5-1, 90 Duro, .414" ID x .072" Thk, seal

1шт.

42

218-5004

O-RING,0.072" Thk x 0.414" ID, -905, Cl 6, 90 Duro

5-1, 90 Duro, .414" ID x .072" Thk, seal

2шт.

Выбрано товаров: 0