Запчасти Case IH 1816 (66) - D59950 AND D60567 HYDRAULIC EQUIPMENT PUMPS, USED BEFORE TRACTOR SERIAL NO. 9823688 (35) - HYDRAULIC SYSTEMS

Схема запчастей Case IH 1816 - (66) - D59950 AND D60567 HYDRAULIC EQUIPMENT PUMPS, USED BEFORE TRACTOR SERIAL NO. 9823688 (35) - HYDRAULIC SYSTEMS
FIT
1:1
100%

Артикул

Название

Примечание

Количество

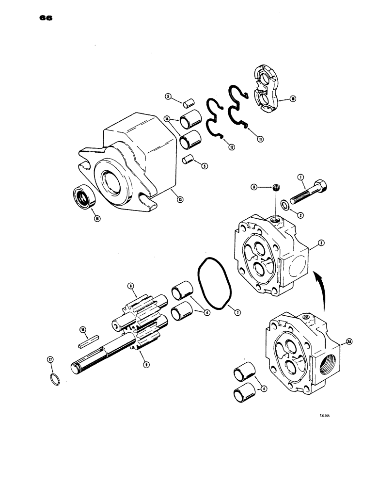
D59950

FILTER

PUMP ASSEMBLY, hydraulic, rear ported, Warner Gear S12S-50DK5-2R, service with D61866 pump, and 218-5059 connector, Includes: Ref. 1 - 17

1шт.

D60567

PUMP, HYDRAULIC

PUMP ASSEMBLY, hydraulic, side ported, Warner Gear S12S-50AK5-1-R, service with D61866 pump, Includes: Ref. 1 - 17

1шт.

1

13-424

BOLT,Hex, 1/4" - 20 x 1-1/2", Gr 5

Hex, 1/4"-20 x 1 1/2", G5

4шт.

2

D58189

WASHER

special

4шт.

3

D58181

COVER ASSEMBLY, rear, D59950 pump

1шт.

3a

NSS

NOT SOLD SEPARAT

COVER ASSEMBLY, rear, D60567 pump, Includes: Ref. 4

1шт.

4

NSS

NOT SOLD SEPARAT

BUSHING, D58181 and D60865 cover

2шт.

5

D58188

PIN

dowel, 1/4" x 5/8"

2шт.

6

221-849

PLUG,Hex Soc, 1/8"-27

socket head, square 1/8" NPT

1шт.

7

D58196

O-RING,1.989" ID x 0.67" OD

SEAL "o"ring

1шт.

8

D58184

GEAR WHEEL

GEAR driven

1шт.

9

D60866

GEAR WHEEL

GEAR drive

1шт.

10

D58185

PLATE wear

1шт.

11

D58186

SEAL

1шт.

12

D58187

SEAL ASSY.

SEAL pressure

1шт.

13

NSS

NOT SOLD SEPARAT

COVER ASSEMBLY, front, Includes: Ref. 14

1шт.

14

NSS

NOT SOLD SEPARAT

BUSHING shaft

2шт.

15

D59650

SEAL

shaft

1шт.

16

D60879

KEY

straight

1шт.

17

A11538

SNAP RING,#50, Ext

Ring, Snap, , replaces O10323AB #50, Ext

1шт.

Выбрано товаров: 0