Запчасти Case IH 1816B (38) - D61880 STARTER, TECUMSEH NO. 33835, SQUARE HOUSING (55) - ELECTRICAL SYSTEMS

Схема запчастей Case IH 1816B - (38) - D61880 STARTER, TECUMSEH NO. 33835, SQUARE HOUSING (55) - ELECTRICAL SYSTEMS
FIT
1:1
100%

Артикул

Название

Примечание

Количество

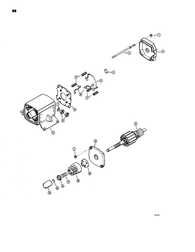
D61880

STARTING MOTOR

STARTER - motor, electrical, Includes: Ref. 1 - 19

1шт.

1

D61023

NUT

- lock, special

4шт.

2

D61879

CAP

- commutator end

1шт.

3

D61878

STUD

- cap retaining

2шт.

4

D61877

WASHER - thrust

1шт.

5

NSS

NOT SOLD SEPARAT

HOUSING - starter

1шт.

6

C16064

NUT

- hex, special

2шт.

7

C16069

WASHER

- special

1шт.

D61882

KIT - card brush, Includes: Ref. 8, 9 - 11 and divider card

1шт.

8

NSS

NOT SOLD SEPARAT

CARD - divider

1шт.

D61882

KIT - spring and brush, Includes: Ref. 9 - 11

1шт.

9

NSS

NOT SOLD SEPARAT

BRUSH - double

1шт.

10

NSS

NOT SOLD SEPARAT

BRUSH - single

2шт.

11

D61883

SPRING

- brush

4шт.

12

NSS

NOT SOLD SEPARAT

ARMATURE - starter

1шт.

13

D61024

CAP

- drive end

1шт.

14

D61017

CAP

COVER - dust

1шт.

15

D61018

RING

- retaining

1шт.

16

D61019

SPRING

RETAINER - spring

1шт.

17

D61020

SPRING

- drive gear

1шт.

18

D61021

GEAR

DRIVE GEAR - starter

1шт.

19

D61022

DISC

NUT - engaging

1шт.

Выбрано товаров: 22