Запчасти Case IH 1818 (3-078) - FUEL LINES TO ENGINE (03) - FUEL SYSTEM

Схема запчастей Case IH 1818 - (3-078) - FUEL LINES TO ENGINE (03) - FUEL SYSTEM
14
16
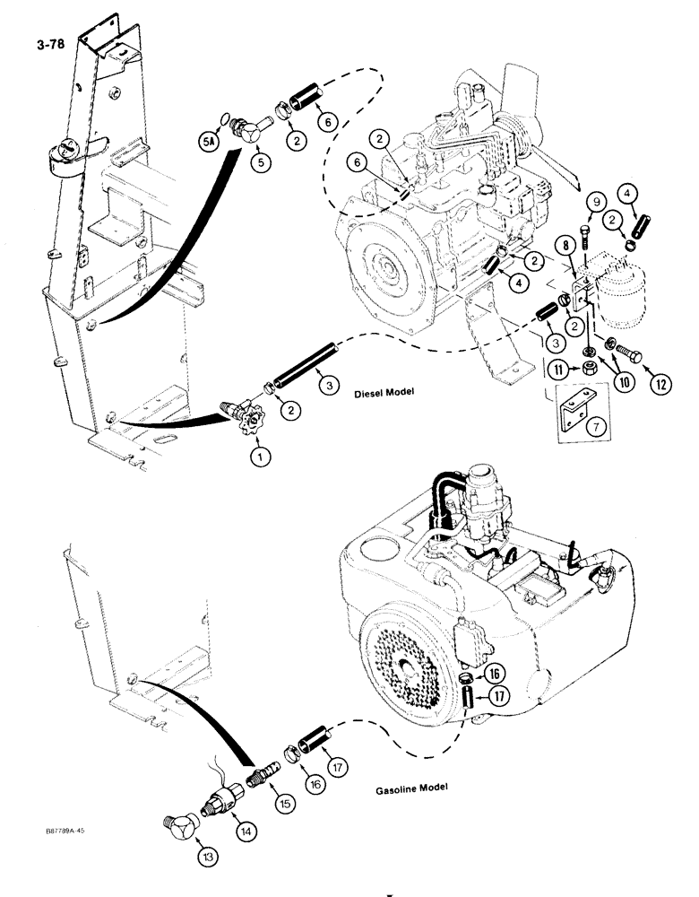
1
15
3
11
4
3
17
2
6
2
16
12
2
17
10
4
2
6
5 a
13
8
5
7
2
9
2
FIT
1:1
100%

Артикул

Название

Примечание

Количество

1

A154051

COCK, DRAIN

VALVE diesel fuel shutoff, diesel models only

1шт.

2

214-274

HOSE CLAMP,#04, 0.25" - 0.62", Type F Worm

adjustable, hoses, diesel models only #4, 0.25/0.62 Type F Worm

6шт.

3

D136266

HOSE,9.5 mm ID x 450.00 mm, SAE 30R7

Diesel Fuel Supply, Cut from P/N 427683C2 Bulk Hose, See Below, Diesel Models Only 9.5 mm ID x 450.00 mm, SAE 30R7

1шт.

4

E20229

FUEL HOSE

HOSE, 1/4" (6 mm) ID x 13-3/4" (250 mm) long, engine supply, cut from P/N 427683C2 bulk hose, see below Replaces: P/N D136265, diesel models only

1шт.

5

217-369

FITTING,90 Degree Elbow, 1/4" Hose Barb x 1/2" - 20 Male ORB

stem, 90 degree, adjustable, diesel models only, Includes: Ref. 5A

1шт.

6

E20175

FUEL HOSE

HOSE, 1/4" (6 mm) ID x 19" (480 mm) long, diesel fuel return, cut from P/N 1266772C2 bulk hose, see below, diesel models only

1шт.

7

D134670

BRACKET

filter mounting, engine mounted, diesel models only

1шт.

8

E20225

BRACKET

filter mounting, frame mounted, diesel models only

1шт.

9

113-103

BOLT,Hex, 5/16" - 18 x 1", Gr 5

Diesel models only Hex, 5/16"-18 x 1", G5, Full Thd

2шт.

10

192-20

LOCK WASHER,Helical Spring, 0.318" ID, CST, ZND

WASHER, LOCK, , Diesel models only 5/16"

3шт.

11

9635082

NUT,5/16" - 18, Gr 5

5/16" x 18 NC, diesel models only

2шт.

12

113-103

BOLT,Hex, 5/16" - 18 x 1", Gr 5

Diesel models only Hex, 5/16"-18 x 1", G5, Full Thd

1шт.

13

217-1027

ELBOW,3/8" - 18 Male x 1/4" - 18 Female

street, 90 degree, gasoline models only

1шт.

14

D139832

SOLENOID

gasoline shutoff, gasoline models only

1шт.

15

217-120

ELBOW,1/4" Hose Barb x 1/8" Male NPTF

FITTING barb, straight, gasoline models only

1шт.

16

E99791

CLAMP

adjustable, hose Replaces: P/N 214-335, gasoline models only

2шт.

17

D64267

FUEL HOSE,0.25" ID x 31.00", SAE 30R7

Cut From P/N A21561 Bulk Hose, See Below, Gasoline Models Only 0.25" ID x 31.00", SAE 30R7

1шт.

A21561

HOSE,0.25" ID x 25.00"

0.25" ID x 25.00' - Bulk

1шт.

1266772C1

HOSE

bulk, 1/4" (6 mm) ID x 40" (1016 mm) long

1шт.

427683C2

HYDRAULIC HOSE,6.35 mm ID BULK, SAE 30R6 or SAE 30R7

HOSE bulk, 1/4" (6 mm) ID x 50 ft (15 m) long

1шт.

5a

218-5004

O-RING,0.072" Thk x 0.414" ID, -905, Cl 6, 90 Duro

5-1, 90 Duro, .414" ID x .072" Thk, stem fitting, diesel models only

1шт.

Выбрано товаров: 21