Запчасти Case IH 1818 (4-136) - HORN (04) - ELECTRICAL SYSTEMS

Схема запчастей Case IH 1818 - (4-136) - HORN (04) - ELECTRICAL SYSTEMS
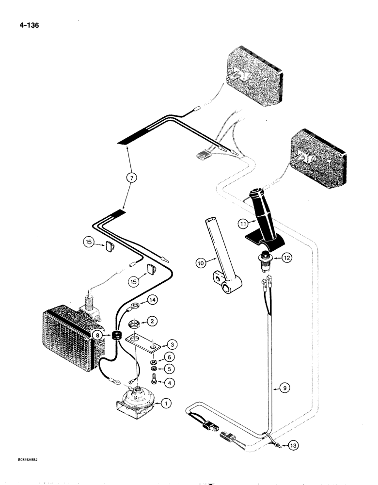
2
10
11
7
15
1
4
6
9
5
13
14
8
15
12
3
FIT
1:1
100%

Артикул

Название

Примечание

Количество

1

F99697

HORN 12 volt, Includes: Ref. 2

1шт.

2

NSS

NOT SOLD SEPARAT

NUT horn

1шт.

3

E99588

BRACKET

horn mounting

1шт.

4

113-410

BOLT,Hex, 1/2" - 13 x 1-1/2", Gr 5, Full Thd

1шт.

5

192-23

LOCK WASHER,1/2"

WASHER, LOCK, 1/2"

1шт.

6

195-533

WASHER,1/2", SAE

flat, 1/2", plated

1шт.

7

D134075

HARNESS

horn

1шт.

8

49566

GROMMET

harness

1шт.

9

D134076

HARNESS

horn button

1шт.

10

E99895

HANDLE

LEVER control, loader

1шт.

11

E99359

HANDLE

GRIP right hand control lever

1шт.

12

D91440

SWITCH

button, horn

1шт.

13

L18337

CABLE TIE,9.95"-12.1" lg

STRAP tie, 15 inch, nylon

1шт.

14

D134077

ELECTRICAL WIRE

WIRE ground

1шт.

15

E84910

CLIP

harness

2шт.

Выбрано товаров: 0