Запчасти Case IH 1818 (6-170) - AXLES AND DRIVE CHAINS (06) - POWER TRAIN

Схема запчастей Case IH 1818 - (6-170) - AXLES AND DRIVE CHAINS (06) - POWER TRAIN
37
35
22
21
28
5
25
19
31
7
18
2
23
23
6
28
22
8
30
19 a
8
17
18 a
15
26
16
10
29
24
11
3
27
30
9
12
36
4
35
13
1
14
36
29
6
33
FIT
1:1
100%

Артикул

Название

Примечание

Количество

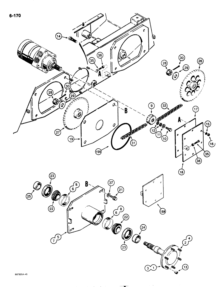
D121412

AXLE

ASSEMBLY wheel, front, Includes: Ref. 1-2

2шт.

1

NSS

NOT SOLD SEPARAT

AXLE wheel

1шт.

2

D91709

WHEEL BOLT

BOLT special, wheel

6шт.

D121413

AXLE

ASSEMBLY wheel, rear, Includes: Ref. 3-4

2шт.

3

NSS

NOT SOLD SEPARAT

AXLE wheel

1шт.

4

D91709

WHEEL BOLT

BOLT special, wheel

6шт.

E20036

HUB

ASSEMBLY axle, front, Includes: Ref. 5-6

2шт.

5

NSS

NOT SOLD SEPARAT

HUB axle

1шт.

6

A29062

ROLLER BEARING,82.956 mm OD x 19.101 mm

CUP tapered roller bearing

2шт.

E20038

HUB

ASSEMBLY axle, rear, Includes: Ref. 7-8

2шт.

7

NSS

NOT SOLD SEPARAT

HUB axle

1шт.

8

ST987

BEARING CUP

CUP tapered roller bearing

2шт.

9

D76459

DRIVE SPROCKET

SPROCKET drive

2шт.

10

114-409

BOLT,Hex, 1/2" - 20 x 1", Gr 5, Full Thd

2шт.

11

195-106

WASHER,1/2"

flat, , plated 1/2"

2шт.

12

195-2051

WASHER,17/32" x 13/16" x .060"

flat, 1/2", special

4шт.

13

F23214

WHEEL NUT

special, wheel

24шт.

14

E99800

BOLT

press-in, special

12шт.

15

492-1138

WASHER, LOCK

WASHER lock, 3/8", zinc plated

12шт.

16

129-103

NUT,Hex, 3/8" - 16, Gr 5

NUT, 3/8"-16, G5

12шт.

17

D137477

GASKET

plate

2шт.

18

E20053

PLATE

hydraulic motor, right hand

1шт.

18a

D138562

PLATE

hydraulic motor, left hand

1шт.

19

E20026

GASKET

PLATE hub

4шт.

19a

22420R1

O-RING,0.139" Thk x 8.234" ID, -267, Cl 5, 75 Duro

sprocket

4шт.

21

26-822

BOLT,Hex, 1/2" - 13 x 1-3/8", Gr 8

hex head, 1/2" - 13 NC x 1-3/8", grade 8, Teflon coated

16шт.

Nut for this bolt is item #38

1шт.

22

A29063

ROLLER BEARING,44.463 mm ID x 25.476 mm

BEARING cone

8шт.

23

D53767

OIL SEAL,57.15mm ID x 85.75mm OD x 11mm Thk

oil

8шт.

24

D122289

SPACER

hydraulic motor

4шт.

25

D134202

SPACER,44.5mm ID x 57.23mm OD x 16mm L

axle

4шт.

26

D134203

DRIVE SPROCKET

SPROCKET axle, front

2шт.

27

D135527

DRIVE SPROCKET

SPROCKET axle, rear

2шт.

28

425-1314

SLOTTED NUT,7/8"-14, G5

NUT hex, slotted, 7/8" - 14 NF, plated

4шт.

29

D53273

WASHER,23.02mm ID x 57.15mm OD x 1.41mm Thk

special, 0.1562" (3.96 mm) thick

4шт.

30

132-341

COTTER PIN,5/32" x 1 1/2"

Includes: Ref. 31 5/32" x 1 1/2"

4шт.

31

NSS

NOT SOLD SEPARAT

CHAIN, No. 60 HS

1шт.

E20044

CHAIN (AG)

CHAIN ASSEMBLY endless, 60 pitch, left hand side of machine, front

1шт.

E20045

CHAIN (AG)

CHAIN ASSEMBLY endless, 68 pitch, left hand side of machine, rear

1шт.

E20046

CHAIN (CE)

CHAIN ASSEMBLY endless, 74 pitch, right hand side of machine, front

1шт.

E20047

CHAIN (AG)

CHAIN ASSEMBLY endless, 54 pitch, right hand side of machine, rear

1шт.

35

85-636

SET SCREW,Sq Hd, 3/8"-16 x 2 1/4"

SCREW set, square head, cup point

4шт.

36

129-103

NUT,Hex, 3/8" - 16, Gr 5

NUT, 3/8"-16, G5

4шт.

37

D73296

WASHER,14.22mm ID x 31.75mm OD x 4.75mm Thk

special, use P/N 495-81025 non heat treated washer

16шт.

38

D44567

PLUG

NUT, 1/2 in. NC

16шт.

Выбрано товаров: 45