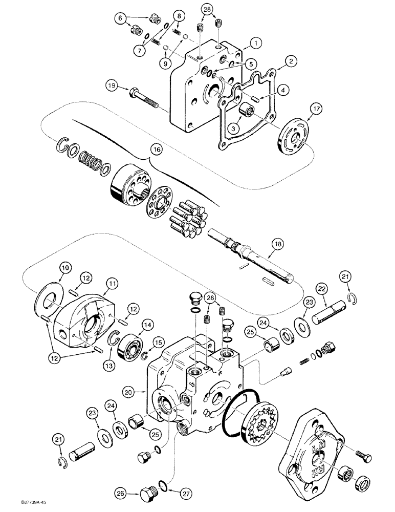
Запчасти Case IH 1818 (6-08) - VARIABLE DISPLACEMENT PUMP, GASOLINE MODELS (06) - POWER TRAIN

Схема запчастей Case IH 1818 - (6-08) - VARIABLE DISPLACEMENT PUMP, GASOLINE MODELS (06) - POWER TRAIN
5
23
23
1
13
18
11
7
22
16
12
12
20
10
28
28
9
14
24
24
21
15
27
17
8
19
26
6
3
4
2
25
21
25
12
FIT
1:1
100%

Артикул

Название

Примечание

Количество

D136764

PUMP

ASSEMBLY variable displacement, see Figure 6-14 for mounting parts, Includes: Ref. 1-28

2шт.

87297996

REMAN-HYD PUMP

Remanufactured HYDRAULIC PUMP

2шт.

87297997

CORE-HYDRAULIC PUMP

Return No, HYDRAULIC PUMP

2шт.

1

132021A1

CAP

end, was P/N N14421

1шт.

2

H255059

GASKET

end cap

1шт.

3

H437095

NEEDLE BEARING

BEARING roller, shaft

1шт.

4

D65124

PIN

end cap

1шт.

5

238-6014

O-RING,0.07" Thk x 0.489" ID, -14, Cl 6, 90 Duro

End cap, was P/N F23125 -014, 90 Duro, .489" ID x .070" Thk

2шт.

6

D63410

PLUG

check valve

2шт.

8

D63409

VALVE SPRING

SPRING check valve

2шт.

9

211-212

BALL

chrome alloy steel, 7/16 inch, grade 25

2шт.

10

D63400

PLATE

thrust

1шт.

11

D63399

PLATE

swash, pump

1шт.

12

138-2062

PIN,3/16" x 5/8", Coiled

4шт.

13

16242

SNAP RING,1.852", Int, #185

Ring, Snap, , swash plate 1.852", Int, #185

1шт.

14

L31005

BALL BEARING

ball, swash plate

1шт.

15

D46211

SNAP RING,#78, Ext

Ring, Snap, , swash plate bearing #78, Ext

1шт.

16

N14423

LOCK, CYLINDER

BLOCK cylinder, component parts not serviced separately

1шт.

17

N14422

PLATE

cylinder block

1шт.

18

H437098

SHAFT

pump

1шт.

19

413-640

BOLT,Hex, 3/8" - 16 x 2-1/2", Gr 5

hex, 3/8 NC x 2-1/2 inch

4шт.

20

NSS

NOT SOLD SEPARAT

HOUSING pump

1шт.

21

21065R1

SNAP RING,#68, Ext

Ring, Snap, , trunnion shaft, was P/N D65126 #68, Ext

2шт.

22

D63404

SHAFT

trunnion

1шт.

23

H249599

WASHER

special

2шт.

24

H755884

SEAL

trunnion shaft

2шт.

25

N14439

BUSHING

brass, trunnion shaft

2шт.

26

214389

PLUG,3/4" - 16 ORB

Includes Ref. 27 Hex Hd, 3/4"-16 ORB

1шт.

27

237-6008

O-RING,0.087" Thk x 0.644" ID, -908, Cl 6, 90 Duro

8-1, 90 Duro, .644" ID x .087" Thk

1шт.

28

F23137

PLUG

pipe, special

4шт.

7

237-6005

O-RING,0.072" Thk x 0.414" ID, -905, Cl 6, 90 Duro

5-1, 90 Duro, .414" ID x .072" Thk

2шт.

Выбрано товаров: 31