Запчасти Case IH 1825 (3-14) - GOVERNOR CONTROL ASSEMBLY, DIESEL MODELS (03) - FUEL SYSTEM

Схема запчастей Case IH 1825 - (3-14) - GOVERNOR CONTROL ASSEMBLY, DIESEL MODELS (03) - FUEL SYSTEM
16
7
1
3
17
10
11
9
14
13
12
19
8
16
15
2
18
4
FIT
1:1
100%

Артикул

Название

Примечание

Количество

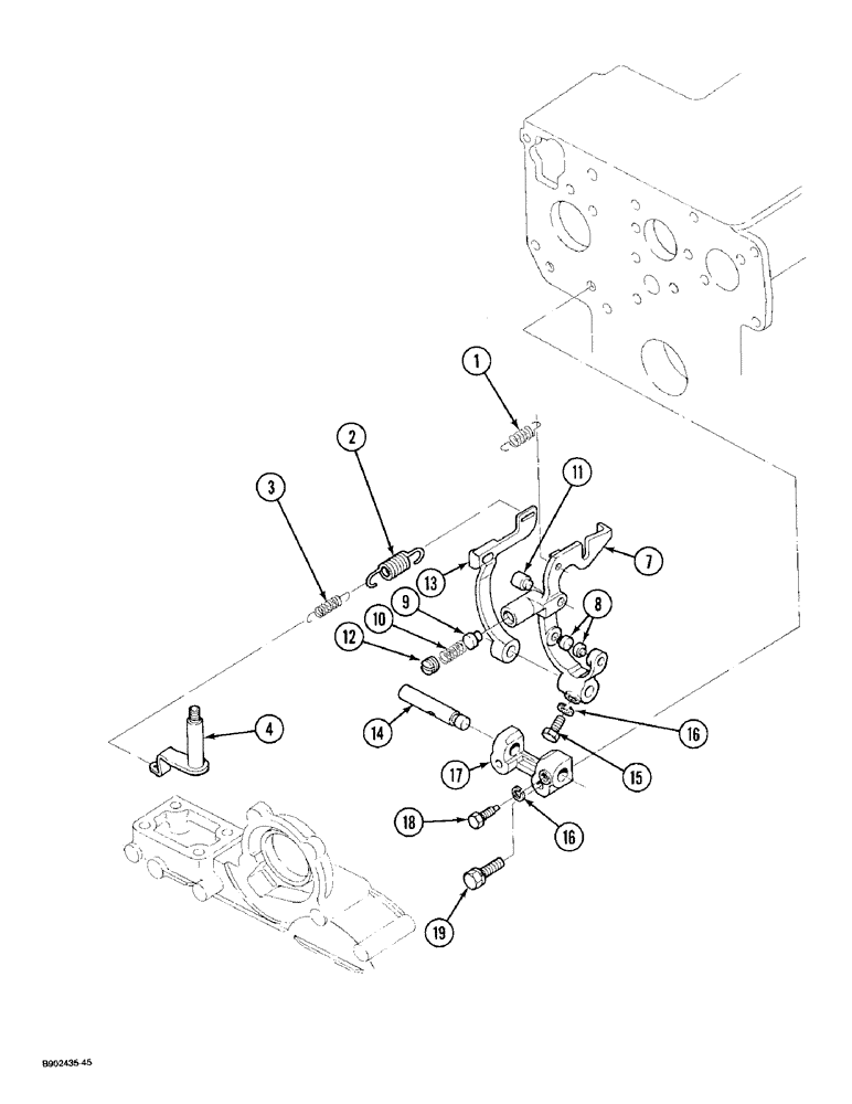
1

1959414C1

SPRING

- start

1шт.

2

1959416C1

SPRING

- governor, large

1шт.

3

1959418C1

SPRING

- governor, small

1шт.

4

1959419C1

LEVER

- governor

1шт.

1959428C1

LEVER

ASSEMBLY - fork, complete set, Includes: Ref. 7 - 18

1шт.

1959429C1

LEVER

ASSEMBLY - fork, Includes: Ref. 7 - 12

1шт.

7

NSS

NOT SOLD SEPARAT

LEVER - order lever 1959429C1

1шт.

8

NSS

NOT SOLD SEPARAT

PLUG - order lever 1959429C1

2шт.

9

NSS

NOT SOLD SEPARAT

SEAT - spring, order lever 1959429C1

1шт.

10

NSS

NOT SOLD SEPARAT

SPRING - order lever 1959429C1

1шт.

11

NSS

NOT SOLD SEPARAT

PLUG - order lever 1959429C1

1шт.

12

NSS

NOT SOLD SEPARAT

SCREW - order lever 1959429C1

1шт.

13

1959422C1

LEVER

- fork

1шт.

14

1959423C1

SHAFT

- fork lever

1шт.

15

1959424C1

BOLT

- lever

1шт.

16

1959425C1

LOCK WASHER

- lock

2шт.

17

1959426C1

HOLDER

- fork lever

1шт.

18

1959427C1

BOLT

- holder, 5 x 11.3 mm, shaft retaining

1шт.

19

1959430C1

BOLT

- holder mounting

2шт.

Выбрано товаров: 19