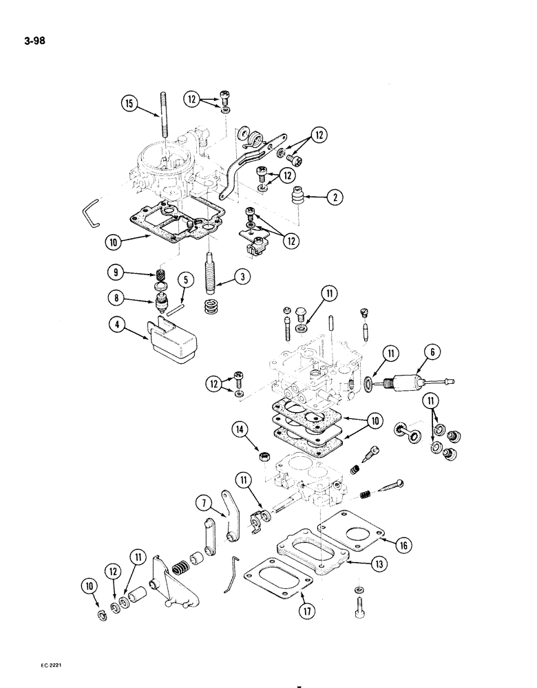
Запчасти Case IH 1825 (3-98) - CARBURETOR, GASOLINE MODELS (03) - FUEL SYSTEM

Схема запчастей Case IH 1825 - (3-98) - CARBURETOR, GASOLINE MODELS (03) - FUEL SYSTEM
9
6
12
13
11
17
12
15
11
12
3
12
12
8
10
11
10
16
4
10
7
11
5
2
12
11
14
FIT
1:1
100%

Артикул

Название

Примечание

Количество

1972251C1

CARBURETOR

ASSEMBLY engine, Includes: Ref. 2 -12

1шт.

2

1972252C1

COVER

pump

1шт.

3

1972253C1

PISTON

pump

1шт.

4

1960021C1

FLOAT

carburetor

1шт.

5

1960022C1

SHAFT

float

1шт.

6

1972254C1

VALVE

anti diesel solenoid

1шт.

7

1960024C1

LEVER

throttle

1шт.

8

1972255C1

VALVE

needle

1шт.

9

1972256C1

FILTER

fuel

1шт.

10

1972257C1

GASKET KIT

gasket

1шт.

11

1972258C1

KIT

screw and washer

1шт.

12

1960025C1

KIT

screw and washer

1шт.

13

1960033C1

GASKET

carburetor

1шт.

14

1960034C1

NUT

carburetor mounting stud

4шт.

15

1960035C1

STUD

air cleaner

1шт.

16

1960036C1

LARGE PLATE

PLATE orifice

1шт.

17

1960037C1

MANIFOLD GASKET

orifice, Serial Range: plate-manifold

1шт.

Выбрано товаров: 17