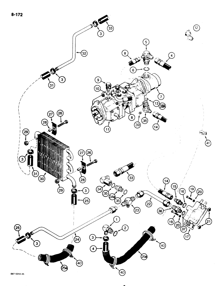
Запчасти Case IH 1825 (8-172) - HYDROSTATIC DRIVE HYDRAULIC CIRCUIT, SUPPLY AND RETURN LINES (08) - HYDRAULICS

Схема запчастей Case IH 1825 - (8-172) - HYDROSTATIC DRIVE HYDRAULIC CIRCUIT, SUPPLY AND RETURN LINES (08) - HYDRAULICS
15
25
31
34
3
37
3
25
9
28
3
12
30
14
38
20
33
25a
20
33
27
16
5
10
19
2
17
23
24
28
29
3
1
27
4
26
39
11
21
4
31
3
8
40
8
40
26
3
14
32
25a
36
29
19
35
38a
41
7
35
22
13
6
40
34a
FIT
1:1
100%

Артикул

Название

Примечание

Количество

1

217-351

FITTING,90 Degree Elbow, 3/4" Hose Barb x 1-1/16" - 12 Male ORB

stem, adjustable, 90 degree

1шт.

2

237-6012

O-RING,0.116" Thk x 0.924" ID, -912, Cl 6, 90 Duro

12-1, 90 Duro, .924 ID x .116" Thk, Stem fitting

1шт.

3

214-254

HOSE CLAMP,#12, 0.69" - 1.25", Type F Worm

CLAMP hose

6шт.

4

D135296

HOSE

long, supply, hydraulic tank to hydraulic equipment pump, 43 5/16", 1100 mm

1шт.

5

D138166

FITTING

ELBOW special, upper port, at hydraulic equipment pump, 90 degree

1шт.

6

237-6016

O-RING,0.116" Thk x 1.171" ID, -916, Cl 6, 90 Duro

elbow

1шт.

7

D136150

PUMP

ASSEMBLY hydraulic, equipment, parts list Fig. 8 188

1шт.

8

D135259

HOSE

hydraulic equipment pump to tandem pump, 16 3/4", 425 mm, long

1шт.

9

218-5106

90 ELBOW,90 Degree Elbow, 3/4" - 16 Male JIC x 3/4" - 16 Male ORB

adjustable, 90 degree

1шт.

10

237-6008

O-RING,0.087" Thk x 0.644" ID, -908, Cl 6, 90 Duro

8-1, 90 Duro, .644" ID x .087" Thk, Elbow

1шт.

11

D134370

PUMP

ASSEMBLY tandem, parts list Fig. 6 148 and 6 150

1шт.

12

218-5107

90 ELBOW,90 Degree Elbow, 7/8" - 14 Male JIC x 7/8" - 14 Male ORB

adjustable, 90 degree, order E20131

1шт.

13

237-6010

O-RING,0.097" Thk x 0.755" ID, -910, Cl 6, 90 Duro

elbow

1шт.

14

E99945

HOSE

hydraulic equipment pump to loader control valve, 19 3/32", 485 mm, long

1шт.

15

218-5062

HYD CONNECTOR,7/8"-14, 37 Degree x 7/8"-14, O-Ring

CONNECTOR straight

1шт.

16

237-6010

O-RING,0.097" Thk x 0.755" ID, -910, Cl 6, 90 Duro

connector

1шт.

17

D139831

VALVE, CONTROL

VALVE ASSEMBLY control, loader, parts list Fig. 8 170

1шт.

19

113-111

BOLT,Hex, 5/16" - 18 x 2-1/2", Gr 5

2шт.

20

192-20

LOCK WASHER,Helical Spring, 0.318" ID, CST, ZND

WASHER, LOCK, 5/16"

2шт.

21

25-225

SQUARE NUT,Sq, 5/16"-24

square, 5/16" 18 NC

2шт.

22

NLS

NO LONGER SERVICED

TUBE loader control, Serial Range: valve-tee

1шт.

23

218-1578

TEE,37 Degree, 1 1/16"-12 x 3/4"-16, Br

male

1шт.

24

D138162

PIPE

TUBE tee to oil cooler

1шт.

25

D63986

RADIATOR HOSE,2.63" ID x 8.50", SAE 20R4 CLASS SC

or SAE 20R4 CLASS R GRADE 1A or SAE 20R4 CLASS D1, Control Valve to Oil Cooler, Cut From S118382 Bulk Hose, See Below 2.63" ID x 8.50", SAE 20R4 CLASS SC

1шт.

25a

E20286

SLEEVE

hose at oil cooler and hydraulic tank, cut from H434724 bulk hose, 486 mm, see below

2шт.

26

113-182

BOLT,Hex, 5/16" - 18 x 1-5/8", Gr 5

hex head, 5/16" 18 UNC x 1 5/8"

2шт.

27

D54416

CLAMP

at oil cooler

2шт.

28

D76195

SPACER,10.31mm ID x 15.88mm OD x 17.78mm L

clamp, at oil cooler

2шт.

29

131-651

NUT,5/16"-18, GB

NUT hex, self locking, plated, 5/16" 18 UNC

2шт.

30

D57600

COOLER

oil

1шт.

31

D95232

LARGE HOSE

HOSE oil cooler to hydraulic tank, cut from S118382 bulk hose, 3/4", 19 mm, ID x 24", 610 mm, long, see below

1шт.

32

D138165

PIPE

TUBE intermediate, oil cooler hose to hydraulic tank return hose

1шт.

33

D135471

HOSE

long, return, to hydraulic tank, 39 3/8", 1000 mm

1шт.

34

218-5231

ELBOW,90 Degree, 1 1/16"-12, 37 Degree x 1 1/16"-12, 37 Degree Fem Sw

Adjustable, use with 218 5064 adapter 90º, 1 1/16"-12, 37º x 1 1/16"-12, 37º Fem Sw

1шт.

34a

218-5064

HYD CONNECTOR,1-1/16" - 12 Male JIC x 1-1/16" - 12 Male ORB

ADAPTER straight, use with 218 5231

1шт.

35

237-6012

O-RING,0.116" Thk x 0.924" ID, -912, Cl 6, 90 Duro

12-1, 90 Duro, .924 ID x .116" Thk, 218 5231 elbow and 218 5064 adapter

1шт.

36

218-5065

HYD CONNECTOR,1-1/16" - 12 Male JIC x 7/8" - 14 Male ORB

ADAPTER straight

1шт.

37

237-6010

O-RING,0.097" Thk x 0.755" ID, -910, Cl 6, 90 Duro

adapter

1шт.

38

E20131

FITTING

ELBOW 90 degree, special

1шт.

38a

237-6010

O-RING,0.097" Thk x 0.755" ID, -910, Cl 6, 90 Duro

elbow

1шт.

39

353-200

PLUG

taper, square head, 1/8 NPT, use with E20131

1шт.

40

L18337

CABLE TIE,9.95"-12.1" lg

STRAP tie, nylon, 15 inch

4шт.

41

D41654

CLAMP

P type, Serial Range: hose-frame

1шт.

S118382

HOSE,0.75" ID x 240.00", SAE 100R4

0.75" ID x 240.00" Bulk, SAE 100R4

1шт.

H434724

LOOM

SLEEVE bulk, 1000 mm long

1шт.

Выбрано товаров: 45