Запчасти Case IH 1825 (9-198) - CHASSIS AND COVERS (09) - CHASSIS/ATTACHMENTS

Схема запчастей Case IH 1825 - (9-198) - CHASSIS AND COVERS (09) - CHASSIS/ATTACHMENTS
30
6
20
8
9
31
21
27
25
28
12
29
2
23
3
5
15
11
32
13
1
7
10
26
22
15
4
FIT
1:1
100%

Артикул

Название

Примечание

Количество

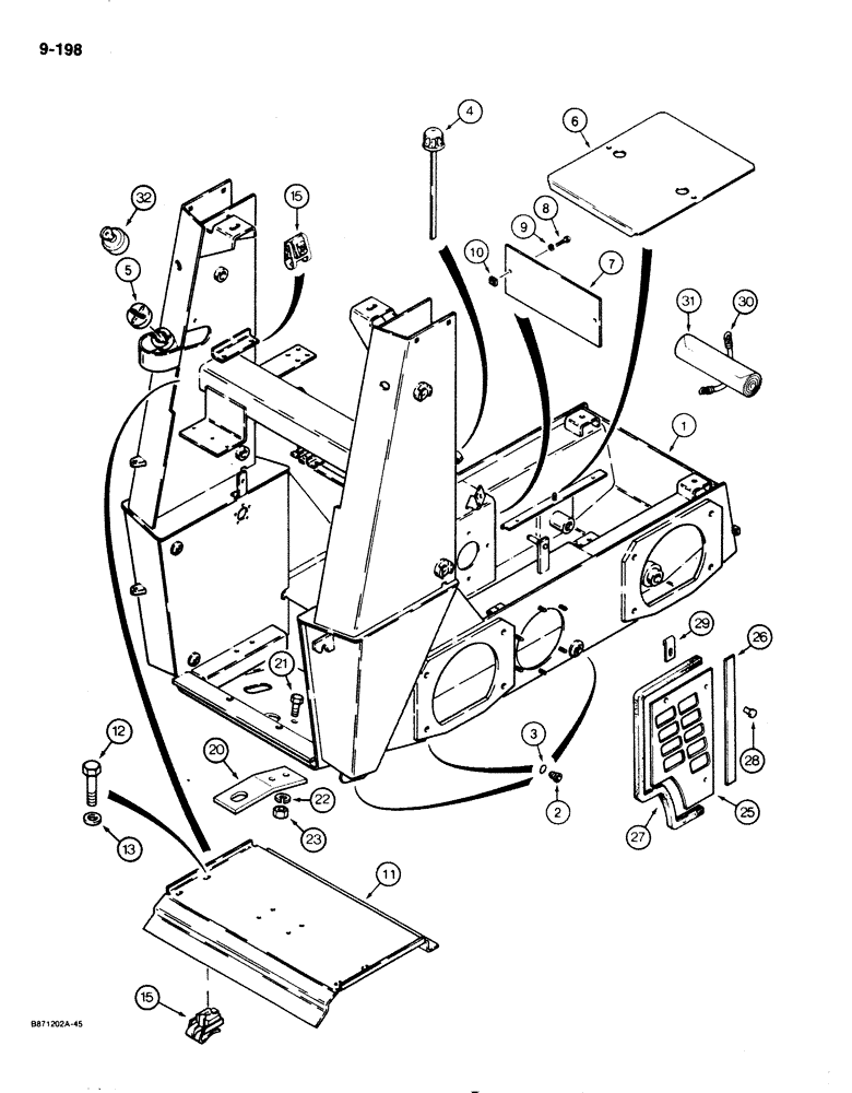
1

E20222

FRAME

CHASSIS Uni Loader

1шт.

2

71100209

PLUG,Hex Soc, 3/4"-16 ORB

6шт.

3

237-6008

O-RING,0.087" Thk x 0.644" ID, -908, Cl 6, 90 Duro

8-1, 90 Duro, .644" ID x .087" Thk, Plug

1шт.

4

E99875

CAP

hydraulic oil reservoir

1шт.

5

D93757

CAP

fuel tank, vented

1шт.

6

D135019

PLATE

floor

1шт.

7

D135043

PLATE

access

1шт.

8

113-221

BOLT,Hex, 3/8" - 16 x 7/8", Gr 5

hex head, plated, 3/8" 16 NC x 3/4", Replaces 113-206

2шт.

Ref #8 Replaced by 7/8" bolt

1шт.

9

192-21

LOCK WASHER,3/8"

WASHER, LOCK, 3/8"

2шт.

10

25-226

SQUARE NUT,Sq, 3/8"-16

square, 3/8" 16 NC

2шт.

11

E20326

PANEL

COVER battery, replaces E99975

1шт.

12

814-5016

BOLT,Hex, M5 x 0.8 x 16mm, Cl 8.8, Full Thd

plated, M5 x 16 mm

4шт.

13

E20240

WASHER

plated, M5

4шт.

15

E20193

SPECIAL NUT

RECEPTACLE nut fastener

4шт.

20

E20230

DRAWBAR

BAR draw, optional

1шт.

21

113-2424

BOLT,Hex, 1/2" - 13 x 1-1/4", Gr 8, Full Thd

hex head, plated, 1/2" 13 NC x 1 1/4"

2шт.

22

192-23

LOCK WASHER,1/2"

WASHER, LOCK, 1/2"

2шт.

23

129-145

JAM NUT,Jam, 1/2"-13, G5

2шт.

25

E20154

PANEL

door, engine enclosure, TBG, Germany

2шт.

26

E20145

SEALING STRIP

STRIP sealing, TBG, Germany, 25 x 3 x 400 mm long

2шт.

27

E20228

SEALING STRIP

EDGE protection, TBG, Germany, 670 mm long

2шт.

28

E99287

FASTENER

door, TBG, Germany

6шт.

29

E20156

CATCH

CLAMP door fastener, TBG, Germany

2шт.

30

E20151

STRAP

tool roll, special, TBG, Germany

1шт.

31

E20152

BAG-TOOL

TOOL ROLL TBG, Germany, 650 x 270 mm

1шт.

32

E98654

CAP

fuel, locking, TBG, Germany

1шт.

Выбрано товаров: 27