Запчасти Case IH 1825B (9-24) - FOPS/ROPS AND ROPS, GLAZED, EUROPE (09) - CHASSIS/ATTACHMENTS

Схема запчастей Case IH 1825B - (9-24) - FOPS/ROPS AND ROPS, GLAZED, EUROPE (09) - CHASSIS/ATTACHMENTS
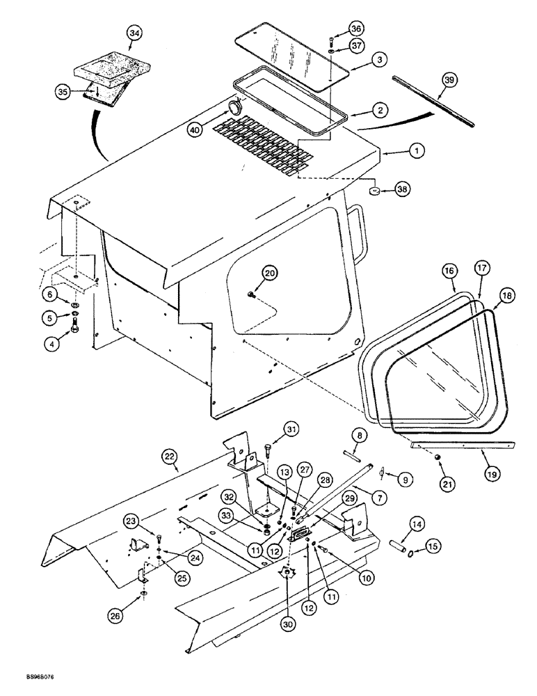
8
9
22
32
14
24
6
11
20
23
16
18
19
25
7
21
17
5
40
37
36
29
34
35
11
33
10
13
4
39
28
15
38
2
27
3
1
12
30
31
12
26
FIT
1:1
100%

Артикул

Название

Примечание

Количество

1

H674967

FRAME

FOPS/ROPS

1шт.

1

105857A1

FRAME

ROPS

1шт.

2

103863A1

SEALING STRIP

1шт.

3

144267A1

WINDOW ASSY

1шт.

4

413-824

BOLT,Hex, 1/2" - 13 x 1-1/2", Gr 5

2шт.

5

80679

LOCK WASHER,1/20.507 CST ZND

2шт.

6

496-41053

WASHER,13.49mm ID x 31.75mm OD x 5.05mm Thk

2шт.

7

111747A1

SPRING

CYLINDER, used with 105857A1

2шт.

7

103093A1

GAS STRUT,599mm Extended, 462mm Compressed

used with H674967

2шт.

8

427-5094

CLEVIS PIN,7.92mm OD x 23.88mm L

2шт.

9

H436613

COTTER PIN

cotter

2шт.

10

413-524

BOLT,Hex, 5/16" - 18 x 1-1/2", Gr 5

2шт.

11

495-11034

WASHER,5/16", SAE

(11/32 x 11/16 x 1/16")

4шт.

12

103563A1

SPACER

4шт.

13

232-4115

LOCK NUT,5/16"-18, GC

2шт.

14

D120704

PIN,19.05mm OD x 88mm L

pivot

2шт.

15

100-1175

SNAP RING,#75, Ext

4шт.

16

E20204

GASKET

TRIM

2шт.

17

107146A1

GLASS

WINDOW

2шт.

18

E20205

GASKET

TRIM

2шт.

19

220938A1

BAR

2шт.

20

413-412

BOLT,Hex, 1/4" - 20 x 3/4", Gr 5

6шт.

21

231-5144

SERRATED NUT,Flg, USR, 1/4"-20

6шт.

22

103864A2

FRAME

1шт.

23

413-514

BOLT,Hex, 5/16" - 18 x 7/8", Gr 5

2шт.

24

492-11031

LOCK WASHER,5/16"

2шт.

25

H426775

WASHER

2шт.

26

224-2245

SQUARE NUT,Sq, 5/16"-18, G2

2шт.

27

413-512

BOLT,Hex, 5/16" - 18 x 3/4", Gr 5

4шт.

28

495-11034

WASHER,5/16", SAE

(11/32 x 11/16 x 1/16")

4шт.

29

103566A1

SUPPORT

2шт.

30

231-5145

SERRATED NUT,Flg, USR, 5/16"-18

4шт.

31

413-824

BOLT,Hex, 1/2" - 13 x 1-1/2", Gr 5

2шт.

32

496-41053

WASHER,13.49mm ID x 31.75mm OD x 5.05mm Thk

2шт.

33

232-4118

NUT,1/2"-13, GC

2шт.

34

R46464

CASE

1шт.

35

151-522

RIVET,Pop, 3/16" x .575"

3/16 x 7/32

3шт.

36

840-1520

SCREW,Phillips Drive, Pan HD, M5 x 20mm, Cl 4.8

2шт.

37

103777A1

SEALING WASHER

2шт.

38

E99641

CAP

2шт.

39

192239A1

PAD

German T.B.G. models

1шт.

40

E99967

REAR VIEW MIRROR

German T.B.G. models

1шт.

Выбрано товаров: 42