Запчасти Case IH 1825B (2-18) - CYLINDER HEAD COVER (02) - ENGINE

Схема запчастей Case IH 1825B - (2-18) - CYLINDER HEAD COVER (02) - ENGINE
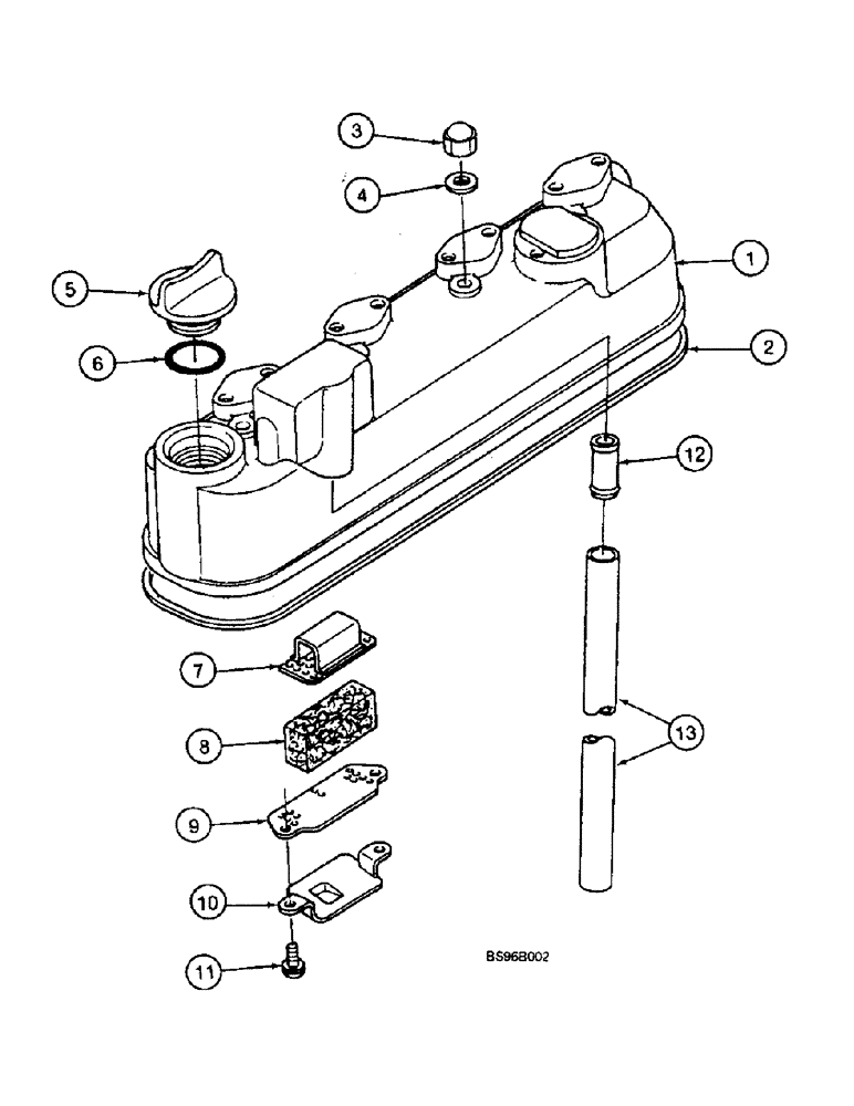
1
8
4
9
3
11
6
13
10
7
2
5
12
FIT
1:1
100%

Артикул

Название

Примечание

Количество

1

125302A1

COVER

1шт.

2

125303A1

GASKET

cover

1шт.

3

125311A1

NUT

4шт.

4

1959234C1

WASHER

SEAL

4шт.

5

200395A1

PLUG

Replaces 125312A1

1шт.

6

1959239C1

O-RING

1шт.

7

125308A1

IDENTITY PLATE

1шт.

8

125309A1

ELEVATOR

1шт.

9

125305A1

IDENTITY PLATE

1шт.

10

125310A1

COVER PLATE

SHIELD

1шт.

11

1959249C1

SCREW

2шт.

12

125304A1

HYD CONNECTOR

1шт.

13

125313A1

RIGID TUBE

1шт.

Выбрано товаров: 13