Запчасти Case IH 1825B (2-20) - THERMOSTAT AND HOUSING (02) - ENGINE

Схема запчастей Case IH 1825B - (2-20) - THERMOSTAT AND HOUSING (02) - ENGINE
5
3
9
1
7
15
15
10
6
13
12
11
7
4
2
8
14
FIT
1:1
100%

Артикул

Название

Примечание

Количество

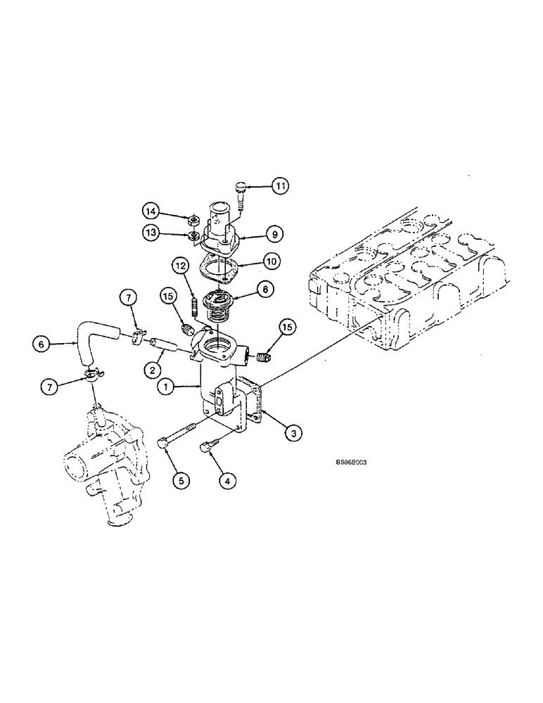
1

382871A1

SHIN

HOUSING, Replaces 125571A1, Incl. Ref. 2

1шт.

2

125289A1

RIGID TUBE

TUBE

1шт.

3

125573A1

GASKET

1шт.

4

1959319C1

BOLT

3шт.

5

126127A1

CAPTIVE WASHER SCREW

with lock washer

1шт.

6

125574A1

RIGID TUBE

1шт.

7

125575A1

BAND

2шт.

8

125576A1

THERMOSTAT

Before Engine S/N 110327; Cap OD 1.49", Around Side Frame 1.08" And Overall Height 1.79"

1шт.

8

127128A1

THERMOSTAT

Replaces 125576A1; Engine S/N 110327 And After; Cap OD 1.72", Around Side Frame 1.42" And Overall Height 1.72"

1шт.

9

125577A1

COVER

Replaces 125577A1; S/N 110327 And After

1шт.

10

1981634C1

GASKET

can also use 200071A1

1шт.

11

1959494C1

BOLT

Replaces 126128A1 and 200692A1; S/N 110327 And After

1шт.

12

125578A1

SCREW

Stud

1шт.

13

221638A1

SPRING WASHER

lock, Replaces 1959206C1

1шт.

14

1959205C1

NUT

1шт.

15

1959447C1

PLUG

2шт.

Выбрано товаров: 16