Запчасти Case IH 1825B (3-14) - GOVERNOR CONTROL (03) - FUEL SYSTEM

Схема запчастей Case IH 1825B - (3-14) - GOVERNOR CONTROL (03) - FUEL SYSTEM
3
13
11
9
4
10
3
1
8
6
3
2
5
12
3
7
FIT
1:1
100%

Артикул

Название

Примечание

Количество

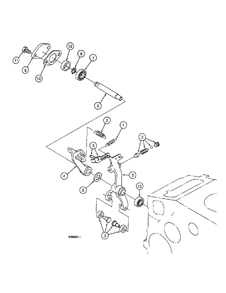
1

125551A1

SPRING

1шт.

2

125552A1

SPRING

1шт.

125553A1

KIT

ASSY, Incl. Ref. 3 - 8

1шт.

3

197443A1

LEVER

FORK

1шт.

4

125555A1

LEVEL GAUGE

1шт.

5

125556A1

SPINDLE

1шт.

6

125557A1

WASHER

1шт.

7

125558A1

BALL BEARING

1шт.

8

125559A1

RING, SNAP

RING SNAP

1шт.

9

125560A1

COVER

1шт.

10

125561A1

GASKET

cover

1шт.

11

126132A1

CAPTIVE WASHER SCREW,Hex

2шт.

12

125562A1

COLLAR

COLLAR

1шт.

13

125563A1

BALL BEARING

1шт.

Выбрано товаров: 14