Запчасти Case IH 1825B (4-02) - ALTERNATOR AND MOUNTING (04) - ELECTRICAL SYSTEMS

Схема запчастей Case IH 1825B - (4-02) - ALTERNATOR AND MOUNTING (04) - ELECTRICAL SYSTEMS
3
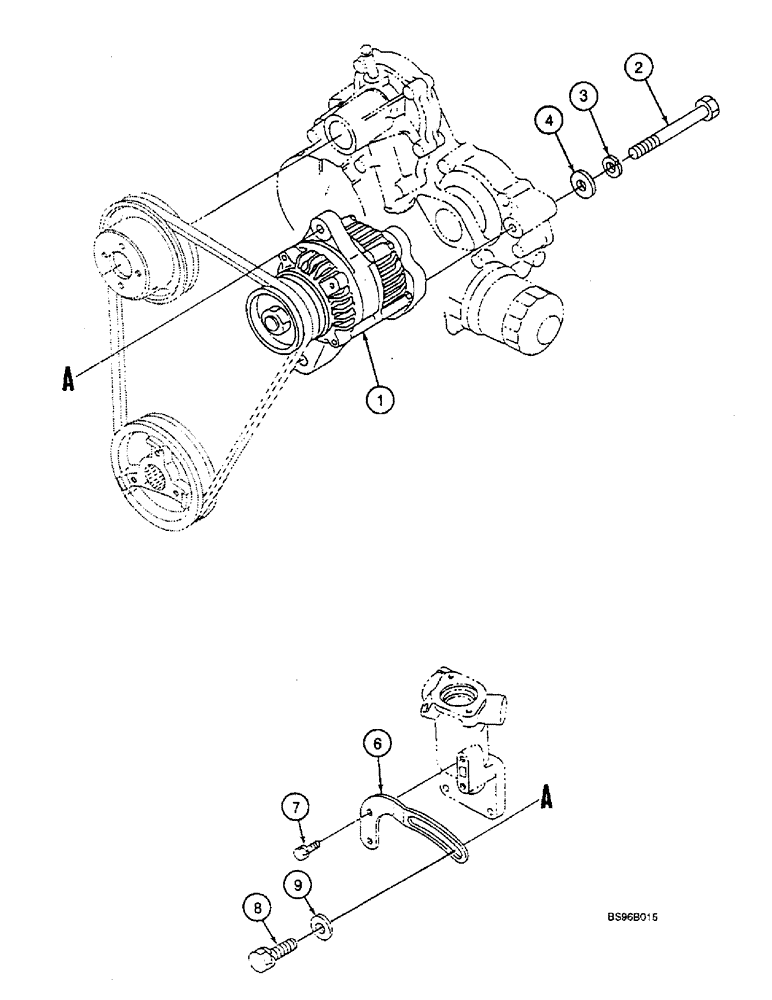
8
2
7
1
9
6
4
FIT
1:1
100%

Артикул

Название

Примечание

Количество

1

125564A1

ALTERNATOR

ASSY, see Figure 4-04

1шт.

125564A1R

REMAN-ALTERNATOR

Remanufactured ALTERNATOR, 12 volt 30 ampere, N.A. Only

1шт.

125564A1C

CORE-ALTERNATOR

Return Number, N.A. Only

1шт.

2

126139A1

BOLT,Hex

1шт.

3

202508A1

SCREW

WASHER lock, 10 mm, Replaces 1959270C1

1шт.

4

126140A1

WASHER

1шт.

5

125566A1

COVER

2шт.

6

125565A1

BELT TENSIONER

BRACE

1шт.

7

1959319C1

BOLT

1шт.

8

126133A1

CAPTIVE WASHER SCREW,Hex

1шт.

9

126142A1

WASHER

1шт.

Выбрано товаров: 11