Качественные детали и логистика
Оригинальные и аналоговые запчасти с доставкой по России, Казахстану и Беларуси
©2022 PartSell ООО "Система" ИНН 2463123282 ОГРН 1212400004838
Центральный офис: г. Красноярск, Академика Киренского, д.87, пом.4
Телефон: 8 (800) 777-65-74 Email: zakaz@partsell.ru
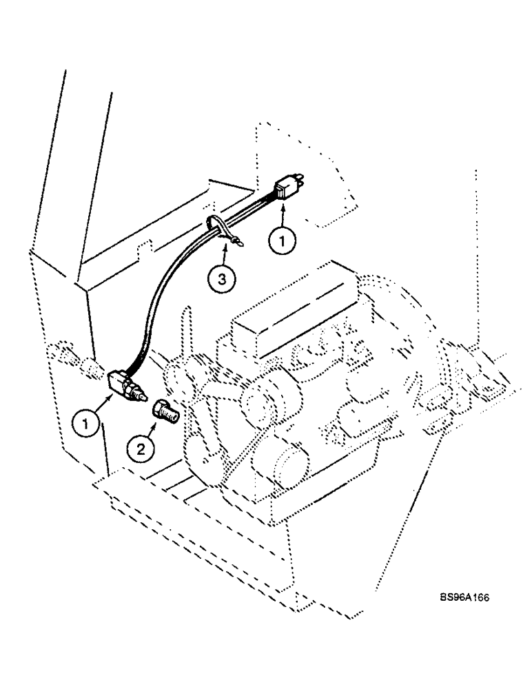
(4-30) - COLD STARTING AID, NORTH AMERICA
№
Артикул
Название
Примечание
Количество
1
87485528
WIRE HARNESS
HEATER cylinder block, 110 volt; Replaces 1959636C1
1шт.
2
221-604
REDUCER,Hex, 1" x 3/4" NPT
REDUCER, 1 x 3/4 in fem
3
L18337
CABLE TIE,9.95"-12.1" lg
CABLE STRAP tie, nylon, 15 in
Выбрано товаров: 0