Запчасти Case IH 1825B (4-34) - ROAD LAMPS AND WIRING, ITALIAN D.G.M. AND GERMAN T.U.V. (04) - ELECTRICAL SYSTEMS

Схема запчастей Case IH 1825B - (4-34) - ROAD LAMPS AND WIRING, ITALIAN D.G.M. AND GERMAN T.U.V. (04) - ELECTRICAL SYSTEMS
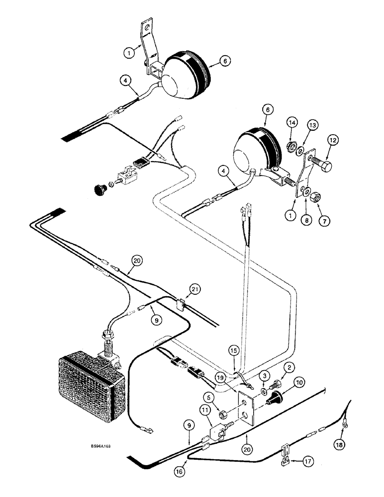
4
17
1
16
2
6
10
21
11
19
8
1
14
20
12
9
9
7
15
20
6
3
5
13
4
18
FIT
1:1
100%

Артикул

Название

Примечание

Количество

1

116502A1

LUG

BRACKET

2шт.

2

413-516

BOLT,Hex, 5/16" - 18 x 1", Gr 5

1шт.

3

495-11034

WASHER,5/16", SAE

(11/32 x 11/16 x 1/16")

1шт.

4

111159A1

HARNESS

2шт.

5

231-5145

SERRATED NUT,Flg, USR, 5/16"-18

1шт.

6

120139A1

LAMP,Halogen, 12V, 55W, Clear

LAMP ASSY, Incl. Ref. 7 and 8

2шт.

8

892-11010

LOCK WASHER,M10

1шт.

9

102332A1

ELECTRICAL WIRE

WIRE

1шт.

10

108314A1

BUTTON

1шт.

11

D74330

SWITCH

lamp

1шт.

12

413-616

BOLT,Hex, 3/8" - 16 x 1", Gr 5

2шт.

13

495-11041

WASHER,0.406" ID x 0.812" OD x 0.065" W

(13/32 x 13/16 x 1/16")

2шт.

14

231-5146

FLANGE NUT,3/8"-16

2шт.

15

L18337

CABLE TIE,9.95"-12.1" lg

CABLE STRAP tie, nylon, 15 in

1шт.

16

102331A1

ELECTRICAL WIRE

WIRE

1шт.

17

A149800

FUSE,10 Amp

10 ampere

1шт.

18

103938A1

ELECTRICAL WIRE

WIRE

1шт.

19

103892A1

LARGE PLATE

PLATE, LARGE

1шт.

20

123900A1

ELECTRICAL WIRE

WIRE

1шт.

21

H439303

CLIP

5шт.

22

189908A1

COVER

COVER flood lamp, rear, Italian D.G.M. models, not illustrated

1шт.

7

829-1410

NUT,M10 x 1.5, Cl 10.9

1шт.

Выбрано товаров: 22