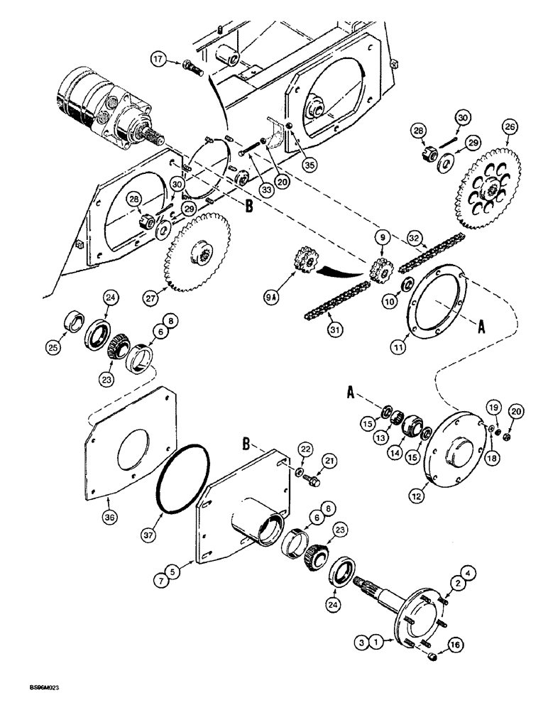
Запчасти Case IH 1825B (6-42) - AXLES AND DRIVE CHAINS (06) - POWER TRAIN

Схема запчастей Case IH 1825B - (6-42) - AXLES AND DRIVE CHAINS (06) - POWER TRAIN
7
26
20
15
6
35
4
11
17
8
9
8
24
30
33
28
32
31
5
9a
27
20
16
23
2
37
10
29
6
29
3
23
18
30
22
13
36
28
15
24
12
21
1
14
25
19
FIT
1:1
100%

Артикул

Название

Примечание

Количество

1

126332A1

AXLE

ASSY, front, Incl. Ref. 2

2шт.

2

H435130

WHEEL BOLT

BOLT

6шт.

3

126331A1

AXLE

ASSY, rear, Incl. Ref. 4

2шт.

4

H435130

WHEEL BOLT

BOLT

6шт.

5

118984A1

HUB,Assembly

front, Incl. Ref. 6

2шт.

6

130503H

BEARING CUP

cup

2шт.

7

118985A1

HUB,Assembly

rear, Incl. Ref. 8

2шт.

8

130503H

BEARING CUP

cup

2шт.

9

H435479

DRIVE SPROCKET

12 teeth, N.A. only

2шт.

9a

221597A1

DRIVE SPROCKET

11 teeth, Europe only

2шт.

10

A58070

WASHER,25.45mm ID x 44.45mm OD x 0.76mm Thk

thrust

2шт.

11

D136535

GASKET,1.57mm Thk

SEAL

2шт.

NSS

NOT SOLD SEPARAT

HOUSING ASSY, Incl. Ref. 12 - 15

2шт.

12

D134311

COVER

1шт.

13

D80554

NEEDLE BEARING CAGE

1шт.

14

D36203

BUSHING,38.1mm ID x 61.91mm OD x 33.33mm W

BUSHING

1шт.

15

D132922

BEARING WASHER,28.57mm ID x 38.27mm OD x 3.05mm Thk

RETAINER

2шт.

16

F23214

WHEEL NUT

24шт.

17

H435895

BOLT

12шт.

18

495-11041

WASHER,0.406" ID x 0.812" OD x 0.065" W

(13/32 x 13/16 x 1/16")

12шт.

19

492-11038

LOCK WASHER,3/8"

12шт.

20

425-106

NUT,3/8"-16, Cl 5

16шт.

21

426-822

BOLT,Hex, 1/2" - 13 x 1-3/8", Gr 8

1/2 x 1-3/8; 8

20шт.

22

495-81025

WASHER,13.49mm ID x 31.75mm OD x 4.93mm Thk

17/32 x 1-1/4 x 5/32

20шт.

23

ST2118

TAPERED BEARING,1.75" ID x 3.27" OD x 0.9375"

8шт.

24

D53767

OIL SEAL,57.15mm ID x 85.75mm OD x 11mm Thk

8шт.

25

D134202

SPACER,44.5mm ID x 57.23mm OD x 16mm L

4шт.

26

D134203

DRIVE SPROCKET

front

2шт.

27

D135527

DRIVE SPROCKET

rear

2шт.

28

425-1314

SLOTTED NUT,7/8"-14, G5

4шт.

29

D53273

WASHER,23.02mm ID x 57.15mm OD x 1.41mm Thk

4шт.

30

432-1024

COTTER PIN,5/32" x 1 1/2"

5/32" x 1 1/2"

4шт.

31

H437277

CHAIN (CE),60H, 62 Links x 19.05mm = 1181.1mm

62 pitch

2шт.

32

H437276

CHAIN (CE)

76 pitch

2шт.

33

113-2296

BOLT,Hex, 3/8" - 16 x 2", Gr 5, Full Thd

4шт.

35

231-5146

FLANGE NUT,3/8"-16

4шт.

36

113706A1

LARGE PLATE

PLATE, LARGE SEAL

4шт.

37

238-5267

O-RING,0.139" Thk x 8.234" ID, -267, Cl 5, 75 Duro

4шт.

Выбрано товаров: 38