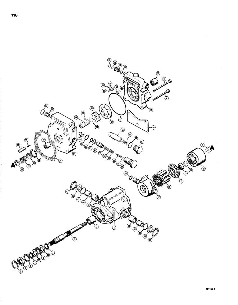
Запчасти Case IH 1830 (116) - D75507 VARIABLE DISPLACEMENT PUMP (35) - HYDRAULIC SYSTEMS

Схема запчастей Case IH 1830 - (116) - D75507 VARIABLE DISPLACEMENT PUMP (35) - HYDRAULIC SYSTEMS
50
26
12
27
46
38
6
41
16
10
55
3
19
54
68
45
8
31
34
5
63
61
51
69
37
67
65
13
10
39b
48
66
25
47
56
46
39a
7
7
20
52
18
2
48
35
42
24
33
39
59
4
65
29
47
11
21
16
44
62
64
42
43
32
60
17
15
36
40
1
53
58
64
9
57
14
FIT
1:1
100%

Артикул

Название

Примечание

Количество

D75507

PUMP

variable displacement, LH drive, included Ref. 1 through 65.

1шт.

1

D73654

HOUSING

front, included Ref. 2.

1шт.

2

F51079

NEEDLE BEARING

BEARING housing

1шт.

3

13-556

BOLT,Hex, 5/16" - 18 x 3-1/2", Gr 5

- hex, 5/16"-18 NC x 3-1/2"

2шт.

4

13-560

BOLT,Hex, 5/16" - 18 x 3-3/4", Gr 5

HHCS, 5/16" - 18 NC x 3-3/4"

2шт.

5

D27833

SNAP RING,1.625", Int, #162

Ring, Snap, 1.625", Int, #162

1шт.

Part of Repair Kit P/N D73636, see Figures 088, 106 through 116 and 124

1шт.

6

D73666

SEAL

shaft

1шт.

Part of Repair Kit P/N D73636, see Figures 088, 106 through 116 and 124

1шт.

7

B18208

SNAP RING,#100, Ext

2шт.

Part of Repair Kit P/N D73636, see Figures 088, 106 through 116 and 124

1шт.

8

D63314

WASHER

seal

1шт.

9

G13609

THRUST BEARING,25.4mm ID x 39.67mm OD x 1.98mm W

BEARING, THRUST

1шт.

10

T38017

WASHER,25.45mm ID x 39.42mm OD x 2.41mm Thk

RACE thrust bearing

2шт.

11

D63308

SHAFT

drive

1шт.

12

D63306

CAM

SWASH PLATE, LH

1шт.

13

D66372

PIVOT

spider

1шт.

Part of Piston Block Kit P/N D66375

1шт.

REF

INSTRUCTION

PISTON BLOCK ASSEMBLY use D66375 kit

1шт.

Part of Piston Block Kit P/N D66375

1шт.

14

D61974

PIN

RING keeper,included Ref. 15 through 19.

1шт.

15

D61971

PIN,2.03mm OD x 25.4mm L

loading

3шт.

16

D61972

WASHER

spring

2шт.

17

D63316

SPRING

loading

1шт.

18

A30975

SNAP RING,1.188", Int, #118

1шт.

Part of Repair Kit P/N D73636, see Figures 088, 106 through 116 and 124

1шт.

19

NSS

NOT SOLD SEPARAT

BLOCK piston

1шт.

20

D61946

PISTON

KIT, set of 9

1шт.

21

D61969

U-JOINT SPIDER

SPIDER swash plate

1шт.

Part of Piston Block Kit P/N D66375

1шт.

22

RESERVED

1шт.

23

RESERVED

1шт.

24

D61977

GASKET

housing

1шт.

Part of Repair Kit P/N D73636, see Figures 088, 106 through 116 and 124

1шт.

D61965

PLATE

BACKING PLATE ASSEMBLY, included Ref. 25 through 30.

1шт.

25

NSS

NOT SOLD SEPARAT

PLATE backing

1шт.

26

NSS

NOT SOLD SEPARAT

STOP cam

1шт.

27

14228

NEEDLE BEARING,Needle, 19.05mm ID x 25.4mm OD x 19.05mm W

BEARING shaft

1шт.

28

RESERVED

1шт.

29

138-174

LOCK PIN,3/8" x 1 1/2", Slotted

PIN, 3/8" x 1 1/2", Slotted

1шт.

30

RESERVED

1шт.

N6023

ADAPTER

ASSEMBLY pump, included Ref. 31 through 39B.

1шт.

31

NSS

NOT SOLD SEPARAT

HOUSING adapter

1шт.

32

D66377

BEARING,0.875" ID x 1.125" OD x 0.5"

adapter

1шт.

33

D66207

SPOOL

POPPET spring

1шт.

34

D66209

SPRING

pressure

1шт.

35

D63324

WASHER

retaining

1шт.

36

G46147

SNAP RING,0.625", Int, #62

Ring, Snap, 0.625", Int, #62

1шт.

Part of Repair Kit P/N D73636, see Figures 088, 106 through 116 and 124

1шт.

D75510

ROTOR ASSY.

GEROTOR ASSEMBLY matched set

1шт.

37

NSS

NOT SOLD SEPARAT

GEAR outer

1шт.

REF: #37 & 38 ARE NOT PART OF #36

1шт.

38

NSS

NOT SOLD SEPARAT

GEAR inner

1шт.

39

D73668

OPEN END WRENCH

KEY, Serial Range: gear-coupler

1шт.

39a

D73657

SPLINED COUPLING

COUPLER shaft, if used

1шт.

39b

D31918

RING

retaining

2шт.

40

D63305

BRACKET

support

1шт.

41

A146616

O-RING,0.103" Thk x 4.487" ID, -157, Cl 7, 75 Duro

SEAL O-ring

1шт.

42

T28550

SNAP RING,1.50", Int, #150

Ring, Snap, 1.50", Int, #150

2шт.

Part of Repair Kit P/N D73636, see Figures 088, 106 through 116 and 124

1шт.

43

D61975

COVER

trunnion

1шт.

44

D63313

O-RING,5" ID

SEAL O-ring

1шт.

Part of Repair Kit P/N D73636, see Figures 088, 106 through 116 and 124

1шт.

45

D63309

BUSHING

SLEEVE cover

1шт.

46

D61963

BEARING, CONE

RACE bearing

2шт.

47

D26819

O-RING,1.299" ID x 1.505" OD

SEAL O-ring

2шт.

Part of Repair Kit P/N D73636, see Figures 088, 106 through 116 and 124

1шт.

48

A12652

NEEDLE BEARING,1" ID x 1.251" OD x 0.75"

BEARING needle

2шт.

49

RESERVED

1шт.

D61966

VALVE

check, included Ref. 50 through 54.

2шт.

50

NSS

NOT SOLD SEPARAT

BODY check

1шт.

51

211-309

BALL

steel, 5/16" dia

1шт.

REF: #51 REPLACED BY P/N 211-308 9/32 BALL

1шт.

52

D61967

O-RING,0.07" Thk x 0.426" ID, -13, Cl 6, 90 Duro

SEAL O-ring

1шт.

Part of Repair Kit P/N D73636, see Figures 088, 106 through 116 and 124

1шт.

53

D54861

BACK-UP RING

WASHER backup

1шт.

Part of Repair Kit P/N D73636, see Figures 088, 106 through 116 and 124

1шт.

54

138-37

LOCK PIN,3/32" x 1/2", Slotted

PIN, 3/32" x 1/2", Slotted

1шт.

REF

INSTRUCTION

VALVE ASSEMBLY relief, with long plug, use D66374 and D80497, included Ref. 55 through 65.

2шт.

55

NSS

NOT SOLD SEPARAT

CARTRIDGE valve

1шт.

56

NSS

NOT SOLD SEPARAT

RING retaining

1шт.

57

NSS

NOT SOLD SEPARAT

SHIM, .015" thick

1шт.

58

NSS

NOT SOLD SEPARAT

SHIM, .005" thick

1шт.

59

NSS

NOT SOLD SEPARAT

SPRING relief

1шт.

60

NSS

NOT SOLD SEPARAT

SPOOL valve

1шт.

61

NSS

NOT SOLD SEPARAT

BODY valve

1шт.

62

L30443

BACK-UP RING,0.547" ID x 0.049" Width

WASHER backup

1шт.

63

D63328

O-RING

SEAL O-ring

1шт.

64

A41316

O-RING,0.103" Thk x 0.862" ID, -118, Cl 6, 90 Duro

SEAL O-ring

1шт.

Part of Repair Kit P/N D73636, see Figures 088, 106 through 116 and 124

1шт.

65

NSS

NOT SOLD SEPARAT

SEAT valve

1шт.

66

D66374

VALVE

ASSEMBLY relief, used with short plug, if used

2шт.

D80497

PLUG

ASSEMBLY used with item 66, included Ref. 67 through 69.

2шт.

67

NSS

NOT SOLD SEPARAT

PLUG

1шт.

68

A41316

O-RING,0.103" Thk x 0.862" ID, -118, Cl 6, 90 Duro

plug

1шт.

Part of Repair Kit P/N D73636, see Figures 088, 106 through 116 and 124

1шт.

69

D80498

SPRING

internal, plug

1шт.

D73636

GASKET KIT

KIT repair, seal and retaining ring, Includes: Ref. 5, 6, 7, 18, 24, 36, 42, 44, 47, 52, 53, 64 and 68, also see Figures 088, 108, 112, and 124

1шт.

D66375

PISTON

KIT piston block, Includes: Ref. 13, the piston block assembly shown below Ref. 13 and Ref. 21

1шт.

Выбрано товаров: 99