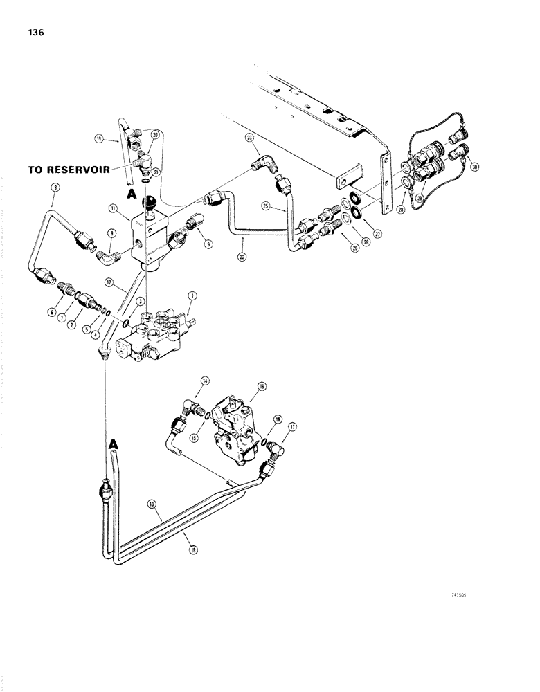
Запчасти Case IH 1830 (136) - AUXILIARY HYDRAULICS USED WITH PARKER HANNIFIN VALVE FRONT LOADER HYDRAULICS AND DIVERTER VALVE (35) - HYDRAULIC SYSTEMS

Схема запчастей Case IH 1830 - (136) - AUXILIARY HYDRAULICS USED WITH PARKER HANNIFIN VALVE FRONT LOADER HYDRAULICS AND DIVERTER VALVE (35) - HYDRAULIC SYSTEMS
19
12
17
25
30
22
3
1
4
27
21
2
28
5
20
11
7
29
14
9
18
8
9
19
13
28
6
16
15
26
23
FIT
1:1
100%

Артикул

Название

Примечание

Количество

1

REF

INSTRUCTION

VALVE hydraulic, 2 spool, see Fig.148

1шт.

2

D61608

SLEEVE

power beyond, included Ref. 3, 4 and 5.

1шт.

3

A27365

O-RING,0.103" Thk x 0.75" ID, -116, Cl 5, 75 Duro

SEAL O-ring, large

1шт.

4

A17526

O-RING,0.614" ID x 0.754" OD x 0.7"

SEAL O-ring, small

1шт.

5

A34493

RING,16.33mm ID x 19.02mm OD x 1.25mm Thk

backup

1шт.

6

218-5062

HYD CONNECTOR,7/8"-14, 37 Degree x 7/8"-14, O-Ring

CONNECTOR straight, male, included Ref.7 .

1шт.

7

237-6010

O-RING,0.097" Thk x 0.755" ID, -910, Cl 6, 90 Duro

SEAL O-ring

1шт.

8

D65548

TUBE two spool to diverter valve

1шт.

9

218-494

ELBOW,90 Degree Elbow, 7/8" - 14 Male JIC x 3/4" - 14 Male NPTF

90 degrees, male

2шт.

10

RESERVED

1шт.

11

D65378

VALVE

diverter, parts list Fig.152

1шт.

12

D65550

TUBE at diverter valve, to one spool valve

1шт.

13

D65540

TUBE at one spool valve, from diverter valve

1шт.

14

218-5123

ELBOW,90 Degree Elbow, 1-1/16" - 12 Male JIC x 7/8" - 14 Male ORB

90 degrees, male, adjustable, included Ref. 15.

1шт.

15

237-6010

O-RING,0.097" Thk x 0.755" ID, -910, Cl 6, 90 Duro

SEAL O-ring

1шт.

16

D65377

VALVE hydraulic, one spool, parts list Fig. 152

1шт.

17

218-5108

ELBOW,90 Degree Elbow, 1-1/16" - 12 Male JIC x 1-1/16" - 12 Male ORB

adjustable, male, Incl. Ref. 18. 90º, 1 1/16"-12, 37º x 1 1/16"-12, O-Ring

1шт.

18

218-5008

O-RING,0.116" Thk x 0.924" ID, -912, Cl 6, 90 Duro

SEAL O-ring

1шт.

19

D65542

TUBE one spool valve to two spool valve

1шт.

20

D61606

TEE

special, included Ref. 21.

1шт.

21

218-507

ELBOW,90 Degree Elbow, 1/2" - 20 Male JIC x 1/8" - 27 Male NPTF

SEAL O-ring

1шт.

22

D63762

TUBE

return

1шт.

23

218-494

ELBOW,90 Degree Elbow, 7/8" - 14 Male JIC x 3/4" - 14 Male NPTF

90 degrees, male

1шт.

24

RESERVED

1шт.

25

D65552

TUBE at diverter valve

1шт.

26

218-445

HYD CONNECTOR,7/8" - 14 Male JIC x 1/2" - 14 Male NPTF

CONNECTOR straight, male, bulkhead

2шт.

27

T42340

BUSHING

SPACER washer

2шт.

28

T40267

WASHER

backup

4шт.

29

T40265

COUPLING, BREAK AWAY

COUPLING quick disconnect, male

2шт.

30

T40274

CAP

dust, coupling

2шт.

Выбрано товаров: 30