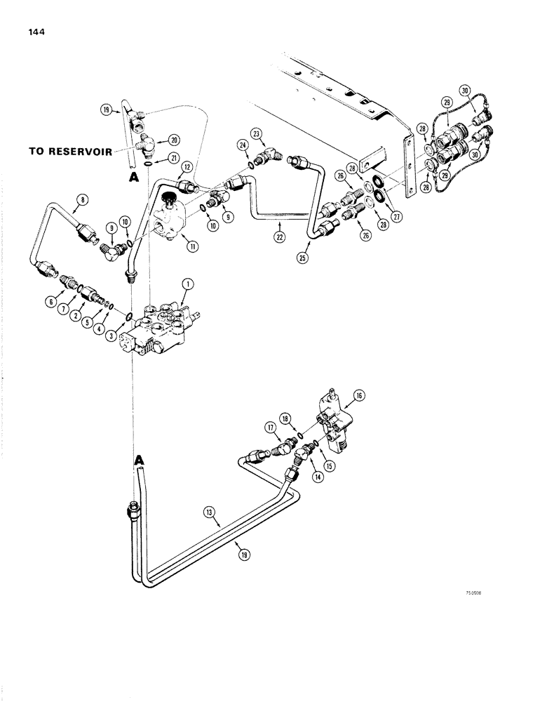
Запчасти Case IH 1830 (144) - AUXILIARY HYDRAULICS USE WITH CESSNA VALVE FRONT LOADER HYDRAULIC AND DIVERTER VALVE (35) - HYDRAULIC SYSTEMS

Схема запчастей Case IH 1830 - (144) - AUXILIARY HYDRAULICS USE WITH CESSNA VALVE FRONT LOADER HYDRAULIC AND DIVERTER VALVE (35) - HYDRAULIC SYSTEMS
1
12
16
30
14
7
26
10
20
27
6
29
23
28
9
18
17
26
28
9
28
15
21
5
3
4
28
2
13
19
8
19
11
24
22
25
30
10
29
FIT
1:1
100%

Артикул

Название

Примечание

Количество

1

REF

INSTRUCTION

VALVE hydraulic, 2 spool, see Fig.148

1шт.

2

D61608

SLEEVE

power beyond, included Ref. 3, 4 and 5.

1шт.

3

A27365

O-RING,0.103" Thk x 0.75" ID, -116, Cl 5, 75 Duro

SEAL O-ring, large

1шт.

4

A17526

O-RING,0.614" ID x 0.754" OD x 0.7"

SEAL O-ring, small

1шт.

5

A34493

RING,16.33mm ID x 19.02mm OD x 1.25mm Thk

backup

1шт.

6

218-5062

HYD CONNECTOR,7/8"-14, 37 Degree x 7/8"-14, O-Ring

CONNECTOR straight, male, included Ref. 7.

1шт.

7

237-6010

O-RING,0.097" Thk x 0.755" ID, -910, Cl 6, 90 Duro

SEAL O-ring

1шт.

8

D63764

PIPE

TUBE, two spool to diverter valve

1шт.

9

218-5117

ELBOW,90 Degree Elbow, 7/8" - 14 Male JIC x 3/4" - 16 Male ORB

90 degrees, male, included Ref. 10.

2шт.

11

G34981

VALVE

diverter, parts list Fig.154

1шт.

12

D63766

TUBE

at diverter valve, to one spool valve

1шт.

13

D65518

PIPE

TUBE, at one spool valve, from diverter valve

1шт.

14

218-5528

ELBOW,45 Degree, 1 1/16"-12 x 7/8"-14, O-Ring

45 degrees, male, adjustable, included Ref. 15.

1шт.

15

237-6010

O-RING,0.097" Thk x 0.755" ID, -910, Cl 6, 90 Duro

SEAL O-ring

1шт.

16

D64670

VALVE

hydraulic, one spool, parts list Fig.154

1шт.

17

218-5123

ELBOW,90 Degree Elbow, 1-1/16" - 12 Male JIC x 7/8" - 14 Male ORB

90 degrees, adjustable, male, included Ref. 18.

1шт.

18

218-5008

O-RING,0.116" Thk x 0.924" ID, -912, Cl 6, 90 Duro

SEAL O-ring

1шт.

19

D65520

PIPE

TUBE, one spool valve to two spool valve

1шт.

20

D61606

TEE

special, included Ref. 21.

1шт.

21

237-6010

O-RING,0.097" Thk x 0.755" ID, -910, Cl 6, 90 Duro

SEAL O-ring

1шт.

22

D63762

TUBE

return

1шт.

23

218-5145

ELBOW,45 Degree Elbow, 7/8" - 14 Male JIC x 3/4" - 16 Male ORB

Male, Included Ref. 24. 45º, 7/8"-14 x 3/4"-16, O-Ring

1шт.

25

D63760

TUBE

at diverter valve

1шт.

26

218-445

HYD CONNECTOR,7/8" - 14 Male JIC x 1/2" - 14 Male NPTF

CONNECTOR straight, male, bulkhead

2шт.

27

T42340

BUSHING

SPACER washer

2шт.

28

T40267

WASHER

backup

4шт.

29

T40265

COUPLING, BREAK AWAY

COUPLING quick disconnect, male

2шт.

30

T40274

CAP

dust, coupling

2шт.

10

218-5006

O-RING,0.087" Thk x 0.644" ID, -908, Cl 6, 90 Duro

SEAL O-ring

1шт.

24

218-5006

O-RING,0.087" Thk x 0.644" ID, -908, Cl 6, 90 Duro

SEAL O-ring

1шт.

Выбрано товаров: 30