Запчасти Case IH 1830 (148) - TWO SPOOL VALVES - LOADER, CESSNA NO 30572-AAD (35) - HYDRAULIC SYSTEMS

Схема запчастей Case IH 1830 - (148) - TWO SPOOL VALVES - LOADER, CESSNA NO 30572-AAD (35) - HYDRAULIC SYSTEMS
2
30
16
4
1
21
7
17
6
26
29
9
11
10
31
19
14
5
20
33
27
21
22
23
24
12
25
28
15
8
18
3
32
13
FIT
1:1
100%

Артикул

Название

Примечание

Количество

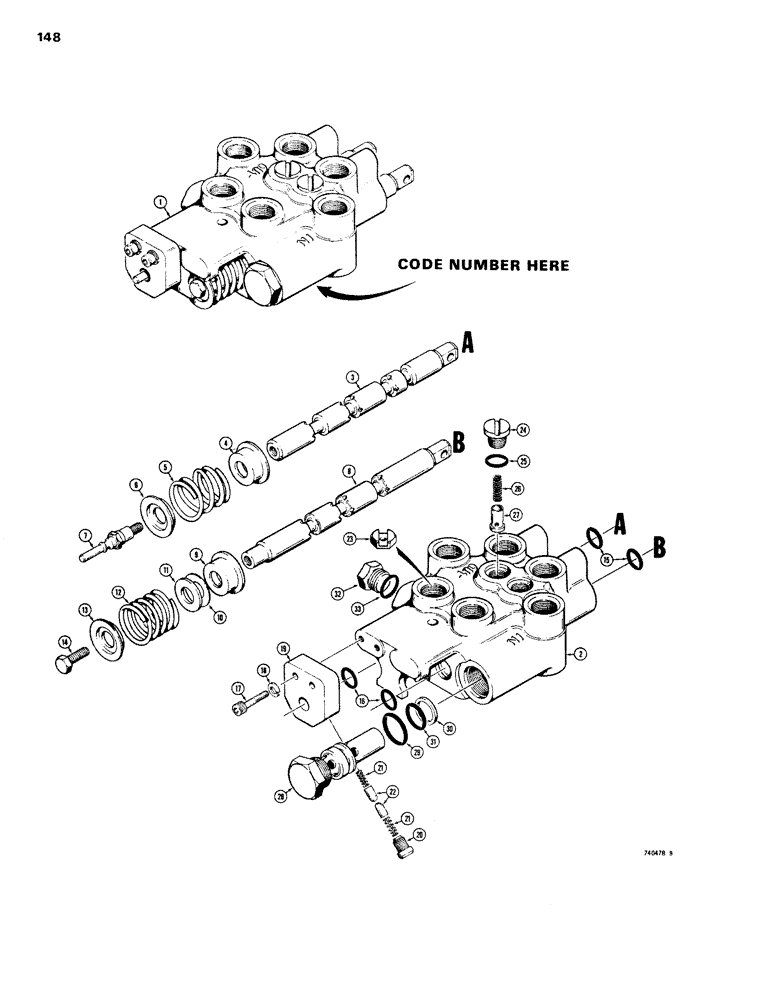
1

D60105

VALVE two spool, before code 7602

1шт.

1

REF

INSTRUCTION

VALVE two spool, coded 7602 and after, use D77179 includes valve and instructions, included Ref. 2 through 27

1шт.

2

NSS

NOT SOLD SEPARAT

BODY valve

1шт.

3

NSS

NOT SOLD SEPARAT

SPOOL A float, lift

1шт.

4

H138271

WASHER

RETAINER spring, washer

1шт.

5

F59118

SPRING

spool centering

1шт.

6

F59116

WASHER

RETAINER spring, washer

1шт.

7

H139071

SCREW,1/4" - 20

special, spool

1шт.

8

NSS

NOT SOLD SEPARAT

SPOOL B bucket

1шт.

9

H52902

CAP

RETAINER spring, washer

1шт.

10

F8235

WASHER

special, .062", 1.574 mm, thick

1шт.

11

H746164

WASHER

special, .156", 3.962 mm, thick

1шт.

12

F59118

SPRING

spool centering

1шт.

13

F59116

WASHER

RETAINING spring, washer

1шт.

14

H138248

SCREW,1/4" - 20 x 7/16"

special

1шт.

15

F37887

O-RING

2шт.

Part of Seal Repair Kit P/N D61932

1шт.

16

A7982

O-RING,0.103" Thk x 0.612" ID, -114, Cl 5, 75 Duro

2шт.

Part of Seal Repair Kit P/N D61932

1шт.

17

61-416

HEX SOC SCREW,1/4"-20 x 1"

SCREW cap, socket head, 1/4" - 20 NC x 1"

2шт.

18

92-4

LOCK WASHER,1/4"

WASHER, LOCK, 1/4"

2шт.

19

H125831

BLOCK

detent

1шт.

20

H105015

PLUG

detent

1шт.

21

H105049

SPRING

detent

2шт.

22

H104992

PAWL

detent

2шт.

23

D73659

FITTING

PLATE orifice

1шт.

24

FH730382

PLUG

check

2шт.

25

H756783

O-RING,0.103" Thk x 0.487" ID, -112, Cl 6, 90 Duro

1шт.

Part of Seal Repair Kit P/N D61932

1шт.

26

FH730374

SPRING

check

2шт.

27

FH730366

PLUNGER

check

2шт.

D77179

VALVE

included valve and instructions.

1шт.

D77393

VALVE

ASSEMBLY relief, included Ref. 28 through 31.

1шт.

28

NSS

NOT SOLD SEPARAT

VALVE relief

1шт.

29

A27365

O-RING,0.103" Thk x 0.75" ID, -116, Cl 5, 75 Duro

SEAL O-ring

1шт.

Part of Seal Repair Kit P/N D61932

1шт.

30

G32626

RING

WASHER backup

1шт.

Part of Seal Repair Kit P/N D61932

1шт.

31

A7982

O-RING,0.103" Thk x 0.612" ID, -114, Cl 5, 75 Duro

1шт.

Part of Seal Repair Kit P/N D61932

1шт.

32

86512512

PLUG,7/8" - 14 ORB

1шт.

33

237-6010

O-RING,0.097" Thk x 0.755" ID, -910, Cl 6, 90 Duro

1шт.

D61932

SEAL KIT

KIT - seal repair, Includes: Ref. 15, 16, 25 and 29 - 31

1шт.

Выбрано товаров: 43