Запчасти Case IH 1830 (184) - MANURE FORK (89) - TOOLS

Схема запчастей Case IH 1830 - (184) - MANURE FORK (89) - TOOLS
11
17
21
22
19
13
20
19
9
1
7
12a
14
15
12
19
22
30
27
26
13
19
20
21
6
22
14
16
11
26
18
23
3
28
12
12
18
13
29
10
2
18
5
25
4
21
24
21
22
11
16
8
FIT
1:1
100%

Артикул

Название

Примечание

Количество

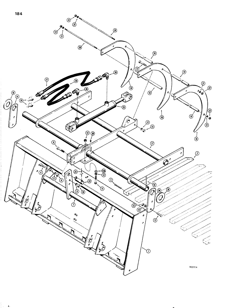
1

D60565

FRAME - fork, early models without grapple attachment

1шт.

1

D66011

FRAME

- fork, late models with grapple attachment

1шт.

2

D64911

TINE

- manure

11шт.

3

132-154

COTTER PIN,1/4" x 2"

Pin, Split (Cotter), 1/4" x 2"

11шт.

4

113-410

BOLT,Hex, 1/2" - 13 x 1-1/2", Gr 5, Full Thd

Grapple attachment Hex, 1/2"-13 x 1 1/2", G5, Full Thd

4шт.

5

192-23

LOCK WASHER,1/2"

WASHER, LOCK, , Grapple attachment 1/2"

4шт.

6

129-105

NUT,Hex, 1/2" - 13, Gr 5

Grapple attachment 1/2"-13, G5

4шт.

7

D88370

ANCHOR

- cylinder, grapple attachment

1шт.

8

80087972

BOLT,Hex, 1/2" - 13 x 2 1/2", Gr 5

HHCS - 1/2" - 13 NC x 2-1/2", plated, grapple attachment

2шт.

9

192-23

LOCK WASHER,1/2"

WASHER, LOCK, , Grapple attachment 1/2"

2шт.

10

129-105

NUT,Hex, 1/2" - 13, Gr 5

Grapple attachment 1/2"-13, G5

2шт.

11

113-410

BOLT,Hex, 1/2" - 13 x 1-1/2", Gr 5, Full Thd

Grapple attachment Hex, 1/2"-13 x 1 1/2", G5, Full Thd

14шт.

12

192-23

LOCK WASHER,1/2"

WASHER, LOCK, , Grapple attachment 1/2"

14шт.

12a

195-106

WASHER,1/2"

- flat, , plated, grapple attachment 1/2"

4шт.

13

129-105

NUT,Hex, 1/2" - 13, Gr 5

Grapple attachment 1/2"-13, G5

14шт.

14

D64908

BRACE

PIVOT - grapple support, attachment

2шт.

15

132-352

COTTER PIN,1/4" x 2 1/2"

Pin, Split (Cotter), , grapple attachment 1/4" x 2 1/2"

2шт.

16

195-116

WASHER,1 5/8"

- flat, 1-5/8", grapple attachment

2шт.

17

D88375

FRAME

- grapple, attachment

1шт.

18

D64909

FORK

HOOK - grapple, attachment

3шт.

19

D64907

BUSHING

SPACER - hooks, grapple attachment

4шт.

20

D64912

ROD

- tie, hook, grapple attachment

2шт.

21

192-27

LOCK WASHER,3/4"

WASHER, LOCK, , Grapple attachment 3/4"

4шт.

22

129-108

NUT,3/4"-10, G5

Grapple attachment 3/4"-10, G5

4шт.

23

D61036

PIN

- cylinder mounting, grapple attachment

2шт.

24

132-73

COTTER PIN,5/32" x 1 1/2"

Pin, Split (Cotter), , grapple attachment 5/32" x 1 1/2"

4шт.

25

D61075

CYLINDER

- grapple, parts list Fig.160, attachment

1шт.

26

218-493

ELBOW,90 Degree Elbow, 3/4" - 16 Male JIC x 1/2" - 14 Male NPTF

- 90 degree, grapple attachment

2шт.

27

D66596

HOSE

- rod end of cylinder, 66", 1676.4 mm, long, grapple attachment

1шт.

28

D66597

HOSE

- closed end of cylinder, 56", 1422.4 mm, long, grapple attachment

1шт.

29

D60708

COUPLING, BREAK AWAY

COUPLING - quick disconnect, male, grapple attachment

2шт.

30

219-1

LUBE NIPPLE,1/8" - 27 NPTF

FITTING - grease, straight, 1/8" NPT, grapple attachment

2шт.

Выбрано товаров: 32