Запчасти Case IH 1835 (188) - REAR WINDOW AND MOUNTING (09) - CHASSIS/ATTACHMENTS

Схема запчастей Case IH 1835 - (188) - REAR WINDOW AND MOUNTING (09) - CHASSIS/ATTACHMENTS
FIT
1:1
100%

Артикул

Название

Примечание

Количество

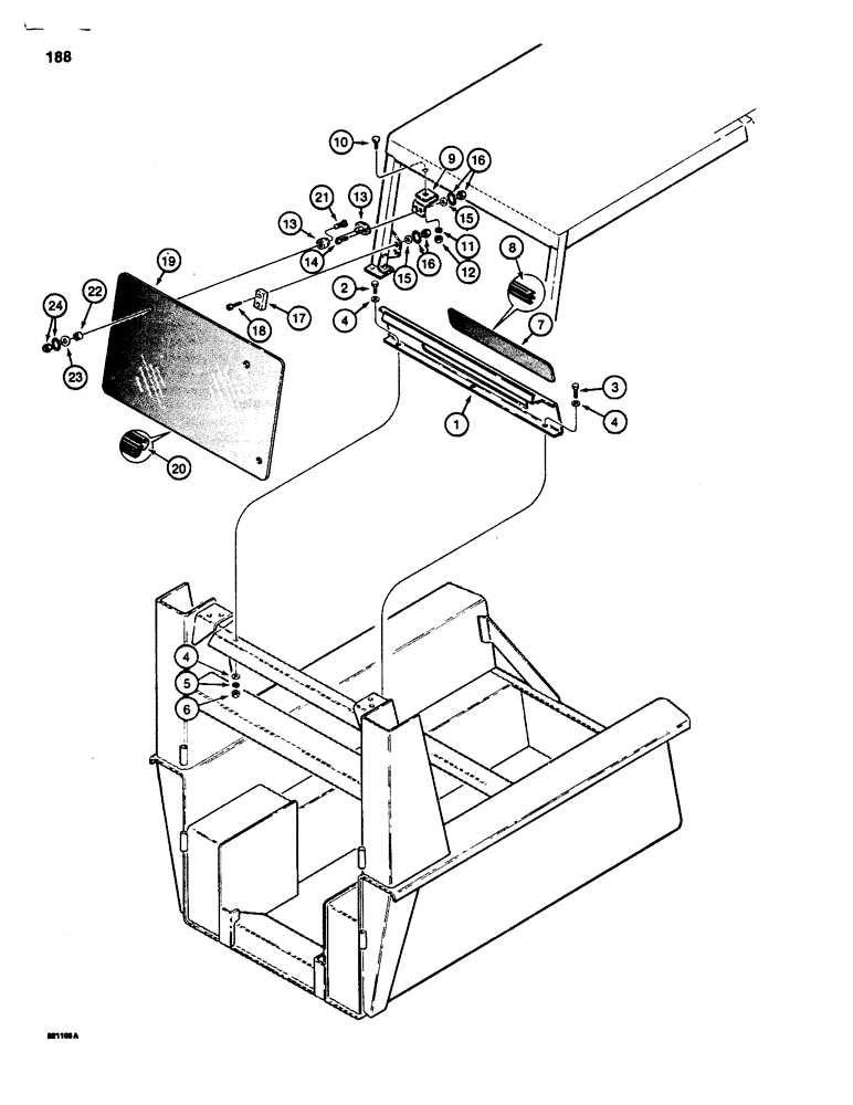
1

D86127

GUARD

SHIELD heat, small

1шт.

2

13-520

BOLT,Hex, 5/16" - 18 x 1-1/4", Gr 5

hex head, 5/16 inch - 18 NC x 1-1/4 inch

2шт.

3

13-528

BOLT,Hex, 5/16" - 18 x 1-3/4", Gr 5

hex head, 5/16 inch - 18 NC x 1-3/4 inch

1шт.

4

195-21

WASHER,5/16"

- flat, 5/16"

6шт.

5

92-5

LOCK WASHER,5/16"

3шт.

6

9635082

NUT,5/16" - 18, Gr 5

hex, 5/16 inch - 18 NC

3шт.

7

D86123

WINDOW

heat shield

1шт.

8

REF

INSTRUCTION

MOLDING heat shield window glass, 49-5/8 inch (1260 mm) long

1шт.

Cut from P/N A42677 Bulk Molding.

1шт.

9

D75084

BRACKET

holder, rear window

2шт.

10

111-512

CARRIAGE BOLT,Short NK, 1/2"-13 x 1", G2

BOLT, CARRIAGE, Short NK, 1/2"- 13 x 1", G2

2шт.

11

192-23

LOCK WASHER,1/2"

WASHER, LOCK, 1/2"

2шт.

12

129-105

NUT,Hex, 1/2" - 13, Gr 5

2шт.

13

F93104

HOLDER

window, rear

4шт.

14

171-244

SCREW,Sl Flat Hd, #10 - 24 x 1"

machine, flat head, slotted,, plated, No. 10 - 24 NC x 1 inch

4шт.

15

195-513

WASHER,#10

plated, No. 10

8шт.

16

193-1004

NUT,Keps, #10 - 24, w/ Ext Tooth LW

NUT hex, plated, with external tooth lockwasher, No. 10 - 24 NC

8шт.

17

D75085

BUSHING

SPACER window, rear

2шт.

18

171-227

SCREW,Sl Flat Hd, #10 - 24 x 1 1/4"

machine, flat head, slotted, plated, No. 10 - 24 NC x 1-1/4"

4шт.

19

D91344

WINDOW

rear

1шт.

20

REF

INSTRUCTION

MOLDING window rear, 101-1/2 inch (2578 mm) long

1шт.

Cut this molding from P/N F43086 bulk.

1шт.

21

182-534

SCREW,Sl Pan Hd, 1/4" - 20 x 1"

machine, pan, head, slotted, plated 1/4 inch - 20 NC x 1inch

4шт.

22

F14209

BUSHING

window, holder

4шт.

23

A26383

WASHER

special

4шт.

24

193-1006

NUT,Keps, w/LW, 1/4"-20

hex, with external tooth lock washer, 1/4 inch - 20 NC

4шт.

A42677

MOLDING

bulk, 50 feet (1524 cm) long, use for Ref. 8

1шт.

F43086

SEAL

MOLDING bulk, 100 feet (3048 cm) long, use for Ref. 20

1шт.

If a gas strut to hold up the rear window on the uniloader rops is needed, go to SIMS 508-886-6115.

1шт.

Выбрано товаров: 29