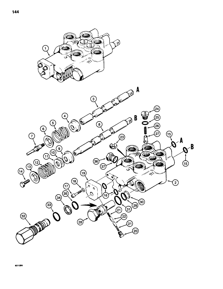
Запчасти Case IH 1835 (144) - D73353 LOADER CONTROL VALVE (08) - HYDRAULICS

Схема запчастей Case IH 1835 - (144) - D73353 LOADER CONTROL VALVE (08) - HYDRAULICS
FIT
1:1
100%

Артикул

Название

Примечание

Количество

1

D73353

VALVE

two, spool

1шт.

2

NSS

NOT SOLD SEPARAT

BODY control, valve

1шт.

3

NSS

NOT SOLD SEPARAT

SPOOL float, lift

1шт.

4

H138271

WASHER

RETAINER spring

1шт.

5

F59118

SPRING

CENTERING, SPRING spool

1шт.

6

F59116

WASHER

SEAT spring

1шт.

7

H139071

SCREW,1/4" - 20

STUD spool

1шт.

8

NSS

NOT SOLD SEPARAT

SPOOL bucket

1шт.

9

H52902

CAP

RETAINER spring

1шт.

10

F8235

WASHER

special, .062 inch (1.575 mm) thick

1шт.

11

H746164

WASHER

special, .156 inch (3.962 mm) thick

1шт.

12

F59118

SPRING

centering, spool

1шт.

13

F59116

WASHER

special

1шт.

14

H138248

SCREW,1/4" - 20 x 7/16"

cap, special, spool end

1шт.

15

F37887

O-RING

valve, body, 1/8 inch x 5/8 inch

2шт.

16

A7982

O-RING,0.103" Thk x 0.612" ID, -114, Cl 5, 75 Duro

valve, body, 3/32 inch x 5/8 inch

2шт.

17

61-416

HEX SOC SCREW,1/4"-20 x 1"

SCREW cap, socket, head, 1/4 inch - 20 NC x 1 inch

2шт.

18

92-4

LOCK WASHER,1/4"

WASHER, LOCK, 1/4"

2шт.

19

H125831

BLOCK

detent

1шт.

20

H424200

PLUG

detent

1шт.

21

H105049

SPRING

detent

2шт.

22

H104992

PAWL

DETENT spool

2шт.

23

D73659

FITTING

PLATE orifice

1шт.

24

H47506

PLUG

check

2шт.

25

H756783

O-RING,0.103" Thk x 0.487" ID, -112, Cl 6, 90 Duro

plug

1шт.

26

FH730374

SPRING

lift check

2шт.

27

FH730366

PLUNGER

lift, check

2шт.

D77393

VALVE

ASSEMBLY, main, relief, loader, control, Cessna No. 32018-MC, if used

1шт.

28

NSS

NOT SOLD SEPARAT

VALVE relief, control

1шт.

29

A7982

O-RING,0.103" Thk x 0.612" ID, -114, Cl 5, 75 Duro

inner

1шт.

30

G32626

RING

backup, inner, O

1шт.

31

A27365

O-RING,0.103" Thk x 0.75" ID, -116, Cl 5, 75 Duro

outer

1шт.

N9485

VALVE

ASSEMBLY, relief, control, Cessna No. 32068-MB, if used

1шт.

32

NSS

NOT SOLD SEPARAT

VALVE relief control

1шт.

33

L33215

O-RING,0.737" ID x 0.943" OD x 0.103"

large

1шт.

34

N9711

BACK-UP RING,0.688" ID x 0.807" OD x 0.059"

backup, small, O

1шт.

35

F10894

O-RING,0.07" Thk x 0.676" ID, -17, Cl 5, 75 Duro

small

1шт.

36

86512512

PLUG,7/8" - 14 ORB

Head, Valve, Port Hex Hd, 7/8"-14 ORB

1шт.

37

237-6010

O-RING,0.097" Thk x 0.755" ID, -910, Cl 6, 90 Duro

10-1, 90 Duro, .755" ID x .097" Thk, Plug

1шт.

Выбрано товаров: 39