Запчасти Case IH 1835C (9-22) - REAR COUNTERWEIGHT AND SWING OUT DOOR (09) - CHASSIS/ATTACHMENTS

Схема запчастей Case IH 1835C - (9-22) - REAR COUNTERWEIGHT AND SWING OUT DOOR (09) - CHASSIS/ATTACHMENTS
FIT
1:1
100%

Артикул

Название

Примечание

Количество

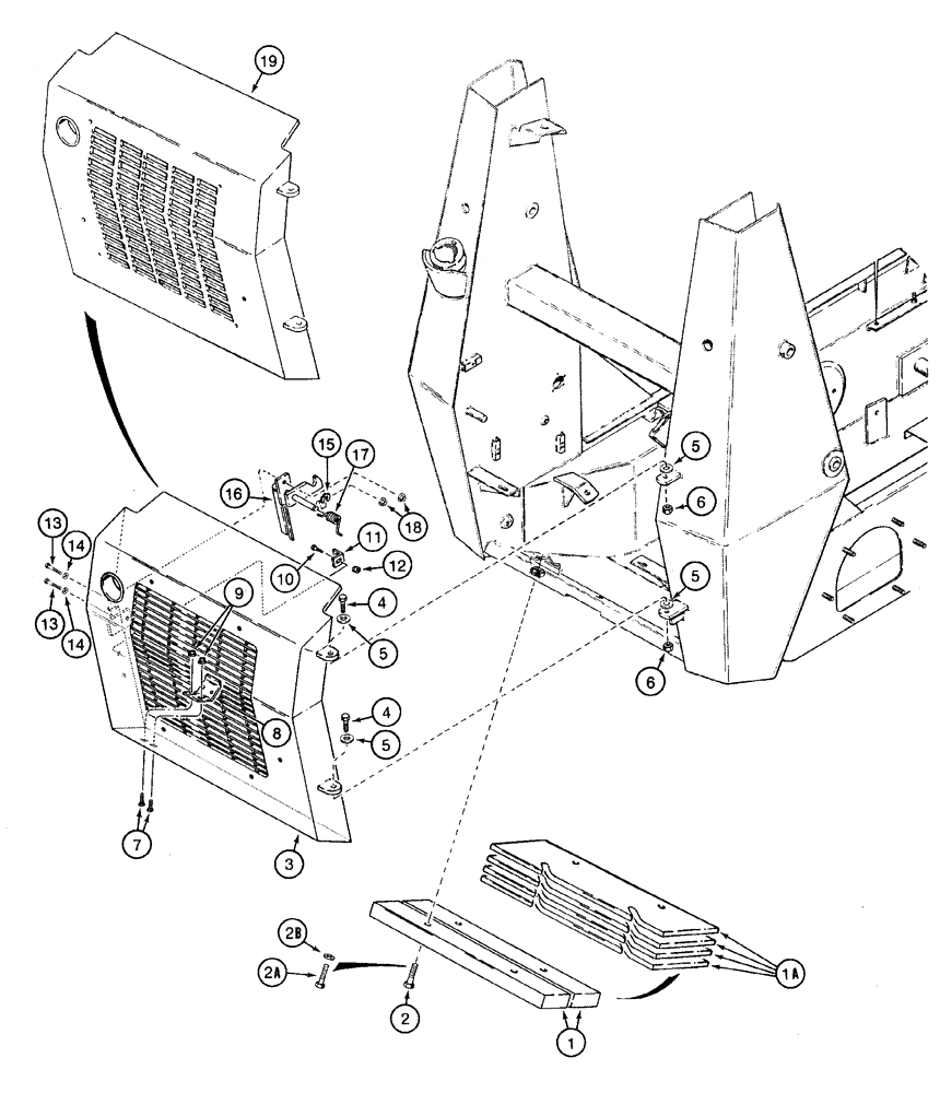
1

D134463

WEIGHT

COUNTERWEIGHT rear, 2/51 x 3/76 x 19-1/8 inch/755 mm, if used, no longer available, order P/N 108380A1 counterweight Ref. 1A, order from Machinery Price List

2шт.

1a

108380A1

WEIGHT

COUNTERWEIGHT rear, 1/2/13 x 6/152 x 19-1/8 inch/755 mm, if used

4шт.

2

413-1048

BOLT,Hex, 5/8" - 11 x 3", Gr 5

used with 5/8 inch NC square cage nuts on chassis Hex, 5/8"-11 x 3", G5

4шт.

2a

413-848

BOLT,Hex, 1/2" - 13 x 3", Gr 5

hex, 1/2 NC x 3 inch, used with 1/2 inch NC welded-on hex lock nuts on chassis

4шт.

2b

H274894

WASHER

flat, special, 17/32 x 1-5/64 inch, used with P/N 413-848 bolt, Ref. 2A

4шт.

3

H672900

DOOR

rear swing out, no longer available, order P/N 228259A1 door, Ref. 19

1шт.

4

413-832

BOLT,Hex, 1/2" - 13 x 2", Gr 5

2шт.

5

495-11053

WASHER,1/2", SAE

(17/32" x 1-1/16" x 3/32") 1/2", SAE

4шт.

6

232-4118

NUT,1/2"-13, GC

NUT, LOCK, 1/2"-13, GC

2шт.

7

411-620

CARRIAGE BOLT,Sq Nk, 3/8" - 16 x 1 1/4", Gr 2

BOLT carriage, 3/8 NC x 1-1/4 inch, grade 2

2шт.

8

D128034

BRACKET

rear door, lower

1шт.

9

231-5146

FLANGE NUT,3/8"-16

2шт.

10

411-516

CARRIAGE BOLT,Sq Nk, 5/16" - 18 x 1", Gr 2

1шт.

11

D124776

BRACKET

ANGLE latch positioning, outer

1шт.

12

231-5145

SERRATED NUT,Flg, USR, 5/16"-18

NUT hex serrated flange, 5/16 inch NC

1шт.

13

413-620

BOLT,Hex, 3/8" - 16 x 1-1/4", Gr 5

hex, 3/8 NC x 1-1/4 inch

2шт.

14

495-11041

WASHER,0.406" ID x 0.812" OD x 0.065" W

flat, (13/32 x 13/16 x 1/16")

2шт.

15

D143416

CIRCLIP,15.09mm ID x 27.81mm OD x 1.57mm Thk

RING retaining, loader lock, Replaces: P/N D95097 ring

1шт.

16

D131975

LATCH

rear door

1шт.

17

D132020

SPRING

rear door latch

1шт.

18

231-5146

FLANGE NUT,3/8"-16

2шт.

19

228259A1

DOOR ASSY.

DOOR rear swing out, Replaces: P/N H673388 door

1шт.

Выбрано товаров: 22