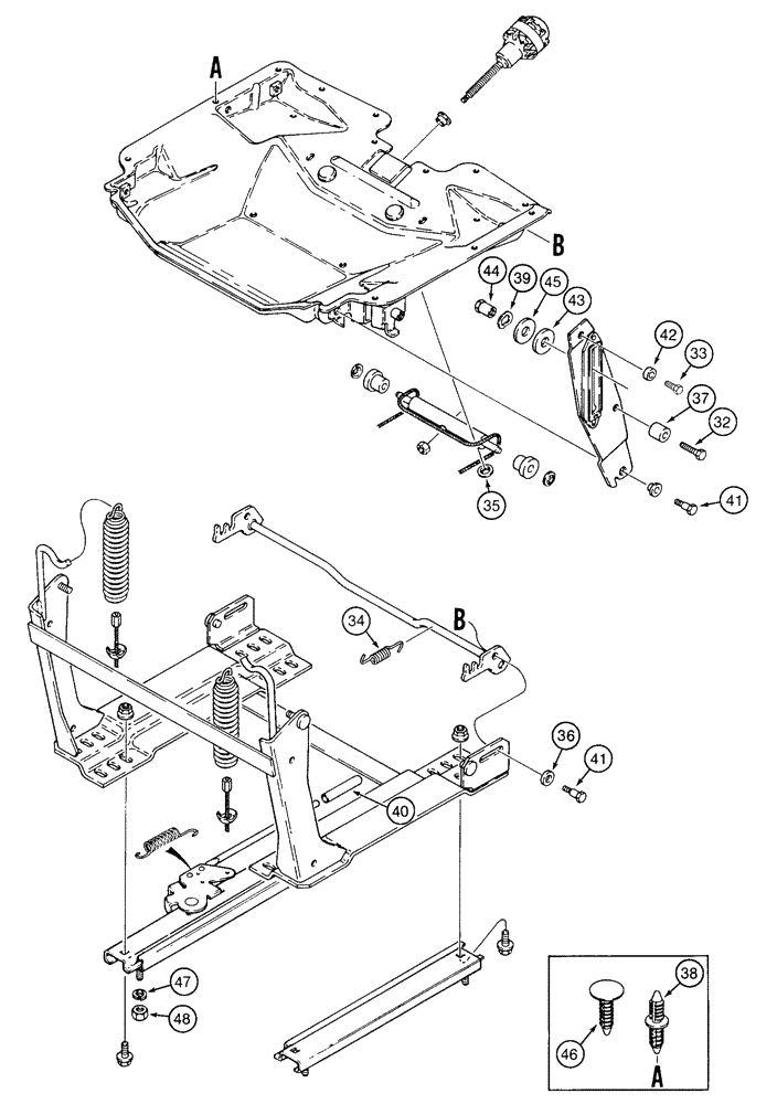
Запчасти Case IH 1835C (9-48) - DELUXE OPERATORS SEAT, BASE AND ADJUSTING PARTS (09) - CHASSIS/ATTACHMENTS

Схема запчастей Case IH 1835C - (9-48) - DELUXE OPERATORS SEAT, BASE AND ADJUSTING PARTS (09) - CHASSIS/ATTACHMENTS
FIT
1:1
100%

Артикул

Название

Примечание

Количество

D129790

SEAT

ASSEMBLY, operators, deluxe, brown vinyl, also, see Figure 9-44 and 9-46; Includes: Ref. 32 - 48

1шт.

178764A1

SEAT

ASSEMBLY, operators, deluxe, gray vinyl, also, see Figure 9-44 and 9-46; Includes: Ref. 32 - 48

1шт.

32

413-520

BOLT,Hex, 5/16" - 18 x 1-1/4", Gr 5

hex, 5/16 NC x 1-1/4 inch

2шт.

33

413-510

BOLT,Hex, 5/16" - 18 x 5/8", Gr 5

- hex, 5/16 NC x 5/8 inch

2шт.

34

L35503

SPRING

seat

1шт.

35

131-435

PUSH-ON NUT,Push, 3/8"

NUT push-on type, 3/8 inch

2шт.

36

495-11041

WASHER,0.406" ID x 0.812" OD x 0.065" W

flat, (13/32 x 13/16 x 1/16")

2шт.

37

K627041

BUSHING

SPACER backrest support

2шт.

38

N13712

CLIP,ELECTRICAL

CLIP rubber cover, retaining

12шт.

39

N13713

WASHER

spring, backrest support

2шт.

40

NSS

NOT SOLD SEPARAT

GRIP vinyl, adjuster

1шт.

41

N13716

BOLT

BOLT shoulder, special

4шт.

42

N13718

SPACER

support

2шт.

43

N13719

WASHER

support

2шт.

44

N13720

NUT

special

2шт.

45

495-21056

WASHER,1/2"

flat, 9/16 x 1-3/8 x 7/64 inch

2шт.

46

N13703

CLIP,ELECTRICAL

CLIP backrest shell, retaining

7шт.

47

492-11031

LOCK WASHER,5/16"

WASHER, LOCK, 5/16"

4шт.

48

425-105

NUT,5/16"-18, G5

- hex, 5/16 inch NC

4шт.

Выбрано товаров: 19